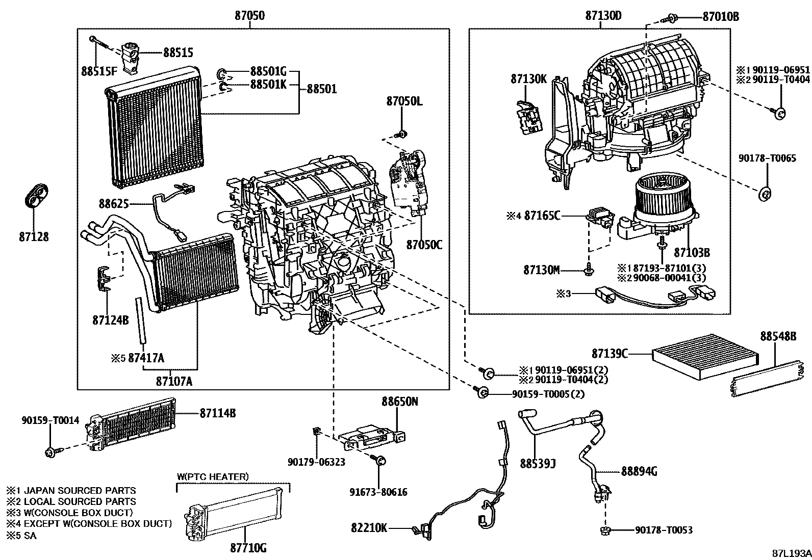
82210KHARNESS ASSY, AIR CONDITIONER
87010BSCREW(FOR AIR CONDITIONER UNIT)
main90068-00042iGUN11#,12#,13#,TGN11#,12#..THP202208-202307 main90094-90426iGUN125,126,135,TGN126,136..AGTP202211-202310 87050RADIATOR ASSY, AIR CONDITIONER
main87050-0KC70iGUN112,12#,135,TGN110,121..(L,S)..(IDN,TH)202208-202307 main87050-0KC90iGUN122,125,126,13#,TGN121..RHD..(L,S)..(ARL,GEN)202208-202307 FRONT AIR CONDITIONER-MANUAL
main87050-0KD10iGUN11#,122,125,126,135,TGN11#,12#..LHD..THP..(L,S)..(GCC,GEN,LA)202208-202307 main87050-0KE90iGUN125,126,135,TGN126,136..AGTP202211-202310 main87050-0KF30iGUN122,125,LAN125,TGN121..LHD..SA202301-202401 main87050-0KG20iGUN125,126,13#,TGN136..RHD..(H,S)..SA202301-202401 FRONT AIR CONDITIONER-MANUAL
FRONT AIR CONDITIONER-COOLER LESS
TOYOTA STOP & START SYSTEM-WITH&FRONT AIR CONDITIONER-MANUAL
main87050-0KP80iGUN126..H..TH;GUN135..6F..H202208-202307 TOYOTA STOP & START SYSTEM-WITH
87050CDAMPER SERVO SUB-ASSY, AIR CONDITIONER RADIATOR, NO.1
87050LSCREW(FOR AIR CONDITIONER RADIATOR)
main90068-00042iGUN11#,12#,13#,TGN11#,12#..THP202208-202307 main90094-90426iGUN125,126,135,TGN126,136..AGTP202211-202310 87103BMOTOR SUB-ASSY, BLOWER W/FAN
main87103-0K321iGUN112,12#,135,TGN110,121..(L,S)..(IDN,TH)202208-202307 main87103-0K381iGUN135..H;GUN126..RHD..THP..(H,S);GUN122,125,13#,TGN121..RHD..(ARL,GEN)202208-202307 FRONT AIR CONDITIONER-MANUAL
main87103-0K391iGUN11#,122,125,126,135,TGN11#,12#..LHD..THP..(GCC,GEN,LA)202208-202307 main87103-0K461iGUN125,126,135,TGN126,136..AGTP202211-202310 main87103-0K501iGUN122,125,LAN125,TGN121..LHD..SA202301-202401 87107AUNIT SUB-ASSY, HEATER RADIATOR
main87107-0K110iGUN135..H;GUN126..THP..(H,S);GUN11#,122,125,13#,TGN11#,12#..THP..(ARL,GCC,GEN,LA)202208-202307 FRONT AIR CONDITIONER-MANUAL
main87107-0K150iGUN125,126,135,TGN126,136..AGTP202211-202310 main87107-0K170iGUN122,125,126,13#,LAN125,TGN120,121,136..SA202301-202403 87114BCOVER, HEATER
main87114-0K040iGUN125..THP..6F;GUN125..6FC..IV3;GUN11#,120,121,122,126,13#,TGN11#,12#..THP202208-202307 main87114-0K070iGUN125,126,135,TGN126,136..AGTP202211-202310 87124BCLAMP, HEATER
main87124-06140iGUN135..H;GUN126..THP..(H,S);GUN11#,122,125,13#,TGN11#,12#..THP..(ARL,GCC,GEN,LA)202208-202307 FRONT AIR CONDITIONER-MANUAL
main87124-0K220iGUN125,126,135,TGN126,136..AGTP202211-202310 main87124-0K230iGUN122,125,126,13#,LAN125,TGN120,121,136..SA202301-202403 87128GROMMET, HEATER
main87128-0K180iGUN135..H;GUN126..THP..(H,S);GUN11#,122,125,13#,TGN11#,12#..THP..(ARL,GCC,GEN,LA)202208-202307 FRONT AIR CONDITIONER-MANUAL
main87128-0K190iGUN125,126,135,TGN126,136..AGTP202211-202310 87130DBLOWER ASSY
main87130-0K531iGUN112,12#,135,TGN110,121..(L,S)..(IDN,TH)202208-202307 main87130-0K561iGUN122,125,126,13#,TGN121..RHD..(L,S)..(ARL,GEN)202208-202307 FRONT AIR CONDITIONER-MANUAL
main87130-0K581iGUN11#,122,125,126,135,TGN11#,12#..LHD..THP..(L,S)..(GCC,GEN,LA)202208-202307 main87130-0K711iGUN125,126,135,TGN126,136..AGTP202211-202310 main87130-0K761iGUN122,125,LAN125,TGN121..LHD..SA202301-202401 main87130-0K791iGUN122,125,126,13#,TGN120,136..RHD..SA202301-202403 87130KDAMPER SERVO SUB-ASSY, BLOWER, NO.1
87130MSCREW(FOR BLOWER)
main90068-00042iGUN11#,12#,13#,TGN11#,12#..THP..(L,S)202208-202307 main90094-90426iGUN125,126,135,TGN126,136..AGTP202211-202310 87139CFILTER, CLEAN AIR
main87139-06130iGUN112,12#,135,TGN110,121..IDN,PH,TH202208-202307 MICRO DUST FILTER
main87139-0K070iGUN11#,122,125,126,13#,TGN11#,12#..THP..(ARL,GCC,GEN,LA)202208-202307 POLLEN FILTER,OE PART
main87139-0K080iGUN125,126,135,TGN126,136..AGTP202211-202310 POLLEN FILTER,OE PART
main87139-0K090iGUN122,125,126,13#,LAN125,TGN120,121,136..SA202301-202403 POLLEN FILTER,OE PART
main87139-58010iGUN122,125,126,13#,LAN125,TGN120,121,136..SA202208-202403 DEODORANT FILTER
87165CCONTROL, BLOWER MOTOR
87417APACKING, AIR DUCT
main87417-0K050iGUN122,125,126,13#,LAN125,TGN120,121,136..SA202301-202403 88501EVAPORATOR SUB-ASSY, COOLER, NO.1
main88501-0K320iGUN112,12#,13#,TGN110,121..RHD..THP202208-202307 main88501-0K390iGUN11#,122,125,126,135,TGN11#,12#..LHD..THP202208-202307 main88501-0K420iGUN122,125,LAN125,TGN121..LHD..SA202301-202401 main88501-0K430iGUN125,126,13#,TGN136..RHD..(H,S)..SA202301-202401 FRONT AIR CONDITIONER-MANUAL
main88501-0K480iGUN125,126,135,TGN126,136..AGTP202211-202310 main88501-0K330iGUN126..H..TH;GUN135..6F..H202208-202307 TOYOTA STOP & START SYSTEM-WITH
88501GO-RING, COOLER EVAPORATOR NO.1(SUCTION)
main90068-14044iGUN11#,12#,13#,TGN11#,12#..THP202208-202307 ID=10.2,OD=15.0
main90099-14121iGUN125,126,135,TGN126,136..AGTP202209-202310 ID=13.4,OD=18.2
88501KO-RING, COOLER EVAPORATOR NO.1(LIQUID)
main90068-14043iGUN11#,12#,13#,TGN11#,12#..THP202208-202307 ID=13.4,OD=18.2
main90099-14120iGUN125,126,135,TGN126,136..AGTP202209-202310 ID=10.8,OD=15.6
88515VALVE, COOLER EXPANSION
main88515-0K670iGUN126..H..TH;GUN135..6F..H202208-202307 TOYOTA STOP & START SYSTEM-WITH
88515FBOLT(FOR COOLER EXPANSION VALVE)
main90068-04042iGUN125,126,135,TGN126,136..AGTP202211-202310 main90068-04062iGUN11#,12#,13#,TGN11#,12#..THP202208-202307 88539JHOSE, DRAIN COOLER
main88539-0K380iGUN11#,122,125,126,135,TGN11#,12#..LHD..THP202208-202307 main88539-0K390iGUN112,12#,13#,TGN110,121..RHD..THP202208-202307 main88539-0K410iGUN125,126,135,TGN126,136..AGTP202211-202310 main88539-0K420iGUN122,125,LAN125,TGN121..LHD..SA202301-202401 88548BCASE, AIR FILTER
main88548-0K111iGUN125,126,135,TGN126,136..AGTP202211-202310 main88548-0K121iGUN122,125,126,13#,LAN125,TGN120,121,136..SA202301-202403 88625THERMISTOR, COOLER, NO.1
main88620-0K020iGUN126..H..TH;GUN135..6F..H202208-202307 TOYOTA STOP & START SYSTEM-WITH
88650NAMPLIFIER ASSY, AIR CONDITIONER
CENTRAL AND SOUTH AMERICA SPEC&FRONT AIR CONDITIONER-MANUAL(DOP - PLANT INSTALL)
main88650-0K400iGUN125,135..L..KEN;GUN122,125..LHD..L..SA;GUN125,135..S..(KEN,SA);GUN126,136,LAN125,TGN121,136..SA202208 FRONT AIR CONDITIONER-MANUAL
main88650-0K480iGUN125,126,135,TGN126,136..AGTP202211-202310 main88650-0K830iGUN125..6FC..GEN;GUN125,126,13#..(L,S)..ARL202208-202307 SAUDI ARABIA SPEC&TOYOTA STOP & START SYSTEM-WITH
88894GCONNECTOR, DRAIN HOSE
main88894-0K020iGUN112,12#,13#,TGN110,121..RHD..THP202208-202307 main88894-0K090iGUN125,126,135,TGN126,136..AGTP202211-202310 main88894-0K100iGUN122,125,LAN125,TGN121..LHD..SA202301-202401 main88894-0K110iGUN122,125,126,13#,TGN120,136..RHD..SA202301-202403 main88894-0K260iGUN11#,122,125,126,135,TGN11#,12#..LHD..THP202208-202307