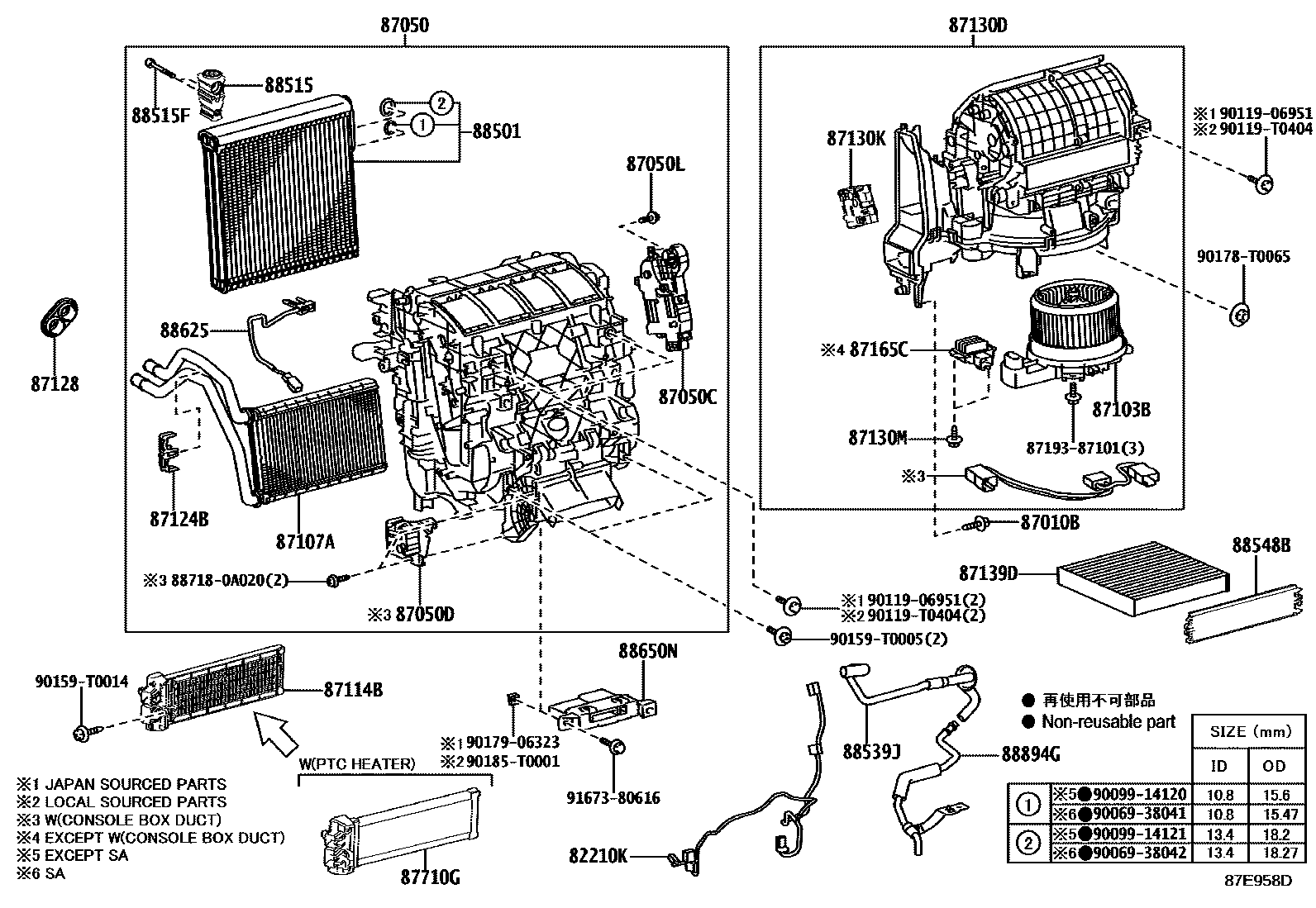
HEATING & AIR CONDITIONING - COOLER UNIT

82210KHARNESS ASSY, AIR CONDITIONER
FRONT AIR CONDITIONER-AUTO
main82212-0K050iKUN126..RHD..SA;GUN126,KUN126..RHD..ATM..M..GEN;GUN125,126,136,KUN125..(SSC,SXT,TSC)..M201505-202009
FRONT AIR CONDITIONER-AUTO
main82212-0K060iGUN126,KUN125,126..LHD..M..(PH,SA,VN);GUN125,13#,KUN136,TGN126..LHD..(ADC,SDC,TDC)..(6F,6FC)..M..(GEN,LA,PH,SA,VN)201505-202010
FRONT AIR CONDITIONER-AUTO
FRONT AIR CONDITIONER-MANUAL(DOP - DEALERSHIP INSTALL)
HEATER CONTROL PANEL-MANUAL HEATER OR *AIC(MANUAL(DOP))&FRONT AIR CONDITIONER-MANUAL(DOP - DEALERSHIP INSTALL)&SEAT COVER MATERIAL-FABRIC(HI)
HEATER CONTROL PANEL-MANUAL HEATER OR *AIC(MANUAL(DOP))&FRONT AIR CONDITIONER-MANUAL(DOP - DEALERSHIP INSTALL)&SEAT COVER MATERIAL-FABRIC(MLM)
HEATER CONTROL PANEL-MANUAL HEATER OR *AIC(MANUAL(DOP))&FRONT AIR CONDITIONER-MANUAL(DOP - DEALERSHIP INSTALL)
FRONT AIR CONDITIONER-MANUAL(DOP - DEALERSHIP INSTALL)
SEAT COVER MATERIAL-NATURAL LEATHER
SEAT COVER MATERIAL-PERFORATED LEATHER(MLM)
FRONT AIR CONDITIONER-AUTO
main82212-0K070iGUN126,KUN126..LHD..TDC..H;GUN122,125,126,136,KUN125,TGN126,136..(H,M)..(BZAGT,GCC,TAIW);GGN125,GUN135,KUN135,TGN121,128,138..(H,M)..(BZAGT,GCC,GEN,LA)201505-202010
HEATER CONTROL PANEL-AUTO AIR CONDITIONER(DOP)&FRONT AIR CONDITIONER-AUTO(DOP - DEALERSHIP INSTALL)
FRONT AIR CONDITIONER-AUTO(DOP - DEALERSHIP INSTALL)
87010BSCREW(FOR AIR CONDITIONER UNIT)
HEATER CONTROL PANEL-MANUAL HEATER OR *AIC(MANUAL(DOP))&FRONT AIR CONDITIONER-MANUAL(DOP - DEALERSHIP INSTALL)
FRONT AIR CONDITIONER-MANUAL(DOP - DEALERSHIP INSTALL)
HEATER CONTROL PANEL-MANUAL HEATER OR *AIC(MANUAL(DOP))&FRONT AIR CONDITIONER-MANUAL(DOP - DEALERSHIP INSTALL)&SEAT COVER MATERIAL-FABRIC(HI)
HEATER CONTROL PANEL-MANUAL HEATER OR *AIC(MANUAL(DOP))&FRONT AIR CONDITIONER-MANUAL(DOP - DEALERSHIP INSTALL)&SEAT COVER MATERIAL-FABRIC(MLM)
FRONT AIR CONDITIONER-AUTO
main88718-0A020iGUN135..L..VN;GUN135..S..PH;GUN136..ARL,TH;GUN122..6F..(L,S,X);GUN126..6F..ARL..IV3;GUN125..TXT..(GEN,TH);GUN125..TDC..6F..S..LA;GUN126..LHD..6F..M..GEN;TGN126..TDC201505-201907
KAZAKHSTAN SPEC(EURO 4 REGULATION)&FRONT AIR CONDITIONER-MANUAL(DOP - DEALERSHIP INSTALL)
main88718-0A020iGUN135..L..VN;GUN135..S..PH;GUN136..ARL,TH;GUN122..6F..(L,S,X);GUN126..6F..ARL..IV3;GUN125..TXT..(GEN,TH);GUN125..TDC..6F..S..LA;GUN126..LHD..6F..M..GEN;TGN126..TDC201505-201907
TOYOTA STOP & START SYSTEM-WITH
main88718-0A020iGUN135..L..VN;GUN135..S..PH;GUN136..ARL,TH;GUN122..6F..(L,S,X);GUN126..6F..ARL..IV3;GUN125..TXT..(GEN,TH);GUN125..TDC..6F..S..LA;GUN126..LHD..6F..M..GEN;TGN126..TDC201505-201912
FRONT AIR CONDITIONER-AUTO(DOP - DEALERSHIP INSTALL)
HEATER CONTROL PANEL-AUTO AIR CONDITIONER(DOP)&FRONT AIR CONDITIONER-AUTO(DOP - DEALERSHIP INSTALL)
FRONT AIR CONDITIONER-AUTO(DOP - DEALERSHIP INSTALL)
ASIA COLD COUNTRY SPEC&FRONT AIR CONDITIONER-MANUAL
HEATER CONTROL PANEL-MANUAL AIR CONDITIONER&FRONT AIR CONDITIONER-MANUAL
KAZAKHSTAN SPEC(EURO 4 REGULATION)&FRONT AIR CONDITIONER-MANUAL(DOP - DEALERSHIP INSTALL)
ASIA COLD COUNTRY SPEC
TOYOTA STOP & START SYSTEM-WITH
HEATER CONTROL PANEL-MANUAL HEATER OR *AIC(MANUAL(DOP))&FRONT AIR CONDITIONER-MANUAL(DOP - PLANT INSTALL)
FRONT AIR CONDITIONER-MANUAL
FRONT AIR CONDITIONER-MANUAL(DOP - DEALERSHIP INSTALL)
main90094-90426iTGN136..ADC..X..LA;GUN126..ADC..6FC..M..LA;GUN125,126,135,TGN126..(ADC,ASC)..(S,X)..LA201511-202010
FRONT AIR CONDITIONER-MANUAL(DOP - DEALERSHIP INSTALL)
87050RADIATOR ASSY, AIR CONDITIONER
FRONT AIR CONDITIONER-AUTO
TOYOTA STOP & START SYSTEM-WITH
main87050-0KC90iGUN126..RHD..M..GEN;GUN125,KUN12#..RHD..(L,M,S,X)..(ARL,GEN);GGN12#,GUN122,123,126,13#,KUN136,TGN121,126..RHD..(L,S,X)..(ARL,GEN)201505-202005
FRONT AIR CONDITIONER-MANUAL(DOP - DEALERSHIP INSTALL)
FRONT AIR CONDITIONER-MANUAL(DOP - DEALERSHIP INSTALL)
FRONT AIR CONDITIONER-AUTO(DOP - DEALERSHIP INSTALL)
KAZAKHSTAN SPEC(EURO 4 REGULATION)&FRONT AIR CONDITIONER-MANUAL(DOP - DEALERSHIP INSTALL)
HEATER CONTROL PANEL-MANUAL HEATER OR *AIC(MANUAL(DOP))&FRONT AIR CONDITIONER-MANUAL(DOP - PLANT INSTALL)
OCEANIA GENERAL SPEC
HEATER CONTROL PANEL-MANUAL AIR CONDITIONER&FRONT AIR CONDITIONER-MANUAL
FRONT AIR CONDITIONER-MANUAL
KAZAKHSTAN SPEC(EURO 4 REGULATION)&FRONT AIR CONDITIONER-COOLER LESS
KAZAKHSTAN SPEC(EURO 2 REGULATION)
KAZAKHSTAN SPEC(EURO 2 REGULATION)&FRONT AIR CONDITIONER-COOLER LESS
KAZAKHSTAN SPEC(EURO 4 REGULATION)
KAZAKHSTAN SPEC(EURO 5 REGULATION)
ASIA COLD COUNTRY SPEC
ASIA COLD COUNTRY SPEC&FRONT AIR CONDITIONER-COOLER LESS
ASIA COLD COUNTRY SPEC&FRONT AIR CONDITIONER-MANUAL
KAZAKHSTAN SPEC(EURO 4 REGULATION)&FRONT AIR CONDITIONER-MANUAL(DOP - DEALERSHIP INSTALL)
FRONT AIR CONDITIONER-MANUAL(DOP - DEALERSHIP INSTALL)
FRONT AIR CONDITIONER-AUTO
MEXICO SPEC
AZERBAIJAN SPEC(EURO 4 REGULATION)
FRONT AIR CONDITIONER-MANUAL(DOP - DEALERSHIP INSTALL)
FRONT AIR CONDITIONER-AUTO
HEATER CONTROL PANEL-MANUAL HEATER OR *AIC(MANUAL(DOP))&FRONT AIR CONDITIONER-MANUAL(DOP - DEALERSHIP INSTALL)&SEAT COVER MATERIAL-FABRIC(MLM)
HEATER CONTROL PANEL-MANUAL HEATER OR *AIC(MANUAL(DOP))&FRONT AIR CONDITIONER-MANUAL(DOP - DEALERSHIP INSTALL)
FRONT AIR CONDITIONER-MANUAL(DOP - DEALERSHIP INSTALL)
HEATER CONTROL PANEL-MANUAL HEATER OR *AIC(MANUAL(DOP))&FRONT AIR CONDITIONER-MANUAL(DOP - DEALERSHIP INSTALL)&SEAT COVER MATERIAL-FABRIC(HI)
HEATER CONTROL PANEL-AUTO AIR CONDITIONER(DOP)&FRONT AIR CONDITIONER-AUTO(DOP - DEALERSHIP INSTALL)
FRONT AIR CONDITIONER-AUTO
SEAT COVER MATERIAL-NATURAL LEATHER
SEAT COVER MATERIAL-PERFORATED LEATHER(MLM)
FRONT AIR CONDITIONER-AUTO(DOP - DEALERSHIP INSTALL)
FRONT AIR CONDITIONER-MANUAL(DOP - DEALERSHIP INSTALL)
ASIA COLD COUNTRY SPEC
TOYOTA STOP & START SYSTEM-WITH
FRONT AIR CONDITIONER-MANUAL(DOP - DEALERSHIP INSTALL)
FRONT AIR CONDITIONER-AUTO
FRONT AIR CONDITIONER-COOLER LESS
FRONT AIR CONDITIONER-COOLER LESS
FRONT AIR CONDITIONER-MANUAL
FRONT AIR CONDITIONER-AUTO
87050CDAMPER SERVO SUB-ASSY, AIR CONDITIONER RADIATOR, NO.1
HEATER CONTROL PANEL-MANUAL HEATER OR *AIC(MANUAL(DOP))&FRONT AIR CONDITIONER-MANUAL(DOP - DEALERSHIP INSTALL)&SEAT COVER MATERIAL-FABRIC(MLM)
FRONT AIR CONDITIONER-AUTO
HEATER CONTROL PANEL-MANUAL HEATER OR *AIC(MANUAL(DOP))&FRONT AIR CONDITIONER-MANUAL(DOP - DEALERSHIP INSTALL)
HEATER CONTROL PANEL-AUTO AIR CONDITIONER(DOP)&FRONT AIR CONDITIONER-AUTO(DOP - DEALERSHIP INSTALL)
FRONT AIR CONDITIONER-AUTO(DOP - DEALERSHIP INSTALL)
FRONT AIR CONDITIONER-MANUAL(DOP - DEALERSHIP INSTALL)
HEATER CONTROL PANEL-MANUAL HEATER OR *AIC(MANUAL(DOP))&FRONT AIR CONDITIONER-MANUAL(DOP - DEALERSHIP INSTALL)&SEAT COVER MATERIAL-FABRIC(HI)
main87106-0K210iKUN126..H;GUN126..6FC..KEN;KUN126..LHD..M..(SA,VN);GUN125..LHD..TDC..M..GEN;TGN126..M..(BZAGT,GCC,GEN);GUN125,126,KUN122,125..H..(GEN,PKN);GGN125,135,GUN13#,KUN13#,201505-202105
87050DDAMPER SERVO SUB-ASSY, AIR CONDITIONER RADIATOR, NO.2
HEATER CONTROL PANEL-MANUAL HEATER OR *AIC(MANUAL(DOP))&FRONT AIR CONDITIONER-MANUAL(DOP - DEALERSHIP INSTALL)&SEAT COVER MATERIAL-FABRIC(MLM)
sub87106-0K231
HEATER CONTROL PANEL-AUTO AIR CONDITIONER(DOP)&FRONT AIR CONDITIONER-AUTO(DOP - DEALERSHIP INSTALL)
sub87106-0K231
HEATER CONTROL PANEL-MANUAL HEATER OR *AIC(MANUAL(DOP))&FRONT AIR CONDITIONER-MANUAL(DOP - DEALERSHIP INSTALL)
sub87106-0K231
FRONT AIR CONDITIONER-MANUAL(DOP - DEALERSHIP INSTALL)
sub87106-0K231
HEATER CONTROL PANEL-MANUAL HEATER OR *AIC(MANUAL(DOP))&FRONT AIR CONDITIONER-MANUAL(DOP - DEALERSHIP INSTALL)&SEAT COVER MATERIAL-FABRIC(HI)
sub87106-0K231
sub87106-0K231
SEAT COVER MATERIAL-NATURAL LEATHER
sub87106-0K231
SEAT COVER MATERIAL-PERFORATED LEATHER(MLM)
sub87106-0K231
FRONT AIR CONDITIONER-AUTO(DOP - DEALERSHIP INSTALL)
sub87106-0K231
HEATER CONTROL PANEL-MANUAL HEATER OR *AIC(MANUAL(DOP))&FRONT AIR CONDITIONER-MANUAL(DOP - DEALERSHIP INSTALL)
FRONT AIR CONDITIONER-MANUAL(DOP - DEALERSHIP INSTALL)
SEAT COVER MATERIAL-NATURAL LEATHER
SEAT COVER MATERIAL-PERFORATED LEATHER(MLM)
HEATER CONTROL PANEL-MANUAL HEATER OR *AIC(MANUAL(DOP))&FRONT AIR CONDITIONER-MANUAL(DOP - DEALERSHIP INSTALL)&SEAT COVER MATERIAL-FABRIC(HI)
HEATER CONTROL PANEL-MANUAL HEATER OR *AIC(MANUAL(DOP))&FRONT AIR CONDITIONER-MANUAL(DOP - DEALERSHIP INSTALL)&SEAT COVER MATERIAL-FABRIC(MLM)
FRONT AIR CONDITIONER-AUTO
HEATER CONTROL PANEL-AUTO AIR CONDITIONER(DOP)&FRONT AIR CONDITIONER-AUTO(DOP - DEALERSHIP INSTALL)
FRONT AIR CONDITIONER-AUTO(DOP - DEALERSHIP INSTALL)
87050LSCREW(FOR AIR CONDITIONER RADIATOR)
main88718-0A020iGUN125..TSC..S..GCC;KUN122..L..GCC..CBU;KUN126..TDC..5FC..(L,X);KUN122,125..(TDC,TSC)..X;KUN122,125..TXT..(L,S)..GEN;KUN125..TDC..(L,S)..(GCC,LA);KUN125..RHD..TDC..201505-202005
FRONT AIR CONDITIONER-MANUAL(DOP - DEALERSHIP INSTALL)
MEXICO SPEC
AZERBAIJAN SPEC(EURO 4 REGULATION)
HEATER CONTROL PANEL-MANUAL HEATER OR *AIC(MANUAL(DOP))&FRONT AIR CONDITIONER-MANUAL(DOP - DEALERSHIP INSTALL)
HEATER CONTROL PANEL-AUTO AIR CONDITIONER(DOP)&FRONT AIR CONDITIONER-AUTO(DOP - DEALERSHIP INSTALL)
FRONT AIR CONDITIONER-AUTO(DOP - DEALERSHIP INSTALL)
main88718-0A020iGUN126,KUN126..LHD..H..GEN;GGN125,GUN13#,KUN13#,TGN121..LHD..TDC..(H,M);GUN122,125,126,KUN125,126,TGN126..(H,M)..(GCC,PH,TAIW,VN)201505-202005
KAZAKHSTAN SPEC(EURO 4 REGULATION)&FRONT AIR CONDITIONER-MANUAL(DOP - DEALERSHIP INSTALL)
main88718-0A020iGUN126,KUN126..LHD..H..GEN;GGN125,GUN13#,KUN13#,TGN121..LHD..TDC..(H,M);GUN122,125,126,KUN125,126,TGN126..(H,M)..(GCC,PH,TAIW,VN)201505-202005
TOYOTA STOP & START SYSTEM-WITH
main88718-0A020iGUN126,KUN126..LHD..H..GEN;GGN125,GUN13#,KUN13#,TGN121..LHD..TDC..(H,M);GUN122,125,126,KUN125,126,TGN126..(H,M)..(GCC,PH,TAIW,VN)201505-202005
FRONT AIR CONDITIONER-AUTO
main88718-0A020iGUN126,KUN126..LHD..H..GEN;GGN125,GUN13#,KUN13#,TGN121..LHD..TDC..(H,M);GUN122,125,126,KUN125,126,TGN126..(H,M)..(GCC,PH,TAIW,VN)201505-202005
HEATER CONTROL PANEL-MANUAL HEATER OR *AIC(MANUAL(DOP))&FRONT AIR CONDITIONER-MANUAL(DOP - DEALERSHIP INSTALL)&SEAT COVER MATERIAL-FABRIC(HI)
main88718-0A020iGUN126,KUN126..LHD..H..GEN;GGN125,GUN13#,KUN13#,TGN121..LHD..TDC..(H,M);GUN122,125,126,KUN125,126,TGN126..(H,M)..(GCC,PH,TAIW,VN)201505-202005
HEATER CONTROL PANEL-MANUAL HEATER OR *AIC(MANUAL(DOP))&FRONT AIR CONDITIONER-MANUAL(DOP - DEALERSHIP INSTALL)&SEAT COVER MATERIAL-FABRIC(MLM)
ASIA COLD COUNTRY SPEC
FRONT AIR CONDITIONER-MANUAL(DOP - PLANT INSTALL)
main90094-90426iTGN136..ADC..X..LA;GUN126..ADC..6FC..M..LA;GUN125,126,135,TGN126..(ADC,ASC)..(S,X)..LA201511-202010
FRONT AIR CONDITIONER-MANUAL(DOP - DEALERSHIP INSTALL)
87103BMOTOR SUB-ASSY, BLOWER W/FAN
TOYOTA STOP & START SYSTEM-WITH
main87103-0K380iGUN135..L..GEN;GUN135..(M,X)..(ARL,TH);GUN122,125,KUN125..M..(IDN,TH);GUN126..RHD..(H,L,M,S)..(ARL,GEN,TH);GUN122,125,KUN12#,TGN121,126..RHD..(ARL,GEN);GGN12#,GUN12201505-201907
FRONT AIR CONDITIONER-MANUAL(DOP - DEALERSHIP INSTALL)
sub87103-0K381
sub55607-KK030
FRONT AIR CONDITIONER-MANUAL(DOP - DEALERSHIP INSTALL)
HEATER CONTROL PANEL-MANUAL HEATER OR *AIC(MANUAL(DOP))&FRONT AIR CONDITIONER-MANUAL(DOP - PLANT INSTALL)
sub87103-0K391
sub55607-KK040
KAZAKHSTAN SPEC(EURO 4 REGULATION)&FRONT AIR CONDITIONER-MANUAL(DOP - DEALERSHIP INSTALL)
sub87103-0K391
sub55607-KK040
HEATER CONTROL PANEL-MANUAL AIR CONDITIONER&FRONT AIR CONDITIONER-MANUAL
sub87103-0K391
sub55607-KK040
FRONT AIR CONDITIONER-AUTO(DOP - DEALERSHIP INSTALL)
ASIA COLD COUNTRY SPEC
FRONT AIR CONDITIONER-MANUAL
ASIA COLD COUNTRY SPEC&FRONT AIR CONDITIONER-MANUAL
main87103-0K391iGUN126..TDC..6FC..M..LA;GUN126..TDC..6F..(S,X)..LA;GUN122..LHD..(L,X)..(GCC,GEN);GUN125..TDC..(L,S,X)..(GCC,LA);GUN125..LHD..(TSC,TXT)..(L,S,X);TGN126..(TDC,TSC)..(201907-202005
FRONT AIR CONDITIONER-MANUAL(DOP - DEALERSHIP INSTALL)
main87103-0K391iGUN125..LHD..(TSC,TXT);GUN126,TGN126..LHD..TDC..M..(GEN,LA);GUN112,122,TGN11#,120,136..LHD..(GCC,GEN);GUN125..LHD..TDC..(L,S,X)..(GCC,GEN,LA,VN);GUN126,135,TGN121,1201907-202005
KAZAKHSTAN SPEC(EURO 4 REGULATION)&FRONT AIR CONDITIONER-MANUAL(DOP - DEALERSHIP INSTALL)
main87103-0K391iGUN125..LHD..(TSC,TXT);GUN126,TGN126..LHD..TDC..M..(GEN,LA);GUN112,122,TGN11#,120,136..LHD..(GCC,GEN);GUN125..LHD..TDC..(L,S,X)..(GCC,GEN,LA,VN);GUN126,135,TGN121,1201907-202005
HEATER CONTROL PANEL-MANUAL HEATER OR *AIC(MANUAL(DOP))&FRONT AIR CONDITIONER-MANUAL(DOP - PLANT INSTALL)
main87103-0K391iGUN125..LHD..(TSC,TXT);GUN126,TGN126..LHD..TDC..M..(GEN,LA);GUN112,122,TGN11#,120,136..LHD..(GCC,GEN);GUN125..LHD..TDC..(L,S,X)..(GCC,GEN,LA,VN);GUN126,135,TGN121,1201907-202005
HEATER CONTROL PANEL-MANUAL AIR CONDITIONER&FRONT AIR CONDITIONER-MANUAL
FRONT AIR CONDITIONER-MANUAL(DOP - DEALERSHIP INSTALL)
HEATER CONTROL PANEL-MANUAL HEATER OR *AIC(MANUAL(DOP))&FRONT AIR CONDITIONER-MANUAL(DOP - DEALERSHIP INSTALL)&SEAT COVER MATERIAL-FABRIC(HI)
HEATER CONTROL PANEL-MANUAL HEATER OR *AIC(MANUAL(DOP))&FRONT AIR CONDITIONER-MANUAL(DOP - DEALERSHIP INSTALL)&SEAT COVER MATERIAL-FABRIC(MLM)
HEATER CONTROL PANEL-MANUAL HEATER OR *AIC(MANUAL(DOP))&FRONT AIR CONDITIONER-MANUAL(DOP - DEALERSHIP INSTALL)
FRONT AIR CONDITIONER-AUTO
SEAT COVER MATERIAL-PERFORATED LEATHER(MLM)
SEAT COVER MATERIAL-NATURAL LEATHER
HEATER CONTROL PANEL-AUTO AIR CONDITIONER(DOP)&FRONT AIR CONDITIONER-AUTO(DOP - DEALERSHIP INSTALL)
FRONT AIR CONDITIONER-AUTO(DOP - DEALERSHIP INSTALL)
main87103-0K460iGUN126..ADC..6FC..M..LA;GUN125,126,135,KUN125,126,135,TGN126,136..(ADC,ASC)..(S,X)..LA201511-201907
FRONT AIR CONDITIONER-MANUAL(DOP - DEALERSHIP INSTALL)
sub87103-0K461
sub55607-KK040
main87103-0K461iGUN126,136..ADC..M..LA;GUN125,135,TGN126,136..ADC,ASC;GUN126,136,TGN138..(ADC,ASC)..(L,S,X)201907-202010
FRONT AIR CONDITIONER-MANUAL(DOP - DEALERSHIP INSTALL)
main87103-0K490iTGN136..SDC;GGN125,135,GUN122,125,126,13#,KUN12#,135,TGN120..RHD..(KEN,SA)201601-201912
sub87103-0K491
sub55607-KK030
sub87103-0K501
sub55607-KK040
FRONT AIR CONDITIONER-AUTO
87107AUNIT SUB-ASSY, HEATER RADIATOR
FRONT AIR CONDITIONER-AUTO
main87107-0K110iGUN122..M;GUN126..TDC..X;TGN121..LHD..L..CBU;TGN126..(TDC,TSC)..CBU;TGN121..(M,S,X)..(ARL,GCC,GEN);GUN122..(L,S,X)..(ARL,GCC,GEN);GUN135..(TDC,TSC,TXT)..(H,M,X);GUN201505-202005
KAZAKHSTAN SPEC(EURO 4 REGULATION)&FRONT AIR CONDITIONER-MANUAL(DOP - DEALERSHIP INSTALL)
main87107-0K110iGUN122..M;GUN126..TDC..X;TGN121..LHD..L..CBU;TGN126..(TDC,TSC)..CBU;TGN121..(M,S,X)..(ARL,GCC,GEN);GUN122..(L,S,X)..(ARL,GCC,GEN);GUN135..(TDC,TSC,TXT)..(H,M,X);GUN201505-202005
HEATER CONTROL PANEL-MANUAL HEATER OR *AIC(MANUAL(DOP))&FRONT AIR CONDITIONER-MANUAL(DOP - DEALERSHIP INSTALL)
main87107-0K110iGUN122..M;GUN126..TDC..X;TGN121..LHD..L..CBU;TGN126..(TDC,TSC)..CBU;TGN121..(M,S,X)..(ARL,GCC,GEN);GUN122..(L,S,X)..(ARL,GCC,GEN);GUN135..(TDC,TSC,TXT)..(H,M,X);GUN201505-202005
FRONT AIR CONDITIONER-MANUAL(DOP - DEALERSHIP INSTALL)
main87107-0K110iGUN122..M;GUN126..TDC..X;TGN121..LHD..L..CBU;TGN126..(TDC,TSC)..CBU;TGN121..(M,S,X)..(ARL,GCC,GEN);GUN122..(L,S,X)..(ARL,GCC,GEN);GUN135..(TDC,TSC,TXT)..(H,M,X);GUN201505-202005
FRONT AIR CONDITIONER-AUTO(DOP - DEALERSHIP INSTALL)
main87107-0K110iGUN122..M;GUN126..TDC..X;TGN121..LHD..L..CBU;TGN126..(TDC,TSC)..CBU;TGN121..(M,S,X)..(ARL,GCC,GEN);GUN122..(L,S,X)..(ARL,GCC,GEN);GUN135..(TDC,TSC,TXT)..(H,M,X);GUN201505-202005
HEATER CONTROL PANEL-MANUAL HEATER OR *AIC(MANUAL(DOP))&FRONT AIR CONDITIONER-MANUAL(DOP - DEALERSHIP INSTALL)&SEAT COVER MATERIAL-FABRIC(HI)
main87107-0K110iGUN122..M;GUN126..TDC..X;TGN121..LHD..L..CBU;TGN126..(TDC,TSC)..CBU;TGN121..(M,S,X)..(ARL,GCC,GEN);GUN122..(L,S,X)..(ARL,GCC,GEN);GUN135..(TDC,TSC,TXT)..(H,M,X);GUN201505-202005
HEATER CONTROL PANEL-MANUAL HEATER OR *AIC(MANUAL(DOP))&FRONT AIR CONDITIONER-MANUAL(DOP - DEALERSHIP INSTALL)&SEAT COVER MATERIAL-FABRIC(MLM)
HEATER CONTROL PANEL-AUTO AIR CONDITIONER(DOP)&FRONT AIR CONDITIONER-AUTO(DOP - DEALERSHIP INSTALL)
main87107-0K150iTGN136..ADC..X..LA;GUN126..ADC..6FC..M..LA;GUN125,126,135,TGN126..(ADC,ASC)..(S,X)..LA201511-202010
FRONT AIR CONDITIONER-MANUAL(DOP - DEALERSHIP INSTALL)
FRONT AIR CONDITIONER-AUTO
87114BCOVER, HEATER
AZERBAIJAN SPEC(EURO 4 REGULATION)
main87114-0K050iTGN136..SDC;GGN125,135,GUN122,125,126,13#,KUN12#,135,LAN125,TGN120,121,126..KEN,SA201601-202102
87124BCLAMP, HEATER
HEATER CONTROL PANEL-MANUAL HEATER OR *AIC(MANUAL(DOP))&FRONT AIR CONDITIONER-MANUAL(DOP - DEALERSHIP INSTALL)&SEAT COVER MATERIAL-FABRIC(HI)
FRONT AIR CONDITIONER-AUTO
HEATER CONTROL PANEL-MANUAL HEATER OR *AIC(MANUAL(DOP))&FRONT AIR CONDITIONER-MANUAL(DOP - DEALERSHIP INSTALL)
FRONT AIR CONDITIONER-MANUAL(DOP - DEALERSHIP INSTALL)
HEATER CONTROL PANEL-AUTO AIR CONDITIONER(DOP)&FRONT AIR CONDITIONER-AUTO(DOP - DEALERSHIP INSTALL)
FRONT AIR CONDITIONER-AUTO(DOP - DEALERSHIP INSTALL)
KAZAKHSTAN SPEC(EURO 4 REGULATION)&FRONT AIR CONDITIONER-MANUAL(DOP - DEALERSHIP INSTALL)
HEATER CONTROL PANEL-MANUAL HEATER OR *AIC(MANUAL(DOP))&FRONT AIR CONDITIONER-MANUAL(DOP - DEALERSHIP INSTALL)&SEAT COVER MATERIAL-FABRIC(MLM)
main87124-06140iGUN122..M;GUN126..TDC..X;TGN121..LHD..L..CBU;GUN125,KUN125..M..IDN;TGN126..(TDC,TSC)..CBU;GUN135..(TDC,TSC,TXT)..(H,M,X);TGN121..(M,S,X)..(ARL,GCC,GEN);GUN135..TDC.201505-202105
FRONT AIR CONDITIONER-MANUAL(DOP - DEALERSHIP INSTALL)
87128GROMMET, HEATER
TOYOTA STOP & START SYSTEM-WITH
HEATER CONTROL PANEL-AUTO AIR CONDITIONER(DOP)&FRONT AIR CONDITIONER-AUTO(DOP - DEALERSHIP INSTALL)
main87128-0K180iGUN125..L..GCC;TGN121..GEN..IV3;GUN126..TDC..6FC..M..LA;GUN126..TDC..6F..(S,X)..LA;GUN125..TDC..(S,X)..(GCC,LA);GUN122..LHD..(L,X)..DCR..(GCC,GEN);GUN122,135..(TDC,201505-202005
HEATER CONTROL PANEL-MANUAL HEATER OR *AIC(MANUAL(DOP))&FRONT AIR CONDITIONER-MANUAL(DOP - DEALERSHIP INSTALL)
main87128-0K180iGUN125..L..GCC;TGN121..GEN..IV3;GUN126..TDC..6FC..M..LA;GUN126..TDC..6F..(S,X)..LA;GUN125..TDC..(S,X)..(GCC,LA);GUN122..LHD..(L,X)..DCR..(GCC,GEN);GUN122,135..(TDC,201505-202005
FRONT AIR CONDITIONER-MANUAL(DOP - DEALERSHIP INSTALL)
FRONT AIR CONDITIONER-AUTO(DOP - DEALERSHIP INSTALL)
KAZAKHSTAN SPEC(EURO 4 REGULATION)&FRONT AIR CONDITIONER-MANUAL(DOP - DEALERSHIP INSTALL)
HEATER CONTROL PANEL-MANUAL HEATER OR *AIC(MANUAL(DOP))&FRONT AIR CONDITIONER-MANUAL(DOP - DEALERSHIP INSTALL)&SEAT COVER MATERIAL-FABRIC(HI)
HEATER CONTROL PANEL-MANUAL HEATER OR *AIC(MANUAL(DOP))&FRONT AIR CONDITIONER-MANUAL(DOP - DEALERSHIP INSTALL)&SEAT COVER MATERIAL-FABRIC(MLM)
main87128-0K180iGUN122..M;GUN126..TDC..X;TGN121..LHD..L..CBU;GUN125,KUN125..M..IDN;TGN126..(TDC,TSC)..CBU;GUN135..(TDC,TSC,TXT)..(H,M,X);TGN121..(M,S,X)..(ARL,GCC,GEN);GUN135..TDC.201505-202105
FRONT AIR CONDITIONER-MANUAL(DOP - DEALERSHIP INSTALL)
FRONT AIR CONDITIONER-AUTO
87130DBLOWER ASSY
TOYOTA STOP & START SYSTEM-WITH
main87130-0K560iGUN126..RHD..M..GEN;GUN125,KUN12#..RHD..(L,M,S,X)..(ARL,GEN);GGN12#,GUN122,123,126,13#,KUN136,TGN121,126..RHD..(L,S,X)..(ARL,GEN)201505-201907
FRONT AIR CONDITIONER-MANUAL(DOP - DEALERSHIP INSTALL)
sub87130-0K561
sub55607-KK030
main87130-0K561iGUN126..RHD..M..GEN;GUN126,136..S..(ARL,GEN);GUN122,125,135,TGN121..RHD..(L,M,S,X)..(ARL,GEN)201907-202005
FRONT AIR CONDITIONER-MANUAL(DOP - DEALERSHIP INSTALL)
HEATER CONTROL PANEL-MANUAL AIR CONDITIONER&FRONT AIR CONDITIONER-MANUAL
sub87130-0K581
sub55607-KK040
main87130-0K580iTGN121..GEN..IV3;TGN126..TDC..M..LA;GUN126..LHD..TDC..M..(GEN,LA);GUN122,KUN125..TDC..(L,S)..GCC;GUN122,125..LHD..(TSC,TXT)..CBU;KUN122,TGN136..LHD..(TDC,TSC,TXT);K201505-201907
KAZAKHSTAN SPEC(EURO 4 REGULATION)&FRONT AIR CONDITIONER-MANUAL(DOP - DEALERSHIP INSTALL)
sub87130-0K581
sub55607-KK040
main87130-0K580iTGN121..GEN..IV3;TGN126..TDC..M..LA;GUN126..LHD..TDC..M..(GEN,LA);GUN122,KUN125..TDC..(L,S)..GCC;GUN122,125..LHD..(TSC,TXT)..CBU;KUN122,TGN136..LHD..(TDC,TSC,TXT);K201505-201907
HEATER CONTROL PANEL-MANUAL HEATER OR *AIC(MANUAL(DOP))&FRONT AIR CONDITIONER-MANUAL(DOP - PLANT INSTALL)
sub87130-0K581
sub55607-KK040
main87130-0K580iTGN121..GEN..IV3;TGN126..TDC..M..LA;GUN126..LHD..TDC..M..(GEN,LA);GUN122,KUN125..TDC..(L,S)..GCC;GUN122,125..LHD..(TSC,TXT)..CBU;KUN122,TGN136..LHD..(TDC,TSC,TXT);K201505-201907
FRONT AIR CONDITIONER-MANUAL(DOP - DEALERSHIP INSTALL)
sub87130-0K581
sub55607-KK040
main87130-0K580iTGN121..GEN..IV3;TGN126..TDC..M..LA;GUN126..LHD..TDC..M..(GEN,LA);GUN122,KUN125..TDC..(L,S)..GCC;GUN122,125..LHD..(TSC,TXT)..CBU;KUN122,TGN136..LHD..(TDC,TSC,TXT);K201505-201907
FRONT AIR CONDITIONER-AUTO(DOP - DEALERSHIP INSTALL)
sub87130-0K581
sub55607-KK040
FRONT AIR CONDITIONER-MANUAL
ASIA COLD COUNTRY SPEC&FRONT AIR CONDITIONER-MANUAL
HEATER CONTROL PANEL-MANUAL AIR CONDITIONER&FRONT AIR CONDITIONER-MANUAL
KAZAKHSTAN SPEC(EURO 4 REGULATION)&FRONT AIR CONDITIONER-MANUAL(DOP - DEALERSHIP INSTALL)
HEATER CONTROL PANEL-MANUAL HEATER OR *AIC(MANUAL(DOP))&FRONT AIR CONDITIONER-MANUAL(DOP - PLANT INSTALL)
FRONT AIR CONDITIONER-MANUAL(DOP - DEALERSHIP INSTALL)
FRONT AIR CONDITIONER-AUTO(DOP - DEALERSHIP INSTALL)
main87130-0K620iGUN125,126,KUN12#..RHD..H..GEN;GGN125,GUN122,125,126,13#,KUN125..(H,M)..(ARL,IDN,TH)201505-201907
FRONT AIR CONDITIONER-AUTO
sub87130-0K621
sub55607-KK030
FRONT AIR CONDITIONER-AUTO
main87130-0K630iGUN126,KUN126..M..(PH,VN);GUN125,13#,KUN136..LHD..TDC..M..(GEN,LA,PH,VN)201505-201908
FRONT AIR CONDITIONER-MANUAL(DOP - DEALERSHIP INSTALL)
sub87130-0K631
sub55607-KK040
main87130-0K630iKUN126..TDC..M..LA;KUN126..LHD..5FC..M..GEN;GUN126,TGN126,136..TDC..(5F,6FC)..M..LA201505-201908
FRONT AIR CONDITIONER-AUTO
sub87130-0K631
sub55607-KK040
FRONT AIR CONDITIONER-AUTO
FRONT AIR CONDITIONER-MANUAL(DOP - DEALERSHIP INSTALL)
ASIA COLD COUNTRY SPEC
main87130-0K640iGUN126,KUN126..LHD..TDC..H;GUN122,125,126,KUN125,TGN126..M..(GCC,TAIW);GGN125,GUN135,KUN135,TGN121..(H,M)..(GCC,GEN)201505-202005
HEATER CONTROL PANEL-MANUAL HEATER OR *AIC(MANUAL(DOP))&FRONT AIR CONDITIONER-MANUAL(DOP - DEALERSHIP INSTALL)&SEAT COVER MATERIAL-FABRIC(HI)
main87130-0K640iGUN126,KUN126..LHD..TDC..H;GUN122,125,126,KUN125,TGN126..M..(GCC,TAIW);GGN125,GUN135,KUN135,TGN121..(H,M)..(GCC,GEN)201505-202005
HEATER CONTROL PANEL-MANUAL HEATER OR *AIC(MANUAL(DOP))&FRONT AIR CONDITIONER-MANUAL(DOP - DEALERSHIP INSTALL)&SEAT COVER MATERIAL-FABRIC(MLM)
HEATER CONTROL PANEL-MANUAL HEATER OR *AIC(MANUAL(DOP))&FRONT AIR CONDITIONER-MANUAL(DOP - DEALERSHIP INSTALL)
FRONT AIR CONDITIONER-MANUAL(DOP - DEALERSHIP INSTALL)
SEAT COVER MATERIAL-NATURAL LEATHER
SEAT COVER MATERIAL-PERFORATED LEATHER(MLM)
FRONT AIR CONDITIONER-AUTO
HEATER CONTROL PANEL-AUTO AIR CONDITIONER(DOP)&FRONT AIR CONDITIONER-AUTO(DOP - DEALERSHIP INSTALL)
FRONT AIR CONDITIONER-AUTO(DOP - DEALERSHIP INSTALL)
main87130-0K710iTGN136..X..BZAGT;GUN126..ADC..M..LA;TGN126,136..(ADC,ASC)..LA;GUN125,135,KUN125,126,135..ADC,ASC;GUN126,136,TGN138..(ADC,ASC)..(L,S,X)201511-201907
FRONT AIR CONDITIONER-MANUAL(DOP - DEALERSHIP INSTALL)
sub87130-0K711
sub55607-KK040
FRONT AIR CONDITIONER-MANUAL(DOP - DEALERSHIP INSTALL)
FRONT AIR CONDITIONER-AUTO
sub87130-0K761
sub55607-KK040
FRONT AIR CONDITIONER-MANUAL
main87130-0K791iGUN136..SSC,SXT;GUN126..(SSC,SXT)..6FC;GUN126..(KDC,SSC,SXT)..6F..M;GUN122,125,126,13#,TGN120,136..RHD..(S,X)..(KEN,SA)201912-202102
FRONT AIR CONDITIONER-AUTO
FRONT AIR CONDITIONER-AUTO
87130KDAMPER SERVO SUB-ASSY, BLOWER, NO.1
main87106-0K240iKUN126,TGN126..M..LA;KUN126..LHD..5FC..M..GEN;GUN126,136,TGN138..S..(HTWCF,IART);GUN126,TGN136..LHD..(5F,6FC)..M..(GEN,LA)201505-201912
FRONT AIR CONDITIONER-AUTO
sub87106-0K241
main87106-0K240iGUN126..LHD..H..GEN;GUN135,TGN126..(H,M)..(GCC,GEN,PH,VN);GUN126..6F..(H,M)..HDCR..(BZAGT,GCC,PH);GUN126,TGN138..6FC..(H,M)..(BZAGT,GCC,PH,TAIW,VN);GGN125,GUN125,13201505-201912
HEATER CONTROL PANEL-MANUAL HEATER OR *AIC(MANUAL(DOP))&FRONT AIR CONDITIONER-MANUAL(DOP - DEALERSHIP INSTALL)
sub87106-0K241
main87106-0K240iGUN126..LHD..H..GEN;GUN135,TGN126..(H,M)..(GCC,GEN,PH,VN);GUN126..6F..(H,M)..HDCR..(BZAGT,GCC,PH);GUN126,TGN138..6FC..(H,M)..(BZAGT,GCC,PH,TAIW,VN);GGN125,GUN125,13201505-201912
FRONT AIR CONDITIONER-MANUAL(DOP - DEALERSHIP INSTALL)
sub87106-0K241
main87106-0K240iGUN126..LHD..H..GEN;GUN135,TGN126..(H,M)..(GCC,GEN,PH,VN);GUN126..6F..(H,M)..HDCR..(BZAGT,GCC,PH);GUN126,TGN138..6FC..(H,M)..(BZAGT,GCC,PH,TAIW,VN);GGN125,GUN125,13201505-201912
HEATER CONTROL PANEL-MANUAL HEATER OR *AIC(MANUAL(DOP))&FRONT AIR CONDITIONER-MANUAL(DOP - DEALERSHIP INSTALL)&SEAT COVER MATERIAL-FABRIC(HI)
sub87106-0K241
main87106-0K240iGUN126..LHD..H..GEN;GUN135,TGN126..(H,M)..(GCC,GEN,PH,VN);GUN126..6F..(H,M)..HDCR..(BZAGT,GCC,PH);GUN126,TGN138..6FC..(H,M)..(BZAGT,GCC,PH,TAIW,VN);GGN125,GUN125,13201505-201912
HEATER CONTROL PANEL-MANUAL HEATER OR *AIC(MANUAL(DOP))&FRONT AIR CONDITIONER-MANUAL(DOP - DEALERSHIP INSTALL)&SEAT COVER MATERIAL-FABRIC(MLM)
sub87106-0K241
main87106-0K240iGUN126..LHD..H..GEN;GUN135,TGN126..(H,M)..(GCC,GEN,PH,VN);GUN126..6F..(H,M)..HDCR..(BZAGT,GCC,PH);GUN126,TGN138..6FC..(H,M)..(BZAGT,GCC,PH,TAIW,VN);GGN125,GUN125,13201505-201912
HEATER CONTROL PANEL-AUTO AIR CONDITIONER(DOP)&FRONT AIR CONDITIONER-AUTO(DOP - DEALERSHIP INSTALL)
sub87106-0K241
FRONT AIR CONDITIONER-AUTO(DOP - DEALERSHIP INSTALL)
sub87106-0K241
main87106-0K240iKUN126..LHD..H..GEN;GUN126..LHD..M..(SA,VN);GUN122,KUN125..M..(GCC,SA);GUN126,KUN13#,TGN138..MTM..(H,M)..(DCR,HTWCF,IART);GUN125,KUN126,TGN126,136..LHD..(H,M)..(BZA201505-202001
sub87106-0K241
HEATER CONTROL PANEL-MANUAL HEATER OR *AIC(MANUAL(DOP))&FRONT AIR CONDITIONER-MANUAL(DOP - DEALERSHIP INSTALL)&SEAT COVER MATERIAL-FABRIC(HI)
HEATER CONTROL PANEL-MANUAL HEATER OR *AIC(MANUAL(DOP))&FRONT AIR CONDITIONER-MANUAL(DOP - DEALERSHIP INSTALL)
HEATER CONTROL PANEL-MANUAL HEATER OR *AIC(MANUAL(DOP))&FRONT AIR CONDITIONER-MANUAL(DOP - DEALERSHIP INSTALL)&SEAT COVER MATERIAL-FABRIC(MLM)
FRONT AIR CONDITIONER-MANUAL(DOP - DEALERSHIP INSTALL)
main87106-0K241iGUN126,TGN126..M..LA;GUN126..LHD..6FC..M..GEN;GUN126,TGN138..S..(HTWCF,IART)202001-202010
FRONT AIR CONDITIONER-AUTO
main87106-0K250iKUN126..RHD..SA;GUN135..6FC..S..MA;KUN126..RHD..5FC..M..GEN;GUN126,136,KUN125..(SSC,SXT,TSC)..M201505-202001
FRONT AIR CONDITIONER-AUTO
sub87106-0K251
main87106-0K251iGUN126..6FC..KEN;GUN125,126..RHD..H..(GEN,PKN);GGN125,GUN125,126,13#..RHD..(SDC,TDC,TXT)..(H,M)..(ARL,IDN,SA,TH)202001-202105
FRONT AIR CONDITIONER-AUTO
87130MSCREW(FOR BLOWER)
HEATER CONTROL PANEL-MANUAL HEATER OR *AIC(MANUAL(DOP))&FRONT AIR CONDITIONER-MANUAL(DOP - DEALERSHIP INSTALL)&SEAT COVER MATERIAL-FABRIC(MLM)
HEATER CONTROL PANEL-MANUAL HEATER OR *AIC(MANUAL(DOP))&FRONT AIR CONDITIONER-MANUAL(DOP - DEALERSHIP INSTALL)&SEAT COVER MATERIAL-FABRIC(HI)
FRONT AIR CONDITIONER-MANUAL(DOP - DEALERSHIP INSTALL)
HEATER CONTROL PANEL-MANUAL HEATER OR *AIC(MANUAL(DOP))&FRONT AIR CONDITIONER-MANUAL(DOP - DEALERSHIP INSTALL)
SEAT COVER MATERIAL-NATURAL LEATHER
FRONT AIR CONDITIONER-AUTO(DOP - DEALERSHIP INSTALL)
HEATER CONTROL PANEL-AUTO AIR CONDITIONER(DOP)&FRONT AIR CONDITIONER-AUTO(DOP - DEALERSHIP INSTALL)
FRONT AIR CONDITIONER-AUTO
TOYOTA STOP & START SYSTEM-WITH
KAZAKHSTAN SPEC(EURO 4 REGULATION)&FRONT AIR CONDITIONER-MANUAL(DOP - DEALERSHIP INSTALL)
SEAT COVER MATERIAL-PERFORATED LEATHER(MLM)
HEATER CONTROL PANEL-MANUAL AIR CONDITIONER&FRONT AIR CONDITIONER-MANUAL
ASIA COLD COUNTRY SPEC
FRONT AIR CONDITIONER-AUTO
KAZAKHSTAN SPEC(EURO 4 REGULATION)&FRONT AIR CONDITIONER-MANUAL(DOP - DEALERSHIP INSTALL)
TOYOTA STOP & START SYSTEM-WITH
HEATER CONTROL PANEL-MANUAL HEATER OR *AIC(MANUAL(DOP))&FRONT AIR CONDITIONER-MANUAL(DOP - PLANT INSTALL)
FRONT AIR CONDITIONER-MANUAL
FRONT AIR CONDITIONER-MANUAL(DOP - DEALERSHIP INSTALL)
FRONT AIR CONDITIONER-AUTO(DOP - DEALERSHIP INSTALL)
ASIA COLD COUNTRY SPEC&FRONT AIR CONDITIONER-MANUAL
main90094-90426iTGN136..X..LA;GUN126..ADC..6FC..M..LA;GUN125,126,135,TGN126..(ADC,ASC)..(S,X)..LA201907-202010
FRONT AIR CONDITIONER-MANUAL(DOP - DEALERSHIP INSTALL)
87139DELEMENT, AIR REFINER
main87139-0K060iGUN122..5F..M..TH;GUN122..(L,S,X)..(PH,TH);GUN112,120,123,125,126,13#,KUN112,125,TGN110,121,136..IDN,PH,TH201505-202005
POLLEN FILTER
main87139-0K070iTGN121..LHD..L..CBU;TGN126..(TDC,TSC)..CBU;GGN12#,TGN121..(M,S,X)..(ARL,GCC,GEN);GUN112,122,123,125,126,13#,KUN112,12#,13#,TGN11#,120,136..(PDC,PSC,TDC,TSC,TXT)..(A201505-202105
POLLEN FILTER
POLLEN FILTER
POLLEN FILTER
POLLEN FILTER
DEODORANT FILTER
87165CCONTROL, BLOWER MOTOR
FRONT AIR CONDITIONER-MANUAL(DOP - DEALERSHIP INSTALL)
FRONT AIR CONDITIONER-AUTO
main87165-0K060iGUN126..6FC..KEN;GUN125,TGN126..LHD..TDC..M..GEN;GUN125,126,KUN12#..RHD..H..(GEN,PKN);GUN126,KUN126..LHD..(5FC,6F)..M..(SA,VN);GUN126..(SDC,TDC,TXT)..(H,M)..(ARL,PH201505-202105
87710GQUICK HEATER ASSY
KAZAKHSTAN SPEC(EURO 4 REGULATION)
KAZAKHSTAN SPEC(EURO 2 REGULATION)
ASIA COLD COUNTRY SPEC
88501EVAPORATOR SUB-ASSY, COOLER, NO.1
FRONT AIR CONDITIONER-AUTO(DOP - DEALERSHIP INSTALL)
HEATER CONTROL PANEL-MANUAL HEATER OR *AIC(MANUAL(DOP))&FRONT AIR CONDITIONER-MANUAL(DOP - DEALERSHIP INSTALL)
HEATER CONTROL PANEL-AUTO AIR CONDITIONER(DOP)&FRONT AIR CONDITIONER-AUTO(DOP - DEALERSHIP INSTALL)
HEATER CONTROL PANEL-MANUAL HEATER OR *AIC(MANUAL(DOP))&FRONT AIR CONDITIONER-MANUAL(DOP - DEALERSHIP INSTALL)&SEAT COVER MATERIAL-FABRIC(HI)
main88501-0K320iGUN126..6F..H..TH;GUN126..RHD..H..GEN;GUN126..RHD..(L,M,S,X)..(ARL,GEN,TH);GGN12#,GUN112,120,122,123,125,13#,KUN112,12#,136,TGN110,121,126,136..RHD..(TDC,TSC,TXT)201505-202005
TOYOTA STOP & START SYSTEM-WITH
main88501-0K320iGUN126..6F..H..TH;GUN126..RHD..H..GEN;GUN126..RHD..(L,M,S,X)..(ARL,GEN,TH);GGN12#,GUN112,120,122,123,125,13#,KUN112,12#,136,TGN110,121,126,136..RHD..(TDC,TSC,TXT)201505-202005
FRONT AIR CONDITIONER-MANUAL(DOP - DEALERSHIP INSTALL)
SEAT COVER MATERIAL-PERFORATED LEATHER(MLM)
SEAT COVER MATERIAL-NATURAL LEATHER
FRONT AIR CONDITIONER-AUTO
HEATER CONTROL PANEL-MANUAL HEATER OR *AIC(MANUAL(DOP))&FRONT AIR CONDITIONER-MANUAL(DOP - DEALERSHIP INSTALL)&SEAT COVER MATERIAL-FABRIC(MLM)
TOYOTA STOP & START SYSTEM-WITH
HEATER CONTROL PANEL-AUTO AIR CONDITIONER(DOP)&FRONT AIR CONDITIONER-AUTO(DOP - DEALERSHIP INSTALL)
main88501-0K390iGUN126..LHD..TDC..H;GUN125,126,TGN126..M..(GCC,TAIW);GGN125,GUN135,TGN121..(H,M)..(GCC,GEN)201505-201910
HEATER CONTROL PANEL-MANUAL HEATER OR *AIC(MANUAL(DOP))&FRONT AIR CONDITIONER-MANUAL(DOP - DEALERSHIP INSTALL)
main88501-0K390iGUN126..LHD..TDC..H;GUN125,126,TGN126..M..(GCC,TAIW);GGN125,GUN135,TGN121..(H,M)..(GCC,GEN)201505-202005
FRONT AIR CONDITIONER-MANUAL(DOP - DEALERSHIP INSTALL)
main88501-0K390iGUN126..LHD..TDC..H;GUN125,126,TGN126..M..(GCC,TAIW);GGN125,GUN135,TGN121..(H,M)..(GCC,GEN)201505-201910
HEATER CONTROL PANEL-MANUAL HEATER OR *AIC(MANUAL(DOP))&FRONT AIR CONDITIONER-MANUAL(DOP - DEALERSHIP INSTALL)&SEAT COVER MATERIAL-FABRIC(HI)
main88501-0K390iGUN126..LHD..TDC..H;GUN125,126,TGN126..M..(GCC,TAIW);GGN125,GUN135,TGN121..(H,M)..(GCC,GEN)201505-201910
HEATER CONTROL PANEL-MANUAL HEATER OR *AIC(MANUAL(DOP))&FRONT AIR CONDITIONER-MANUAL(DOP - DEALERSHIP INSTALL)&SEAT COVER MATERIAL-FABRIC(MLM)
FRONT AIR CONDITIONER-AUTO(DOP - DEALERSHIP INSTALL)
main88501-0K390iTGN121..GEN..IV3;GUN125..LHD..(TSC,TXT);GUN125..LHD..TDC..(L,S,X);GUN135..(TDC,TSC)..(LA,PH,VN);GUN125,126,TGN126..LHD..TDC..M..(GEN,LA,PH,VN);GUN126,TGN121,126..LH201505-202005
KAZAKHSTAN SPEC(EURO 4 REGULATION)&FRONT AIR CONDITIONER-MANUAL(DOP - DEALERSHIP INSTALL)
HEATER CONTROL PANEL-MANUAL HEATER OR *AIC(MANUAL(DOP))&FRONT AIR CONDITIONER-MANUAL(DOP - PLANT INSTALL)
HEATER CONTROL PANEL-MANUAL AIR CONDITIONER&FRONT AIR CONDITIONER-MANUAL
FRONT AIR CONDITIONER-MANUAL
main88501-0K430iTGN136..SDC;GUN125,135..X..KEN;GGN125,135,GUN125,126,13#,KUN125,126,135..RHD..(M,S)..(KEN,SA)201601-202102
FRONT AIR CONDITIONER-MANUAL(DOP - DEALERSHIP INSTALL)
88515VALVE, COOLER EXPANSION
HEATER CONTROL PANEL-MANUAL HEATER OR *AIC(MANUAL(DOP))&FRONT AIR CONDITIONER-MANUAL(DOP - DEALERSHIP INSTALL)
FRONT AIR CONDITIONER-AUTO(DOP - DEALERSHIP INSTALL)
HEATER CONTROL PANEL-MANUAL HEATER OR *AIC(MANUAL(DOP))&FRONT AIR CONDITIONER-MANUAL(DOP - DEALERSHIP INSTALL)&SEAT COVER MATERIAL-FABRIC(HI)
HEATER CONTROL PANEL-MANUAL HEATER OR *AIC(MANUAL(DOP))&FRONT AIR CONDITIONER-MANUAL(DOP - DEALERSHIP INSTALL)&SEAT COVER MATERIAL-FABRIC(MLM)
KAZAKHSTAN SPEC(EURO 4 REGULATION)&FRONT AIR CONDITIONER-MANUAL(DOP - DEALERSHIP INSTALL)
TOYOTA STOP & START SYSTEM-WITH
FRONT AIR CONDITIONER-MANUAL
main88515-0K580iTGN136..ADC..S;KUN126..5FC..(L,X);GUN125..TSC..S..GCC;KUN122..L..GCC..CBU;KUN122,125..X..(GEN,LA);KUN125..(L,S)..(GCC,LA);GUN125..LHD..TDC..S..GEN;KUN122,125..TXT..201505-202010
FRONT AIR CONDITIONER-MANUAL(DOP - DEALERSHIP INSTALL)
main88515-0K580iTGN121..M,S,X;TGN121..L..CBU;GUN125..(M,S)..SA;GUN126..6F..H..TH;KUN125..SDC..(M,S);GUN135..(SDC,SSC)..S;GUN122,KUN122..LHD..SSC;GUN125,135,KUN125..LHD..X..SA;GUN12201505-202105
HEATER CONTROL PANEL-AUTO AIR CONDITIONER(DOP)&FRONT AIR CONDITIONER-AUTO(DOP - DEALERSHIP INSTALL)
TOYOTA STOP & START SYSTEM-WITH
88515FBOLT(FOR COOLER EXPANSION VALVE)
FRONT AIR CONDITIONER-MANUAL(DOP - DEALERSHIP INSTALL)
FRONT AIR CONDITIONER-MANUAL(DOP - DEALERSHIP INSTALL)
FRONT AIR CONDITIONER-AUTO(DOP - DEALERSHIP INSTALL)
KAZAKHSTAN SPEC(EURO 4 REGULATION)&FRONT AIR CONDITIONER-MANUAL(DOP - DEALERSHIP INSTALL)
FRONT AIR CONDITIONER-MANUAL(DOP - PLANT INSTALL)
HEATER CONTROL PANEL-MANUAL HEATER OR *AIC(MANUAL(DOP))&FRONT AIR CONDITIONER-MANUAL(DOP - DEALERSHIP INSTALL)&SEAT COVER MATERIAL-FABRIC(HI)
HEATER CONTROL PANEL-MANUAL HEATER OR *AIC(MANUAL(DOP))&FRONT AIR CONDITIONER-MANUAL(DOP - DEALERSHIP INSTALL)&SEAT COVER MATERIAL-FABRIC(MLM)
main90099-04542iGUN125..TSC..S..GCC;GUN125..TDC..X..GEN;KUN122..L..GCC..CBU;KUN126..TDC..5FC..(L,X);KUN122,125..(TDC,TSC)..X;KUN122,125..TXT..(L,S)..GEN;KUN125..RHD..TDC..(L,S)..GE201505-202005
TOYOTA STOP & START SYSTEM-WITH
main90099-04542iGUN125..TSC..S..GCC;GUN125..TDC..X..GEN;KUN122..L..GCC..CBU;KUN126..TDC..5FC..(L,X);KUN122,125..(TDC,TSC)..X;KUN122,125..TXT..(L,S)..GEN;KUN125..RHD..TDC..(L,S)..GE201505-202005
HEATER CONTROL PANEL-MANUAL HEATER OR *AIC(MANUAL(DOP))&FRONT AIR CONDITIONER-MANUAL(DOP - DEALERSHIP INSTALL)
main90099-04542iGUN125..TSC..S..GCC;GUN125..TDC..X..GEN;KUN122..L..GCC..CBU;KUN126..TDC..5FC..(L,X);KUN122,125..(TDC,TSC)..X;KUN122,125..TXT..(L,S)..GEN;KUN125..RHD..TDC..(L,S)..GE201505-202005
FRONT AIR CONDITIONER-AUTO
main90099-04542iGUN125..TSC..S..GCC;GUN125..TDC..X..GEN;KUN122..L..GCC..CBU;KUN126..TDC..5FC..(L,X);KUN122,125..(TDC,TSC)..X;KUN122,125..TXT..(L,S)..GEN;KUN125..RHD..TDC..(L,S)..GE201505-202005
FRONT AIR CONDITIONER-MANUAL(DOP - DEALERSHIP INSTALL)
ASIA COLD COUNTRY SPEC
main90099-04542iGUN125,135..MA;GUN126,KUN126..LHD..H..GEN;GGN125,GUN13#,KUN13#,TGN121..LHD..TDC..(H,M);GUN122,125,126,KUN125,126,TGN126..(H,M)..(GCC,MA,PH,TAIW,VN)201505-202012
MEXICO SPEC
AZERBAIJAN SPEC(EURO 4 REGULATION)
KAZAKHSTAN SPEC(EURO 4 REGULATION)&FRONT AIR CONDITIONER-MANUAL(DOP - DEALERSHIP INSTALL)
FRONT AIR CONDITIONER-AUTO(DOP - DEALERSHIP INSTALL)
HEATER CONTROL PANEL-AUTO AIR CONDITIONER(DOP)&FRONT AIR CONDITIONER-AUTO(DOP - DEALERSHIP INSTALL)
88539JHOSE, DRAIN COOLER
main88539-0K380iTGN121..GEN..IV3;TGN121,126..LHD..(TDC,TSC)..CBU;GGN125,GUN112,122,125,126,13#,KUN112,12#,13#,TGN11#,120,136..LHD..(TDC,TSC,TXT)201505-202005
88548BCASE, AIR FILTER
HEATER CONTROL PANEL-MANUAL HEATER OR *AIC(MANUAL(DOP))&FRONT AIR CONDITIONER-MANUAL(DOP - DEALERSHIP INSTALL)&SEAT COVER MATERIAL-FABRIC(HI)
main88548-0K080iTGN121..L..CBU;TGN126..(TDC,TSC)..CBU;TGN121..(TDC,TSC)..(M,S,X);GGN12#,GUN112,12#,13#,KUN112,12#,13#,TGN11#,120,136..PDC,PSC,TDC,TSC,TXT201505-201812
KAZAKHSTAN SPEC(EURO 4 REGULATION)&FRONT AIR CONDITIONER-MANUAL(DOP - DEALERSHIP INSTALL)
main88548-0K080iTGN121..L..CBU;TGN126..(TDC,TSC)..CBU;TGN121..(TDC,TSC)..(M,S,X);GGN12#,GUN112,12#,13#,KUN112,12#,13#,TGN11#,120,136..PDC,PSC,TDC,TSC,TXT201505-201812
TOYOTA STOP & START SYSTEM-WITH
main88548-0K080iTGN121..L..CBU;TGN126..(TDC,TSC)..CBU;TGN121..(TDC,TSC)..(M,S,X);GGN12#,GUN112,12#,13#,KUN112,12#,13#,TGN11#,120,136..PDC,PSC,TDC,TSC,TXT201505-201812
HEATER CONTROL PANEL-MANUAL HEATER OR *AIC(MANUAL(DOP))&FRONT AIR CONDITIONER-MANUAL(DOP - DEALERSHIP INSTALL)
main88548-0K080iTGN121..L..CBU;TGN126..(TDC,TSC)..CBU;TGN121..(TDC,TSC)..(M,S,X);GGN12#,GUN112,12#,13#,KUN112,12#,13#,TGN11#,120,136..PDC,PSC,TDC,TSC,TXT201505-201812
FRONT AIR CONDITIONER-MANUAL(DOP - DEALERSHIP INSTALL)
main88548-0K080iTGN121..L..CBU;TGN126..(TDC,TSC)..CBU;TGN121..(TDC,TSC)..(M,S,X);GGN12#,GUN112,12#,13#,KUN112,12#,13#,TGN11#,120,136..PDC,PSC,TDC,TSC,TXT201505-201812
FRONT AIR CONDITIONER-AUTO(DOP - DEALERSHIP INSTALL)
main88548-0K080iTGN121..L..CBU;TGN126..(TDC,TSC)..CBU;TGN121..(TDC,TSC)..(M,S,X);GGN12#,GUN112,12#,13#,KUN112,12#,13#,TGN11#,120,136..PDC,PSC,TDC,TSC,TXT201505-201812
HEATER CONTROL PANEL-MANUAL HEATER OR *AIC(MANUAL(DOP))&FRONT AIR CONDITIONER-MANUAL(DOP - DEALERSHIP INSTALL)&SEAT COVER MATERIAL-FABRIC(MLM)
main88548-0K080iTGN121..L..CBU;TGN126..(TDC,TSC)..CBU;TGN121..(TDC,TSC)..(M,S,X);GGN12#,GUN112,12#,13#,KUN112,12#,13#,TGN11#,120,136..PDC,PSC,TDC,TSC,TXT201505-201812
HEATER CONTROL PANEL-AUTO AIR CONDITIONER(DOP)&FRONT AIR CONDITIONER-AUTO(DOP - DEALERSHIP INSTALL)
FRONT AIR CONDITIONER-MANUAL(DOP - DEALERSHIP INSTALL)
sub88548-0K111
FRONT AIR CONDITIONER-MANUAL(DOP - DEALERSHIP INSTALL)
main88548-0K120iTGN136..SDC;GGN125,135,GUN122,125,126,13#,KUN12#,135,LAN125,TGN120,121,126..SA201601-201812
sub88548-0K121
sub88548-0K131
HEATER CONTROL PANEL-AUTO AIR CONDITIONER(DOP)&FRONT AIR CONDITIONER-AUTO(DOP - DEALERSHIP INSTALL)
FRONT AIR CONDITIONER-AUTO(DOP - DEALERSHIP INSTALL)
HEATER CONTROL PANEL-MANUAL HEATER OR *AIC(MANUAL(DOP))&FRONT AIR CONDITIONER-MANUAL(DOP - DEALERSHIP INSTALL)
FRONT AIR CONDITIONER-MANUAL(DOP - DEALERSHIP INSTALL)
KAZAKHSTAN SPEC(EURO 4 REGULATION)&FRONT AIR CONDITIONER-MANUAL(DOP - DEALERSHIP INSTALL)
TOYOTA STOP & START SYSTEM-WITH
HEATER CONTROL PANEL-MANUAL HEATER OR *AIC(MANUAL(DOP))&FRONT AIR CONDITIONER-MANUAL(DOP - DEALERSHIP INSTALL)&SEAT COVER MATERIAL-FABRIC(HI)
HEATER CONTROL PANEL-MANUAL HEATER OR *AIC(MANUAL(DOP))&FRONT AIR CONDITIONER-MANUAL(DOP - DEALERSHIP INSTALL)&SEAT COVER MATERIAL-FABRIC(MLM)
main88899-06330iGGN125,GUN112,12#,13#,KUN112,122,TGN11#,120,121,126,136..PDC,PSC,TDC,TSC,TXT201901-202105
88625THERMISTOR, COOLER, NO.1
HEATER CONTROL PANEL-MANUAL HEATER OR *AIC(MANUAL(DOP))&FRONT AIR CONDITIONER-MANUAL(DOP - DEALERSHIP INSTALL)
FRONT AIR CONDITIONER-MANUAL(DOP - DEALERSHIP INSTALL)
HEATER CONTROL PANEL-AUTO AIR CONDITIONER(DOP)&FRONT AIR CONDITIONER-AUTO(DOP - DEALERSHIP INSTALL)
FRONT AIR CONDITIONER-AUTO(DOP - DEALERSHIP INSTALL)
KAZAKHSTAN SPEC(EURO 4 REGULATION)&FRONT AIR CONDITIONER-MANUAL(DOP - DEALERSHIP INSTALL)
TOYOTA STOP & START SYSTEM-WITH
HEATER CONTROL PANEL-MANUAL HEATER OR *AIC(MANUAL(DOP))&FRONT AIR CONDITIONER-MANUAL(DOP - DEALERSHIP INSTALL)&SEAT COVER MATERIAL-FABRIC(HI)
HEATER CONTROL PANEL-MANUAL HEATER OR *AIC(MANUAL(DOP))&FRONT AIR CONDITIONER-MANUAL(DOP - DEALERSHIP INSTALL)&SEAT COVER MATERIAL-FABRIC(MLM)
FRONT AIR CONDITIONER-MANUAL
TOYOTA STOP & START SYSTEM-WITH
88650NAMPLIFIER ASSY, AIR CONDITIONER
CS AMERICA SPEC&FRONT AIR CONDITIONER-MANUAL(DOP - DEALERSHIP INSTALL)
FRONT AIR CONDITIONER-MANUAL(DOP - PLANT INSTALL)
FRONT AIR CONDITIONER-MANUAL(DOP - DEALERSHIP INSTALL)
CS AMERICA SPEC&FRONT AIR CONDITIONER-MANUAL(DOP - PLANT INSTALL)
BOLIVIA URUGUAY SPEC&FRONT AIR CONDITIONER-MANUAL(DOP - PLANT INSTALL)
BOLIVIA URUGUAY SPEC&FRONT AIR CONDITIONER-MANUAL(DOP - DEALERSHIP INSTALL)
main88650-0K400iKUN125..TSC..L;KUN135..TDC..X;KUN122..RHD..TDC..L;KUN125..LHD..(SDC,TDC,TSC)..X;KUN122,TGN121..LHD..(SDC,SSC,TSC)..X201505-202009
FRONT AIR CONDITIONER-COOLER LESS
main88650-0K400iGUN135..KEN;KUN126..L..GEN;KUN122..LHD..SSC;KUN125..LHD..X..SA;KUN126..RHD..(M,S);GUN126..SSC..6F..M;TGN126..TDC..M..LA;GUN122..LHD..TDC..X;GUN122..(M,S)..DCR..GEN;201505-202105
FRONT AIR CONDITIONER-MANUAL
TOYOTA STOP & START SYSTEM-WITH
CS AMERICA SPEC&FRONT AIR CONDITIONER-COOLER LESS
BOLIVIA URUGUAY SPEC&FRONT AIR CONDITIONER-COOLER LESS
PERU SPEC&FRONT AIR CONDITIONER-COOLER LESS
KAZAKHSTAN SPEC(EURO 4 REGULATION)
KAZAKHSTAN SPEC(EURO 2 REGULATION)
ASIA COLD COUNTRY SPEC&FRONT AIR CONDITIONER-MANUAL
ASIA COLD COUNTRY SPEC
REAR BUMPER-STEP TYPE(PLATED) & GRILLE(MESH TYPE)
REAR BUMPER-STEP TYPE(PLATED)
main88650-0K440iKUN126..RHD..SA;GUN135..6FC..S..MA;KUN126,TGN126..TDC..MTM..M..LA;GUN125,126,136,KUN125..(SSC,SXT,TSC)..M;GUN126,KUN126,TGN136..TDC..(5F,5FC,6FC)..M..(GEN,LA)201505-202012
FRONT AIR CONDITIONER-AUTO
MEXICO SPEC
ASIA COLD COUNTRY SPEC
AZERBAIJAN SPEC(EURO 4 REGULATION)
FRONT AIR CONDITIONER-COOLER LESS
main88650-0K480iGUN125,135,KUN135,TGN126..ADC..X;GUN126,KUN125..(ADC,ASC)..X..(DCR,IART)201511-202002
CS AMERICA SPEC&FRONT AIR CONDITIONER-COOLER LESS
main88650-0K480iGUN125,135,KUN135,TGN126..ADC..X;GUN126,KUN125..(ADC,ASC)..X..(DCR,IART)201511-202002
BOLIVIA URUGUAY SPEC&FRONT AIR CONDITIONER-COOLER LESS
main88650-0K480iGUN125,135,KUN135,TGN126..ADC..X;GUN126,KUN125..(ADC,ASC)..X..(DCR,IART)201511-202002
PERU SPEC&FRONT AIR CONDITIONER-COOLER LESS
main88650-0K480iTGN136..X..BZAGT;GUN126..ADC..M..LA;TGN126,136..(ADC,ASC)..LA;GUN125,135,KUN125,126,135..ADC,ASC;GUN126,136,TGN138..(ADC,ASC)..(L,S,X)201511-202010
FRONT AIR CONDITIONER-AUTO
KAZAKHSTAN SPEC(EURO 2 REGULATION)&FRONT AIR CONDITIONER-COOLER LESS
KAZAKHSTAN SPEC(EURO 4 REGULATION)&FRONT AIR CONDITIONER-COOLER LESS
ASIA COLD COUNTRY SPEC&FRONT AIR CONDITIONER-COOLER LESS
ASIA COLD COUNTRY SPEC
SEAT COVER MATERIAL-FABRIC(FOR SEAT VENTILATION)
88894GCONNECTOR, DRAIN HOSE
main88894-0K010iTGN121..GEN..IV3;TGN121,126..LHD..(TDC,TSC)..CBU;GGN125,GUN112,122,125,126,13#,KUN112,12#,13#,TGN11#,120,136..LHD..(TDC,TSC,TXT)201505-202005
main88894-0K020iGUN112,12#,13#,KUN112,12#,136,TGN110,121,126,136..RHD..(ARL,GEN,IDN,PKN,TH)201505-202105
8719387101
main87193-87101
887180A020PIPE, COOLER REFRIGERANT SUCTION, NO.2
main88718-0A020
9006938041
main90069-38041
9006938042
main90069-38042
9009914120
main90099-14120
9009914121
main90099-14121
9011906951
main90119-06951
90119T0404
main90119-T0404
90159T0005
main90159-T0005
90159T0014
main90159-T0014
90178T0065
main90178-T0065
9017906323
main90179-06323
90185T0001
main90185-T0001
9167380616
main91673-80616
39 parts on this diagram · 9 diagrams in section