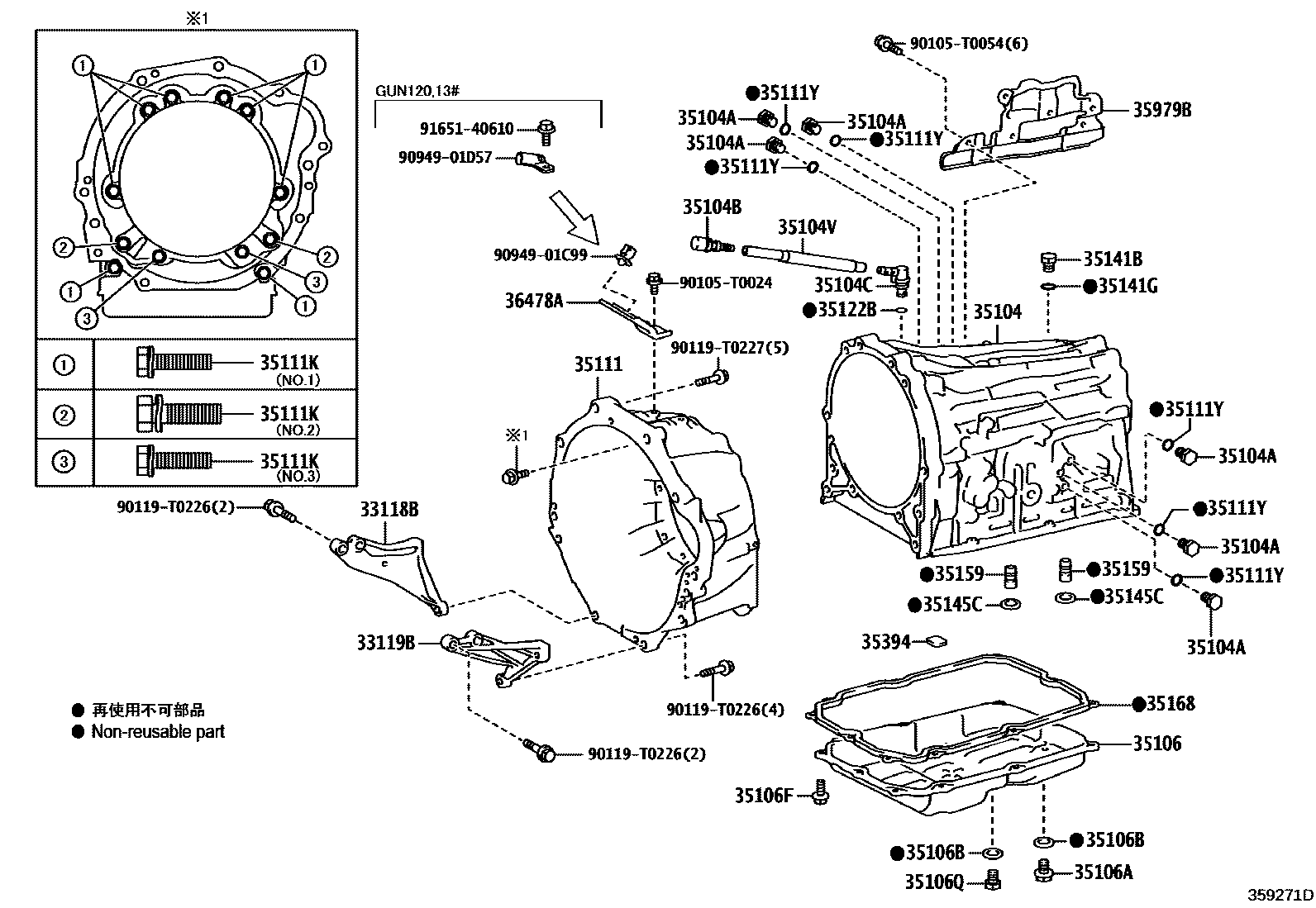
TRANSMISSION CASE & OIL PAN (ATM)

33118BPLATE, STIFFENER, RH(ATM)
33119BPLATE, STIFFENER, LH(ATM)
35104CASE SUB-ASSY, AUTOMATIC TRANSMISSION
main35104-0K010iGUN120,135..(TDC,TSC,TXT)..6FC;GUN126..(TDC,TSC,TXT)..6FC..(ARL,GCC,GEN,LA,PH,TAIW,VN)201708-202005
(L)
main35104-0K010iGUN120,135..(TDC,TSC,TXT)..6FC;GUN126..(TDC,TSC,TXT)..6FC..(ARL,GCC,GEN,LA,PH,TAIW,VN)201708-202005
TOYOTA STOP & START SYSTEM-WITH
main35104-71020iGUN120,135..(TDC,TSC,TXT)..6FC;GUN126..(TDC,TSC,TXT)..6FC..(ARL,GCC,GEN,LA,PH,TAIW,VN)201708-202005
(J)
35104APLUG, AUTOMATIC TRANSMISSION CASE
35104BPLUG, BREATHER, NO.1 (ATM)
main90930-03211iGUN120,135..(TDC,TSC,TXT)..6FC;GUN126..(TDC,TSC,TXT)..6FC..(ARL,GCC,GEN,LA,PH,TAIW,VN)201708-202012
(J)
(L)
35104CPLUG, BREATHER, NO.2 (ATM)
main90930-03220iGUN126..(ADC,PDC,SDC,SSC,SXT)..6FC;GUN135,TGN126..6FC..(L,S)..(GEN,MA,SA);GGN12#,135,TGN128,13#..6FC..(ARL,BZAGT,LA,SA,TH);GUN125,136..(ADC,SDC,SSC,SXT,TSC)..6FC..(201505-202105
main90930-03220iGUN120,135..(TDC,TSC,TXT)..6FC;GUN126..(TDC,TSC,TXT)..6FC..(ARL,GCC,GEN,LA,PH,TAIW,VN)201708-202012
(J)
(L)
35104VHOSE (FOR BREATHER PLUG)
35106PAN SUB-ASSY, AUTOMATIC TRANSMISSION OIL
(L)
TOYOTA STOP & START SYSTEM-WITH
main35106-71050iGUN120,135..(TDC,TSC,TXT)..6FC;GUN126..(TDC,TSC,TXT)..6FC..(ARL,GCC,GEN,LA,PH,TAIW,VN)201708-202005
(J)
35106APLUG SUB-ASSY, DRAIN (ATM)
35106BGASKET, DRAIN PLUG (ATM)
main35178-30010iGUN120,135..(TDC,TSC,TXT)..6FC;GUN126..(TDC,TSC,TXT)..6FC..(ARL,GCC,GEN,LA,PH,TAIW,VN)201708-202005
TOYOTA STOP & START SYSTEM-WITH
35106FBOLT (FOR AUTOMATIC TRANSMISSION OIL PAN)
35106QPLUG (FOR AUTOMATIC TRANSMISSION OIL PAN)
35111HOUSING, AUTOMATIC TRANSMISSION
main35111-0K010iGUN120,135..(TDC,TSC,TXT)..6FC;GUN126..(TDC,TSC,TXT)..6FC..(ARL,GCC,GEN,LA,PH,TAIW,VN)201708-202005
TOYOTA STOP & START SYSTEM-WITH
(L)
(L)
main35111-71030iGUN120,135..(TDC,TSC,TXT)..6FC;GUN126..(TDC,TSC,TXT)..6FC..(ARL,GCC,GEN,LA,PH,TAIW,VN)201708-202005
(J)
35111KBOLT (FOR TRANSMISSION HOUSING & CASE SETTING)
*8-1.25PX30-23.5
*10-1.5PX35-30,NO.1:REFER ILLUST.
*10-1.50PX35-29.3,NO.3:REFER ILLUST.
main90119-12378iGGN12#,135,GUN120,125,126,13#,KUN125,126,TGN121,126,128,13#..(ADC,MDC,PDC,SDC,SSC,SXT,TDC,TSC,TXT)..ATM201505-202105
*12-1.75PX38-30,NO.2:REFER ILLUST.
35111YRING, O (FOR AUTOMATIC TRANSMISSION CASE)
main90301-06196iGUN120,135..(TDC,TSC,TXT)..6FC;GUN126..(TDC,TSC,TXT)..6FC..(ARL,GCC,GEN,LA,PH,TAIW,VN)201708-202005
(J)
(L)
TOYOTA STOP & START SYSTEM-WITH
35122TUBE, BREATHER (FOR AUTOMATIC TRANSAXLE)
35122BRING, O (FOR AUTOMATIC TRANSAXLE BREATHER TUBE UNION)
main90301-08015iGUN120,135..(TDC,TSC,TXT)..6FC;GUN126..(TDC,TSC,TXT)..6FC..(ARL,GCC,GEN,LA,PH,TAIW,VN)201708-202005
(J)
main90301-08015iGUN125,126,136..(ADC,PDC,SDC,SSC,SXT)..6FC;GGN12#,135,GUN135,TGN126,128,138..6FC..(H,L,M,S)..(ARL,BZAGT,LA,MA,SA)201505-202105
(L)
TOYOTA STOP & START SYSTEM-WITH
35141BPLUG (FOR AUTOMATIC TRANSMISSION CASE)
main90341-14011iGGN12#,135,GUN120,125,126,13#,KUN125,126,TGN121,126,128,13#..(ADC,MDC,PDC,SDC,SSC,SXT,TDC,TSC,TXT)..ATM201505-202105
35141GRING, O (FOR AUTOMATIC TRANSMISSION CASE)
main90301-11030iGUN120,135..(TDC,TSC,TXT)..6FC;GUN126..(TDC,TSC,TXT)..6FC..(ARL,GCC,GEN,LA,PH,TAIW,VN)201708-202005
(J)
main90301-T0069iGUN120,135..(TDC,TSC,TXT)..6FC;GUN126..(TDC,TSC,TXT)..6FC..(ARL,GCC,GEN,LA,PH,TAIW,VN)201708-202005
(L)
main90301-T0069iGUN120,135..(TDC,TSC,TXT)..6FC;GUN126..(TDC,TSC,TXT)..6FC..(ARL,GCC,GEN,LA,PH,TAIW,VN)201708-202005
TOYOTA STOP & START SYSTEM-WITH
35145CGASKET, TRANSAXLE CASE
35159GASKET, BRAKE DRUM
main35159-0K010iGUN120,135..(TDC,TSC,TXT)..6FC;GUN126..(TDC,TSC,TXT)..6FC..(ARL,GCC,GEN,LA,PH,TAIW,VN)201912-202005
TOYOTA STOP & START SYSTEM-WITH
(L)
main35159-71010iGUN126..(ADC,PDC,SDC,SSC,SXT)..6FC;GUN135,TGN126..6FC..(L,S)..(GEN,MA,SA);GGN12#,135,TGN128,13#..6FC..(ARL,BZAGT,LA,SA,TH);GUN125,136..(ADC,SDC,SSC,SXT,TSC)..6FC..(201505-202105
main35159-71010iGUN120,135..(TDC,TSC,TXT)..6FC;GUN126..(TDC,TSC,TXT)..6FC..(ARL,GCC,GEN,LA,PH,TAIW,VN)201708-202005
(J)
35168GASKET, AUTOMATIC TRANSMISSION OIL PAN
(L)
main35168-71010iGUN120,135..(TDC,TSC,TXT)..6FC;GUN126..(TDC,TSC,TXT)..6FC..(ARL,GCC,GEN,LA,PH,TAIW,VN)201708-202012
(J)
35394MAGNET, OIL CLEANER (FOR TRANSMISSION)
main35394-30011iGGN12#,135,GUN120,125,126,13#,KUN125,126,TGN121,126,128,13#..(ADC,MDC,PDC,SDC,SSC,SXT,TDC,TSC,TXT)..ATM201505-202105
35979BINSULATOR, TRANSMISSION, RH
main35979-0K010iGGN12#,135,GUN120,135,TGN121,126,128,13#..6FC;GUN125,126,136..(KDC,MDC,PDC,SDC,SSC,SXT,TDC,TSC,TXT)..6FC201505-202105
36478ABRACKET, TRANSMISSION BREATHER
90105T0024
main90105-T0024
90105T0054
main90105-T0054
90119T0226
main90119-T0226
90119T0227
main90119-T0227
9094901C99
main90949-01C99
9094901D57
main90949-01D57
9165140610
main91651-40610
32 parts on this diagram · 4 diagrams in section