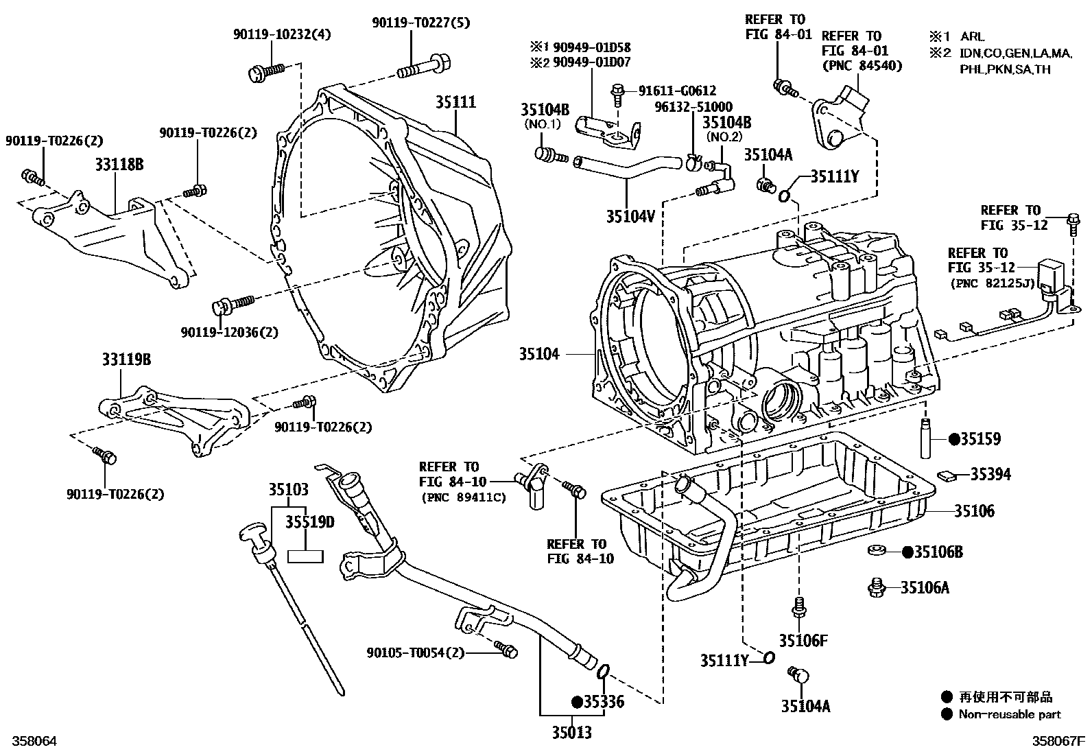
TRANSMISSION CASE & OIL PAN (ATM)

33118BPLATE, STIFFENER, RH(ATM)
33119BPLATE, STIFFENER, LH(ATM)
35013TUBE SUB-ASSY, TRANSMISSION OIL FILLER
35103GAGE SUB-ASSY, TRANSMISSION OIL LEVEL
35104CASE SUB-ASSY, AUTOMATIC TRANSMISSION
35104APLUG, AUTOMATIC TRANSMISSION CASE
35104BPLUG, BREATHER, NO.1 (ATM)
NO.2:REFER ILLUST.
NO.1:REFER ILLUST.
35104VHOSE (FOR BREATHER PLUG)
main90445-11118iKUN16,26,36..4FC..(CO,GEN,LA,MA,PHL,SA,TH);GGN15,25,35,KUN25,35,TGN16,26,36..(4FC,5FC)..(ANCOM,ARL,GCC,GEN,IDN,LA,MA,PHL,PKN,SA)201107
35106PAN SUB-ASSY, AUTOMATIC TRANSMISSION OIL
35106APLUG SUB-ASSY, DRAIN (ATM)
35106BGASKET, DRAIN PLUG (ATM)
35106FBOLT (FOR AUTOMATIC TRANSMISSION OIL PAN)
35111HOUSING, AUTOMATIC TRANSMISSION
35111YRING, O (FOR AUTOMATIC TRANSMISSION CASE)
3512
35159GASKET, BRAKE DRUM
35336RING, O (FOR TRANSMISSION OIL FILLER TUBE)
35394MAGNET, OIL CLEANER (FOR TRANSMISSION)
35519DLABEL, AUTOMATIC TRANSMISSION INFORMATION
8401
8410
90105T0054
main90105-T0054
9011910232
main90119-10232
9011912036
main90119-12036
90119T0226
main90119-T0226
90119T0227
main90119-T0227
9094901D07
main90949-01D07
9094901D58
main90949-01D58
91611G0612
main91611-G0612
9613251000
main96132-51000
30 parts on this diagram · 4 diagrams in section