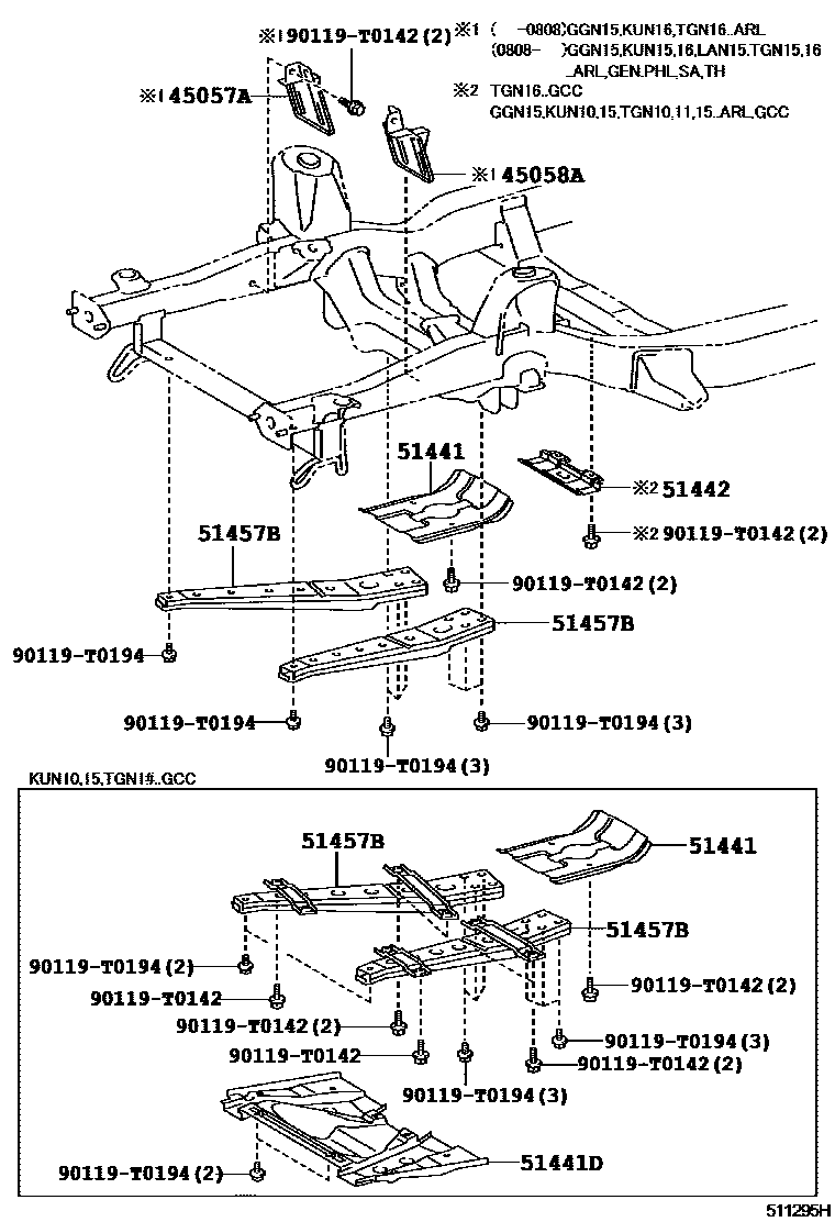
SUSPENSION CROSSMEMBER & UNDER COVER

45057APROTECTOR SUB-ASSY, RACK BOOT, NO.1 RH
45058APROTECTOR SUB-ASSY, RACK BOOT, NO.1 LH
main45058-0K010iTGN16..XTR;TGN16..ARL,SA,TH;GGN15,KUN16..DCB..DLX;GGN15,KUN16..SCB,SMT,XTR;GGN15,KUN16..DCB..(4FC,5FC)..SR;KUN15,LAN15,TGN15..GEN,PHL,SA,TH200502-201108
51441COVER, ENGINE UNDER, NO.1
sub51410-0K021
main51410-0K021iGGN25,35,LAN25,35,TGN26..(DCB,SCB,THDCB)..CBU;KUN2#,3#,TGN36..ANCOM,ARL,GCC,GEN,LA,MA,PHL,PKN,SA,TH201101-201107
51441DCOVER, ENGINE UNDER
51442COVER, ENGINE UNDER, NO.2
51457BBRACE, FRONT SIDE MEMBER TO FRONT SUSPENSION CROSSMEMBER
main51405-0K010iKUN16..DCB,SCB;KUN16,TGN16..XTR..TH;KUN15..(DCB,SCB,XTR)..(GEN,PKN,TH);KUN15,TGN10..(DCB,SCB)..(IDN,PHL,SA)..CBU;GGN15,LAN15,TGN15,16..(5F,5FC)..(ARL,GEN,PKN,SA)200408-201202
RH
LH
90119T0142
main90119-T0142
90119T0194
main90119-T0194
8 parts on this diagram · 4 diagrams in section