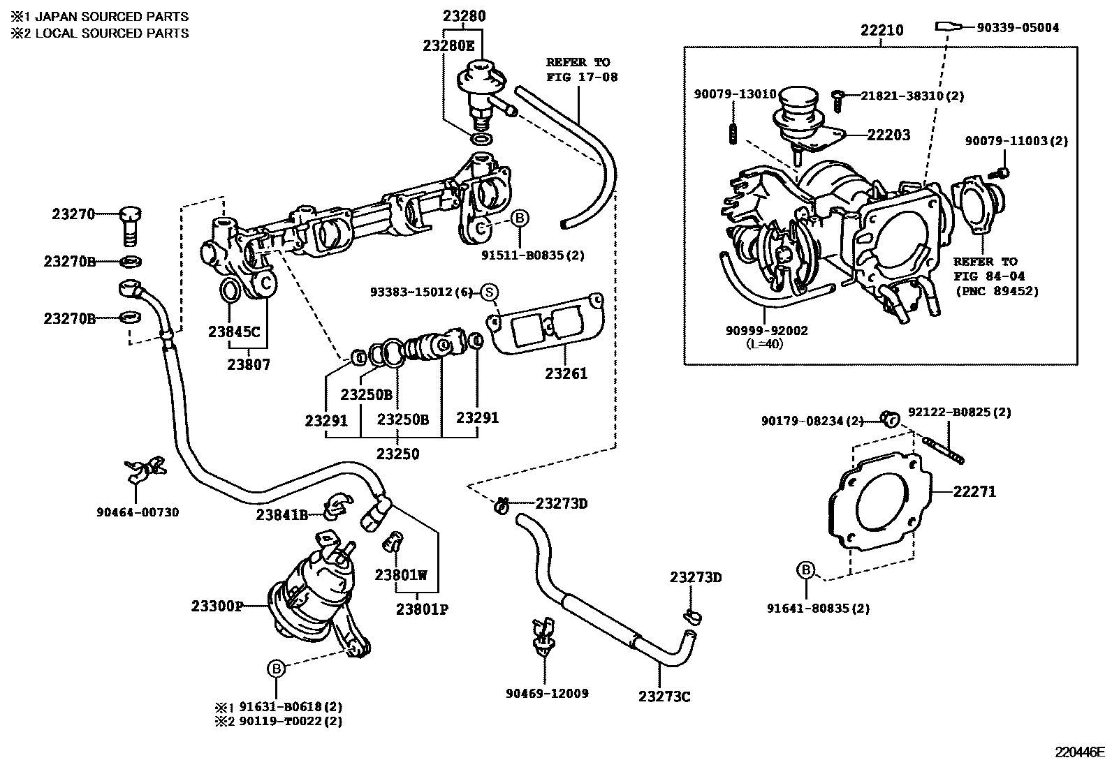
FUEL INJECTION SYSTEM

1708
22203DASH POT SUB-ASSY(FOR THROTTLE BODY)
22210BODY ASSY, THROTTLE
22271GASKET, THROTTLE BODY
23250INJECTOR ASSY, FUEL
23250BRING, O(FOR FUEL INJECTOR)
NO.2
NO.1
23261COVER, INJECTOR
23270DAMPER ASSY, FUEL PRESSURE PULSATION
sub23207-20011
23270BGASKET(FOR PULSATION DAMPER HOSE)
23273CHOSE, FUEL, NO.2
23273DCLIP(FOR FUEL HOSE NO.2)
main96135-41100×2i3RZFE..RZN154,194..RHD;3RZFE..RZN169..DCB..SA;3RZFE..RZN169..DLX..(ARL,SA);1RZE,2RZFE,3RZFE..RZN147,148,149,168,174,193..DLX..(ARL,GEN)199708-200204
23280REGULATOR ASSY, FUEL PRESSURE
23280ERING, O(FOR FUEL PRESSURE REGULATOR)
main90301-07024i2RZFE..RZN148..GEN..CBU;2RZFE,3RZFE..RZN154,16#,193;2RZFE,3RZFE..RZN144,148,149,174,194..ARL,CO,GCC,SA200108-200511
23291INSULATOR, INJECTOR VIBRATION
23300PFILTER, FUEL(FOR EFI)
23801PPIPE SUB-ASSY, FUEL, NO.1
NO.2
NO.1
main23801-75080i3RZFE..RZN169..DCB..SA;3RZFE..RZN154,174,194..RHD;3RZFE..RZN169..DLX..(ARL,SA);3RZFE..RZN149..DLX..(ARL,GEN)199708
23801WCLIP, FUEL TUBE CONNECTOR
23841BCLAMP, FUEL PIPE, NO.1(FOR EFI)
main90469-12012i3RZFE..RZN169..DCB..SA;3RZFE..RZN169..DLX..(ARL,SA);1RZE,3RZFE..RZN147,154,174,194..RHD;2RZFE,3RZFE..RZN148,149,168,193..DLX..(ARL,GEN)199708
23845CINSULATOR, FUEL PIPE
8404
2182138310SCREW, 2ND THROTTLE VALVE SET
main21821-38310
9007911003
main90079-11003
9007913010
main90079-13010
90119T0022
main90119-T0022
9017908234
main90179-08234
9033905004
main90339-05004
9046400730
main90464-00730
9046912009
main90469-12009
9099992002
main90999-92002
91511B0835
main91511-B0835
91631B0618
main91631-B0618
9164180835
main91641-80835
92122B0825
main92122-B0825
9338315012
main93383-15012
35 parts on this diagram · 7 diagrams in section