E
EPC Data

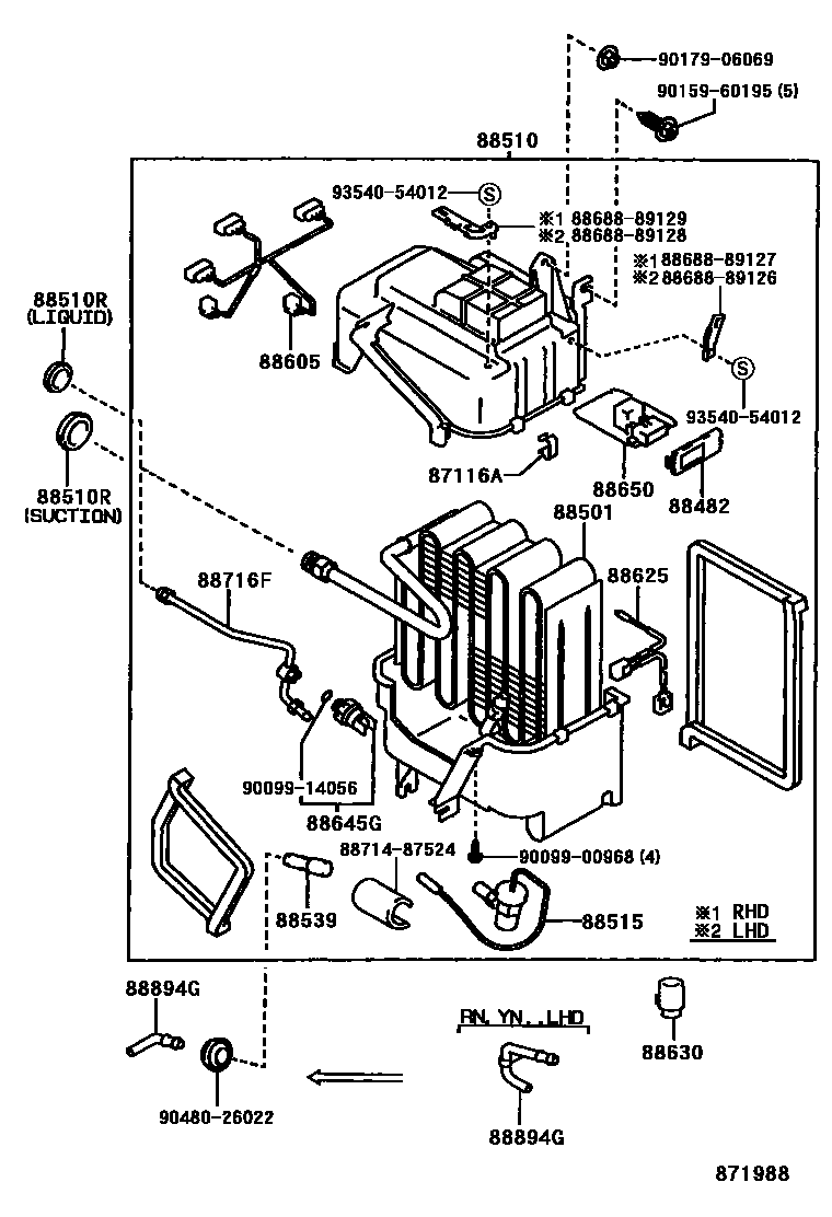
HEATING & AIR CONDITIONING - COOLER UNIT

Parts diagram
87116ASPRING, HOLDING (FOR COOLER UNIT CASE)
main87116-14010i198808-200106
88482CAP, COOLER
main88482-60010i198808-199909
main88482-60020i198808-200106
88501EVAPORATOR SUB-ASSY, COOLER, NO.1
main88501-34010i199401-200106
main88501-35030i199401-199909
main88501-89111i198808-199401
main88501-89112i198808-199401
main88501-89113i198907-199308
88510UNIT ASSY, COOLER
main88510-35020i199008-199401
main88510-35330i199401-199909
main88510-35370i199401-199909
main88510-35370i199408-199708
W(MAKER OPTION AIR CONDITIONER)
main88510-35410i199401-200106
main88510-35430i199401-199909
main88510-35440i199401-199708
main88510-35460i199401-199909
main88510-35470i199401-199708
main88510-35480i199408-199504
main88510-35510i199408-199708
W(DEALER OPTION AIR CONDITIONER)
main88510-89143i198808-199401
main88510-89144i198808-199401
main88510-89147i198808-199401
main88510-89148i198808-199401
main88510-89153i198809-199401
main88510-89155i199008-199401
main88510-89158i198808-199401
main88510-89163i198907-199308
88510RGROMMET (FOR COOLER UNIT)
main90480-26003i198808-199401
LIQUID
main90480-26027i199401-200106
LIQUID
main90480-36003i198808-199401
SUCTION
main90480-36019i199401-200106
SUCTION
88515VALVE, COOLER EXPANSION
main88515-14061i198907-199108
main88515-14062i199108-199308
main88515-16040i198808-199401
main88515-34010i199401-200106
88539HOSE, COOLER UNIT DRAIN, NO.1
main88539-89113i198808-200106
88605HARNESS SUB-ASSY, COOLER WIRING, NO.1
main88605-35010i199008-199708
main88605-35200i199401-199909
main88605-89151i198808-199708
main88605-89154i198808-199909
main88605-89156i198808-200106
main88605-89157i198808-199708
main88605-89161i198907-199308
88625THERMISTOR, COOLER, NO.1
main88625-34010i199401-200106
main88625-89102i198808-199401
main88625-89103i198907-199308
88630RELAY ASSY, COOLER
main88630-95702i199008-199708
88645GSWITCH, PRESSURE
main88645-10020i198808-199401
main88645-16020i198808-199401
main88645-34010i199401-200106
88650AMPLIFIER ASSY, COOLER STABILIZER
main88650-35060i200108-200412
main88650-89105i199008-199708
main88650-89106i199401-199909
main88650-89107i198808-199909
main88650-89108i198808-199708
main88650-89109i198808-200106
88716FPIPE, COOLER REFRIGERANT LIQUID, F
main88716-34010i199401-200106
main88716-35220i199401-199909
main88716-89156i198808-199401
main88716-89157i198808-199401
88894GCONNECTOR, DRAIN HOSE
main88894-89108i199408-199708
W(MAKER OPTION AIR C0NDITI0NER)
main88894-89108i198808-199909
main88894-89109i198808-200106
main88894-89112i199408-199708
W(DEALER OPTION AIR CONDITIONER)
8868889126BRACKET, COOLER DIAPHRAGM
8868889127BRACKET, COOLER DIAPHRAGM
8868889128BRACKET, COOLER DIAPHRAGM
8868889129BRACKET, COOLER DIAPHRAGM
8871487524HOSE, COOLER REFRIGERANT LIQUID, NO.1
9009900968
9009914056
9015960195
9017906069
9048026022
9354054012

25 parts on this diagram · 4 diagrams in section

HEATING & AIR CONDITIONING - COOLER UNIT — Toyota Parts Diagram with OEM Numbers & Prices | EPC Data