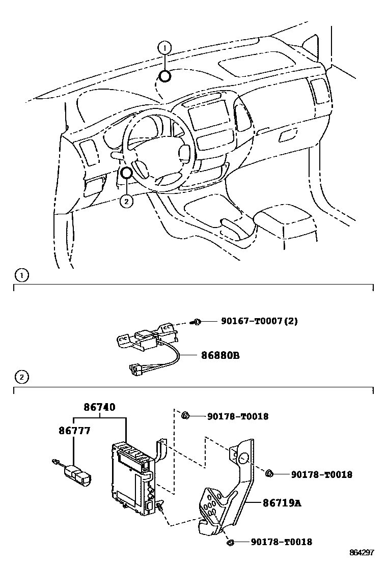
TELEPHONE & MAYDAY

86719ABRACKET, TELEPHONE NO.1
ANTI-THEFT SYSTEM-*IM & TRACKING&BLOCKING SYS & *SEH
86740TRANSCEIVER ASSY, TELEPHONE
ANTI-THEFT SYSTEM-*IM & TRACKING&BLOCKING SYS & *SEH
ANTI-THEFT SYSTEM-*IM & TRACKING&BLOCKING SYS & *SEH
86777BATTERY, MAYDAY
ANTI-THEFT SYSTEM-*IM & TRACKING&BLOCKING SYS & *SEH
86880BANTENNA ASSY, INSTRUMENT PANEL INTEGRATION
ANTI-THEFT SYSTEM-*IM & TRACKING&BLOCKING SYS & *SEH
90167T0007
main90167-T0007
90178T0018
main90178-T0018
6 parts on this diagram · 2 diagrams in section