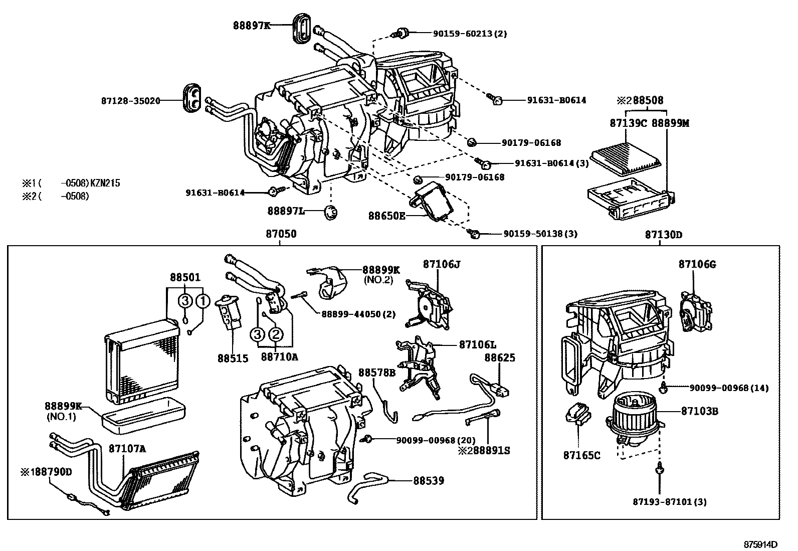
HEATING & AIR CONDITIONING - COOLER UNIT

87050RADIATOR ASSY, AIR CONDITIONER
87103BMOTOR SUB-ASSY, BLOWER W/FAN
87106GSERVO SUB-ASSY, DAMPER(FOR BLOWER)
87106JSERVO SUB-ASSY, DAMPER(FOR MODE)
87107AUNIT SUB-ASSY, HEATER RADIATOR
87130DBLOWER ASSY
87139CFILTER, CLEAN AIR
87165CCONTROL, BLOWER MOTOR
88508FILTER SUB-ASSY, CLEAN AIR
88515VALVE, COOLER EXPANSION
88539HOSE, COOLER UNIT DRAIN, NO.1
88578BPACKING, COOLING UNIT, NO.1
88625THERMISTOR, COOLER, NO.1
88650EAMPLIFIER ASSY, AIR CONDITIONER, NO.1
88710ATUBE ASSY, AIR CONDITIONER
88790DTHERMISTOR ASSY
88891SCOVER, COOLER, NO.1
88897KGROMMET, (FOR COOLER PIPE)
88897LGROMMET (FOR DRAIN HOSE)
88899KPLATE, COVER
NO.1
NO.2
88899MPLATE, COVER(FOR AIR FILTER)
8712835020GROMMET, HEATER
main87128-35020
8719387101
main87193-87101
8889944050COVER, EVAPORATOR
main88899-44050
9009900968
main90099-00968
9015950138
main90159-50138
9015960213
main90159-60213
9017906168
main90179-06168
91631B0614
main91631-B0614
31 parts on this diagram · 2 diagrams in section