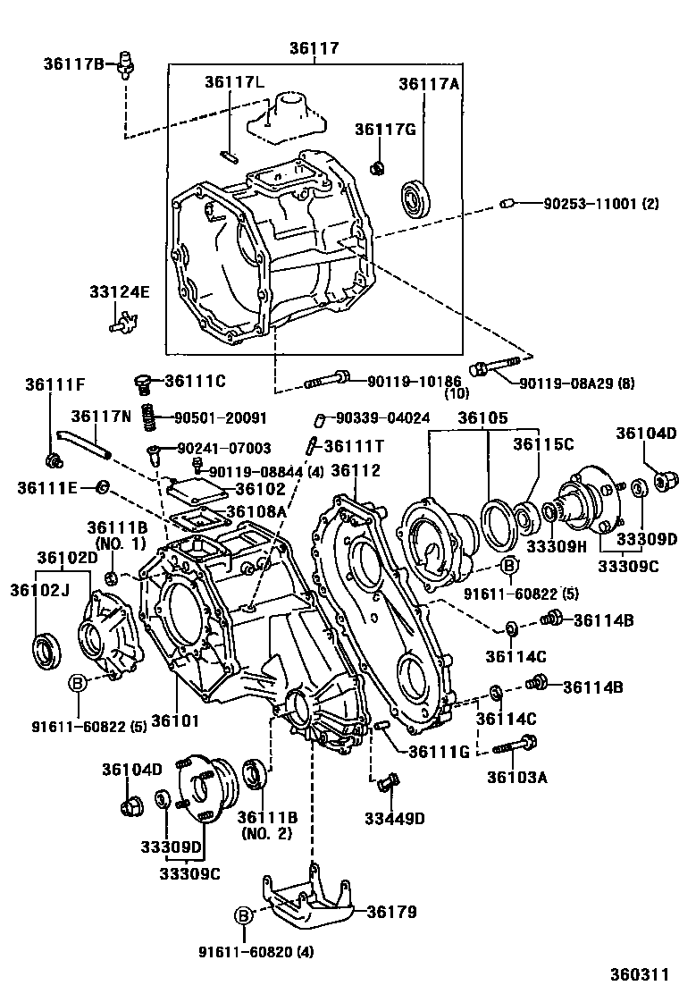
TRANSFER CASE & EXTENSION HOUSING

33124EPIPE, OIL RECEIVER(FOR TRANSFER)
33309CFLANGE SUB-ASSY, OUTPUT SHAFT COMPANION
RR
FR
33309DSEAL, OIL(FOR TRANSFER OUTPUT SHAFT COMPANION FLANGE)
33309HWASHER, TRANSFER OUTPUT SHAFT
N=30,OD=38
33449DMAGNET (FOR TRANSFER CASE)
36101CASE SUB-ASSY, TRANSFER
36102COVER SUB-ASSY, TRANSFER CASE
36102DRETAINER SUB-ASSY, TRANSFER RH BEARING
36102JSEAL, TYPE T OIL (FOR TRANSFER COVER)
36103ABOLT (FOR TRANSFER CASE)
*8-1.25PX55-30
36104DNUT (FOR TRANSFER OUTPUT SHAFT)
36105HOUSING SUB-ASSY, TRANSFER EXTENSION, FRONT
36108ADEFLECTOR SUB-ASSY, BREATHER OIL
36111BSEAL, OIL (FOR TRANSFER CASE)
NO.1
NO.2
36111CPLUG (FOR TRANSFER CASE)
36111EGASKET (FOR TRANSFER CASE)
36111FPLUG (FOR TRANSFER CASE)
36111GPIN, STRAIGHT (FOR TRANSFER CASE)
L=14,OD=10
36111TTUBE (FOR TRANSFER CASE)
sub90406-T0007
36112CASE, TRANSFER, REAR
36114BPLUG, NO.1 (FOR TRANSFER CASE)
36114CGASKET, NO.1 (FOR TRANSFER CASE)
W/O(NEUTRAL & LOW SWITCH)
36115CSEAL, TYPE T OIL (FOR TRANSFER EXTENSION HOUSING)
sub90311-41020
36117ASEAL, OIL(FOR TRANSFER ADAPTER)
36117BPLUG, BREATHER(FOR TRANSFER ADAPTER)
36117GPLUG, W/HEAD STRAIGHT SCREW(FOR TRANSFER ADAPTER)
36117LTUBE(FOR TRANSFER ADAPTER)
sub90406-T0007
36179PROTECTOR, TRANSFER CASE LOWER
9011908844
main90119-08844
9011908A29
main90119-08A29
9011910186
main90119-10186
9024107003
main90241-07003
9025311001
main90253-11001
9033904024
main90339-04024
9050120091
main90501-20091
9161160820
main91611-60820
9161160822
main91611-60822
39 parts on this diagram · 3 diagrams in section