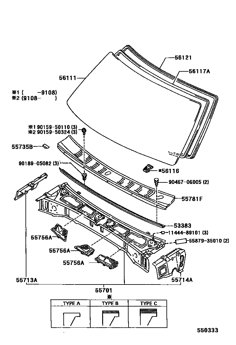
COWL PANEL & WINDSHIELD GLASS

53383SEAL, HOOD TO COWL TOP
55701PANEL SUB-ASSY, COWL
PLANT NO.A51,A52
NEW ZEALAND SPEC,PLANT NO.A51,A52
A51,A52
A51,A52
PLANT NO.A51,A52
A51,A52
PLANT NO. P11
sub55700-89150
PLANT NO. A51,A52
sub55700-35060
sub55700-35070
PLANT NO. A51,A52
PLANT NO.P11
55713APANEL, COWL TOP SIDE, RH
55714APANEL, COWL TOP SIDE, LH
55735BSEAL, FRONT AIR SHUTTER
55756ASCREEN, HEATER AIR DUCT
LH
CENTER
RH
RH
55781FLOUVER, COWL TOP VENTILATOR
56111GLASS, WINDSHIELD
*TL,T=5.3,GREEN
sub56111-35030
*TL,T=5.3,GREEN,W(TOP SHADE)
sub56111-89145
*TL,T=5.3,BLUE,W(TOP SHADE)
sub56111-35410
*TL,T=5.3,BRONZE
*LAM,T=5.3,W(TOP SHADE)
*LAM,T=5.3
56116SPACER, WINDSHIELD GLASS
TYPE A
TYPE B
TYPE C
56117ADAM, WINDOW GLASS ADHESIVE
CHROME PLATED PACKAGE)
56121WEATHERSTRIP, WINDSHIELD
CHROME PLATED PACKAGE)
1144489101PLUG, HOLE
main11444-89101
5587935010PACKING, FRONT VENTILATOR
main55879-35010
9015950110
main90159-50110
9015950324
main90159-50324
9018905082
main90189-05082
9046706005
main90467-06005
17 parts on this diagram · 1 diagram in section