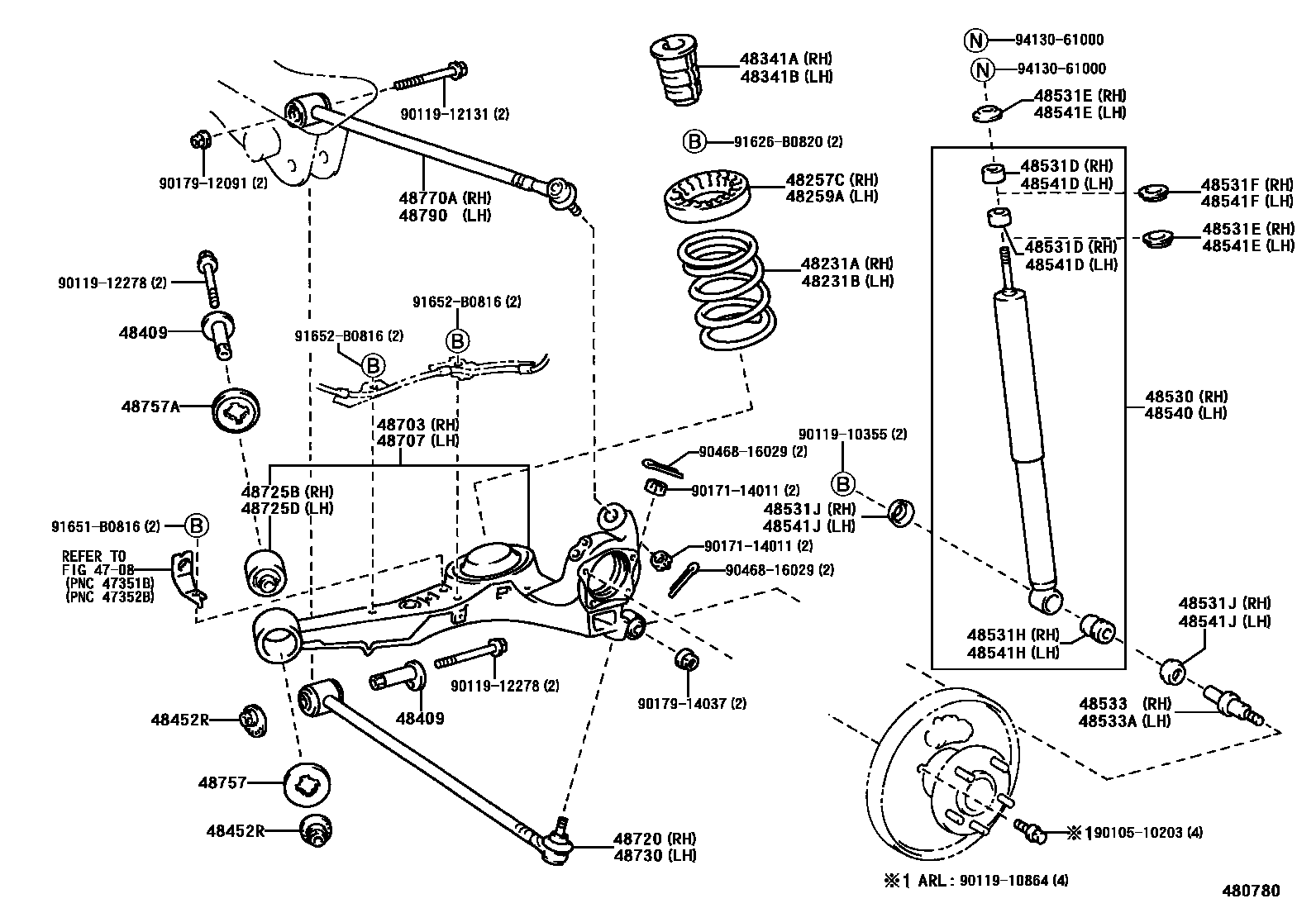
REAR SPRING & SHOCK ABSORBER

4708BRAKE TUBE & CLAMP
48231ASPRING, COIL, REAR RH
W(235/60R16 TIRE)
W(235/60R16 TIRE)
W(235/60R16 TIRE)
W(235/60R16 TIRE)
48231BSPRING, COIL, REAR LH
W(235/60R16 TIRE)
W(235/60R16 TIRE)
W(235/60R16 TIRE)
W(235/60R16 TIRE)
48257CINSULATOR, REAR COIL SPRING, UPPER RH
48259AINSULATOR, REAR COIL SPRING, UPPER LH
48341ABUMPER, REAR SPRING, NO.1 RH
W(235/60R16 TIRE)
48341BBUMPER, REAR SPRING, NO.1 LH
W(235/60R16 TIRE)
48409CAM SUB-ASSY, REAR SUSPENSION TOE ADJUST
48452RPLATE, REAR SUSPENSION TOE ADJUST, NO.2
48530ABSORBER ASSY, SHOCK, REAR RH
W(235/60R16 TIRE)
W(235/60R16 TIRE)
W(235/60R16 TIRE)
W(235/60R16 TIRE)
W(235/60R16 TIRE)
W(235/60R16 TIRE)
W(235/60R16 TIRE)
48531DCUSHION, REAR SHOCK ABSORBER, NO.2 RH
LOWER
UPPER
48531ERETAINER, CUSHION, NO.1(FOR REAR SHOCK ABSORBER RH)
W(235/60R16 TIRE)
48531FRETAINER, CUSHION, NO.2(FOR REAR SHOCK ABSORBER RH)
48531JWASHER, REAR SHOCK ABSORBER CUSHION, NO.1 RH
OUTER
INNER
48533PIN, REAR SHOCK ABSORBER LOWER PIVOT, RH
48533APIN, REAR SHOCK ABSORBER LOWER PIVOT, LH
48540ABSORBER ASSY, SHOCK, REAR LH
W(235/60R16 TIRE)
W(235/60R16 TIRE)
W(235/60R16 TIRE)
W(235/60R16 TIRE)
W(235/60R16 TIRE)
W(235/60R16 TIRE)
W(235/60R16 TIRE)
48541DCUSHION, REAR SHOCK ABSORBER, NO.2 LH
LOWER
UPPER
48541ERETAINER, CUSHION, NO.1(FOR REAR SHOCK ABSORBER LH)
W(235/60R16 TIRE)
48541FRETAINER, CUSHION, NO.2(FOR REAR SHOCK ABSORBER LH)
48541JWASHER, REAR SHOCK ABSORBER CUSHION, NO.1 LH
OUTER
INNER
48703ARM SUB-ASSY, REAR SUSPENSION, RH
W(ABS)
W(ABS)
W(ABS)
48707ARM SUB-ASSY, REAR SUSPENSION, LH
W(ABS)
W(ABS)
W(ABS)
48720ARM ASSY, LOWER CONTROL, RH
48730ARM ASSY, LOWER CONTROL, LH
48757AATTACHMENT, REAR SUSPENSION ARM, NO.2
48770AARM ASSY, UPPER CONTROL, REAR RH
48790ARM ASSY, UPPER CONTROL, REAR LH
9010510203
main90105-10203
9011910355
main90119-10355
9011910864
main90119-10864
9011912131
main90119-12131
9011912278
main90119-12278
9017114011
main90171-14011
9017912091
main90179-12091
9017914037
main90179-14037
9046816029
main90468-16029
91626B0820
main91626-B0820
91651B0816
main91651-B0816
91652B0816
main91652-B0816
9413061000
main94130-61000
46 parts on this diagram · 1 diagram in section