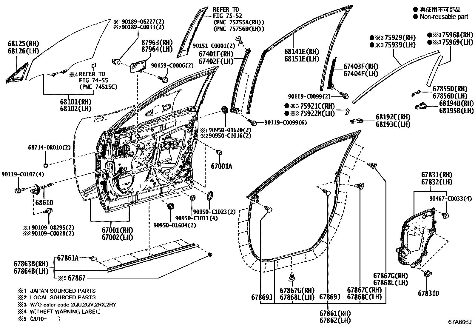
FRONT DOOR PANEL & GLASS

67001PANEL SUB-ASSY, FRONT DOOR, RH
67001ACUSHION, FRONT DOOR PANEL
67002PANEL SUB-ASSY, FRONT DOOR, LH
67401FFRAME SUB-ASSY, FRONT DOOR, FRONT LOWER RH
67402FFRAME SUB-ASSY, FRONT DOOR, FRONT LOWER LH
67403FFRAME SUB-ASSY, FRONT DOOR, REAR LOWER RH
67404FFRAME SUB-ASSY, FRONT DOOR, REAR LOWER LH
67831COVER, FRONT DOOR SERVICE HOLE, RH
67831DCLIP(FOR FRONT DOOR SERVICE HOLE COVER)
67832COVER, FRONT DOOR SERVICE HOLE, LH
67855DPROTECTOR, FRONT DOOR PANEL, RH
67856DPROTECTOR, FRONT DOOR PANEL, LH
67861WEATHERSTRIP, FRONT DOOR, RH
67861ARETAINER(FOR FRONT DOOR WEATHERSTRIP)
67862WEATHERSTRIP, FRONT DOOR, LH
67863BWEATHERSTRIP, FRONT DOOR, NO.2 RH
FTRD PARTS
67864BWEATHERSTRIP, FRONT DOOR, NO.2 LH
FTRD PARTS
67867CLIP, DOOR WEATHERSTRIP
67867CRETAINER, FRONT DOOR WEATHERSTRIP, RH
(L)
(J)
67867GRETAINER, DOOR WEATHERSTRIP, RH
67868CRETAINER, FRONT DOOR WEATHERSTRIP, LH
(L)
(J)
67868LRETAINER, DOOR WEATHERSTRIP, LH
(J)
(L)
67869JCLIP, FRONT DOOR WEATHERSTRIP
68101GLASS SUB-ASSY, FRONT DOOR, RH
MARK=CCC E000137
MARK=CCC E000546
MARK=CCC E000137
MARK=CCC E000546
MARK=CCC E000137
MARK=CCC E000546
68102GLASS SUB-ASSY, FRONT DOOR, LH
MARK=CCC E000137
MARK=CCC E000546
MARK=CCC E000137
MARK=CCC E000546
MARK=CCC E000137
MARK=CCC E000546
68125GLASS, FRONT DOOR FIX WINDOW, RH
68126GLASS, FRONT DOOR FIX WINDOW, LH
68192CSEAL, FRONT DOOR BELT, FRONT RH
68193CSEAL, FRONT DOOR BELT, FRONT LH
68194BSEAL, FRONT DOOR BELT, REAR RH
68195BSEAL, FRONT DOOR BELT, REAR LH
7455
7552
75921CTAPE, BLACK OUT, NO.1 RH
75922MTAPE, BLACK OUT, NO.1 LH
75929TAPE, BLACK OUT FRONT DOOR, INNER UPPER RH
main75985-0R020
75939TAPE, BLACK OUT FRONT DOOR, INNER UPPER LH
main75986-0R020
75968TAPE, BLACK OUT FRONT DOOR, INNER REAR RH
main75965-0R020
75969TAPE, BLACK OUT FRONT DOOR, INNER REAR LH
main75966-0R020
87963COVER, OUTER MIRROR INSTALL HOLE, RH
87964COVER, OUTER MIRROR INSTALL HOLE, LH
687140R010
main68714-0R010
9010908295
main90109-08295
90109C0028
main90109-C0028
90119C0099
main90119-C0099
90119C0107
main90119-C0107
90151C0001
main90151-C0001
90159C0006
main90159-C0006
9018906227
main90189-06227
90189C0033
main90189-C0033
90467C0033
main90467-C0033
9095001604
main90950-01604
9095001620
main90950-01620
90950C1011
main90950-C1011
90950C1016
main90950-C1016
90950C1023
main90950-C1023
59 parts on this diagram · 2 diagrams in section