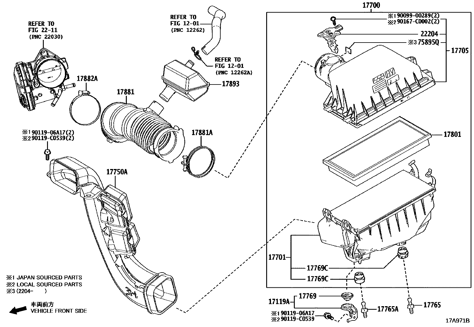
AIR CLEANER

1201
17119ABRACKET, AIR CLEANER
17705CAP SUB-ASSY, AIR CLEANER
17750AINLET ASSY, AIR CLEANER
17765STAY, AIR CLEANER, NO.1
17765ASTAY, AIR CLEANER, NO.1
17769SUPPORT, AIR CLEANER
17769CSUPPORT, AIR CLEANER, NO.1
17801ELEMENT SUB-ASSY, AIR CLEANER FILTER
(J)
(J)
(L)
(L)
17881HOSE, AIR CLEANER, NO.1
17881ACLAMP(FOR AIR CLEANER HOSE, NO.1)
17882ACLAMP(FOR AIR CLEANER HOSE, NO.2)
17893RESONATOR, INTAKE AIR
2211
22204METER SUB-ASSY, INTAKE AIR FLOW
75895QTAPE, MOULDING, NO.1
9009900289
main90099-00289
9011906A17
main90119-06A17
90119C0539
main90119-C0539
90167C0002
main90167-C0002
22 parts on this diagram · 2 diagrams in section