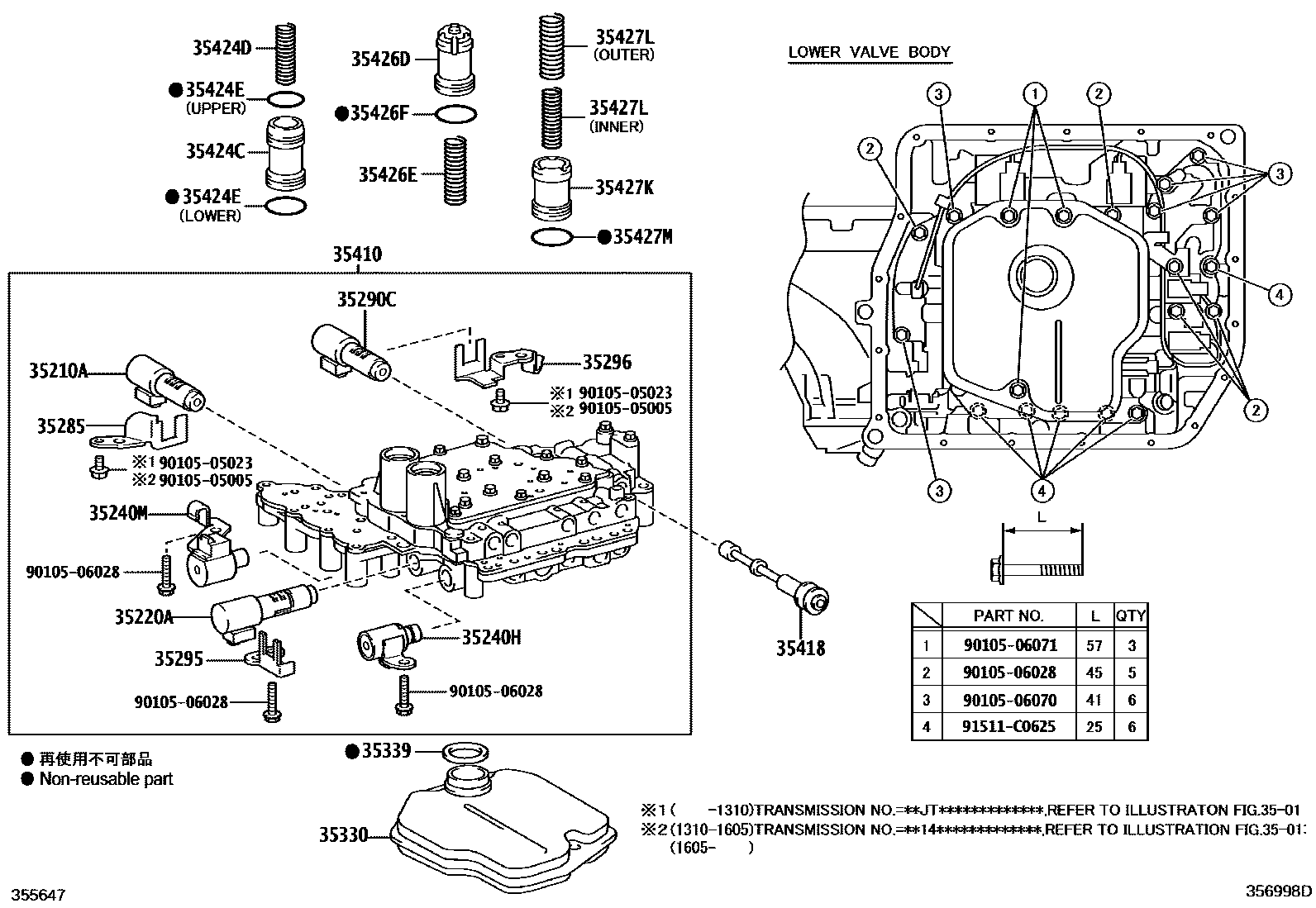
VALVE BODY & OIL STRAINER (ATM)

35240HVALVE, SOLENOID(S4)
35240MVALVE, SOLENOID(DSL)
35285PLATE, SOLENOID LOCK
*345
*344
35295PLATE, SOLENOID LOCK, NO.2
*345
*344
35296PLATE, SOLENOID LOCK, NO.3
*345
*344
35339GASKET, OIL STRAINER
35424CPISTON, C-1 ACCUMULATOR
*344
*345
35424DSPRING, COMPRESSION (FOR C-1 ACCUMULATOR PISTON)
35424ERING, O (FOR C-1 ACCUMULATOR PISTON)
UPPER
LOWER
35426DPISTON, C-3 ACCUMULATOR
35426ESPRING, COMPRESSION (FOR C-3 ACCUMULATOR PISTON)
35426FRING, O (FOR C-3 ACCUMULATOR PISTON)
35427KPISTON, B-3 ACCUMULATOR
*344
*345
35427LSPRING, COMPRESSION (FOR B-3 ACCUMULATOR PISTON)
INNER
OUTER
35427MRING, O (FOR B-3 ACCUMULATOR PISTON)
9010505005
main90105-05005
9010505023
main90105-05023
9010506028
main90105-06028
9010506070
main90105-06070
9010506071
main90105-06071
91511C0625
main91511-C0625
27 parts on this diagram · 4 diagrams in section