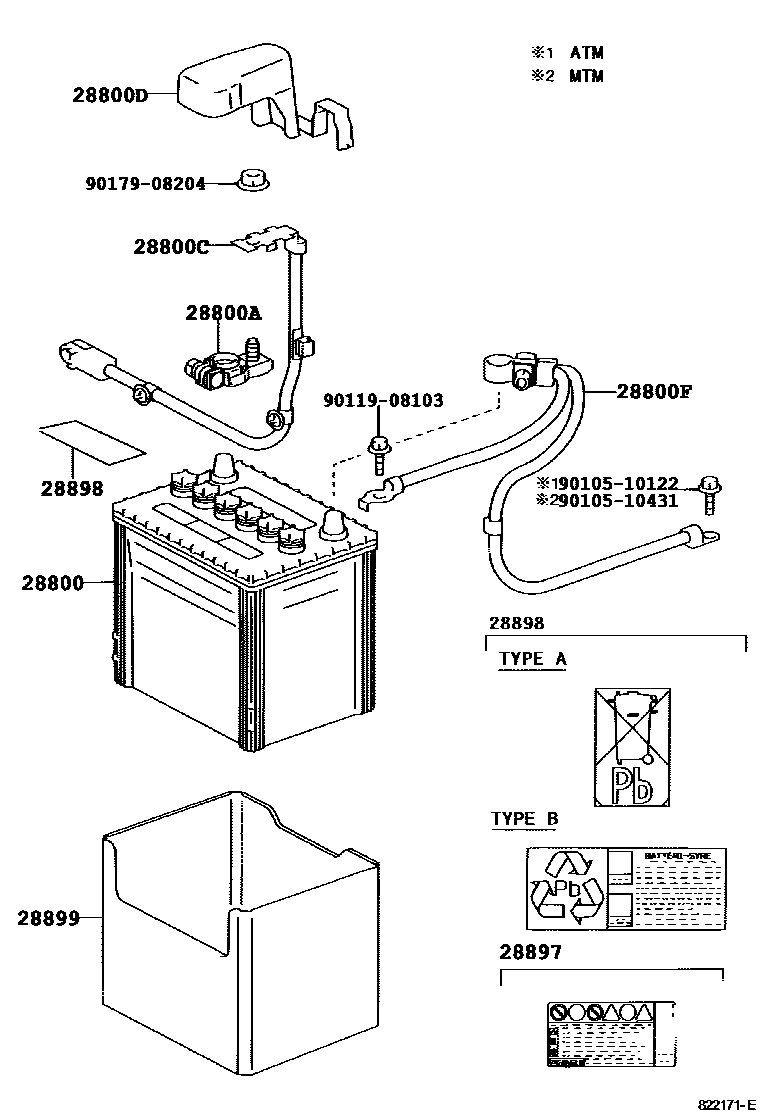
BATTERY & BATTERY CABLE

28800BATTERY
28800ATERMINAL, BATTERY POSITIVE
28800CCABLE, BATTERY TO STARTER(FOR BATTERY TO MAIN SWITCH)
W(BATTERY=55D23L)
W(BATTERY=46B24L)
28800DCOVER, CONNECTOR(FOR BATTERY TERMINAL)
28800FCABLE, BATTERY TO BATTERY
28897PLATE, BATTERY CAUTION
sub28897-38060
28898PLATE, BATTERY
TYPE A:REFER TO ILLUSTRATION
TYPE B:REFER TO ILLUSTRATION
TYPE A:REFER TO ILLUSTRATION
28899INSULATOR, BATTERY
9010510122
main90105-10122
9010510431
main90105-10431
9011908103
main90119-08103
9017908204
main90179-08204
12 parts on this diagram · 1 diagram in section