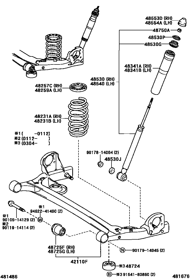
REAR SPRING & SHOCK ABSORBER

48231ASPRING, COIL, REAR RH
WHITE PAINTED
GREEN PAINTED
48231BSPRING, COIL, REAR LH
WHITE PAINTED
GREEN PAINTED
48257CINSULATOR, REAR COIL SPRING, UPPER RH
48259AINSULATOR, REAR COIL SPRING, UPPER LH
48341ABUMPER, REAR SPRING, NO.1 RH
48341BBUMPER, REAR SPRING, NO.1 LH
48530ABSORBER ASSY, SHOCK, REAR RH
MARK 48531-28570
MARK 48531-28640
48530GCUSHION, REAR SHOCK ABSORBER, NO.1
48530JRETAINER, CUSHION, NO.1(FOR REAR SHOCK ABSORBER)
48530PRETAINER, CUSHION, NO.2(FOR REAR SHOCK ABSORBER)
48540ABSORBER ASSY, SHOCK, REAR LH
MARK 48531-28570
MARK 48531-28640
48553DCAP, REAR SHOCK ABSORBER, RH
48554ACAP, REAR SHOCK ABSORBER, LH
48724DAMPER, LWR CONTROL ARM DYNAMIC
48725FBUSH, REAR AXLE CARRIER, RH
48725GBUSH, REAR AXLE CARRIER, LH
9010514129
main90105-14129
9011914114
main90119-14114
9017814004
main90178-14004
9017914045
main90179-14045
9164180860
main91641-80860
9462241400
main94622-41400
24 parts on this diagram · 1 diagram in section