E
EPC Data

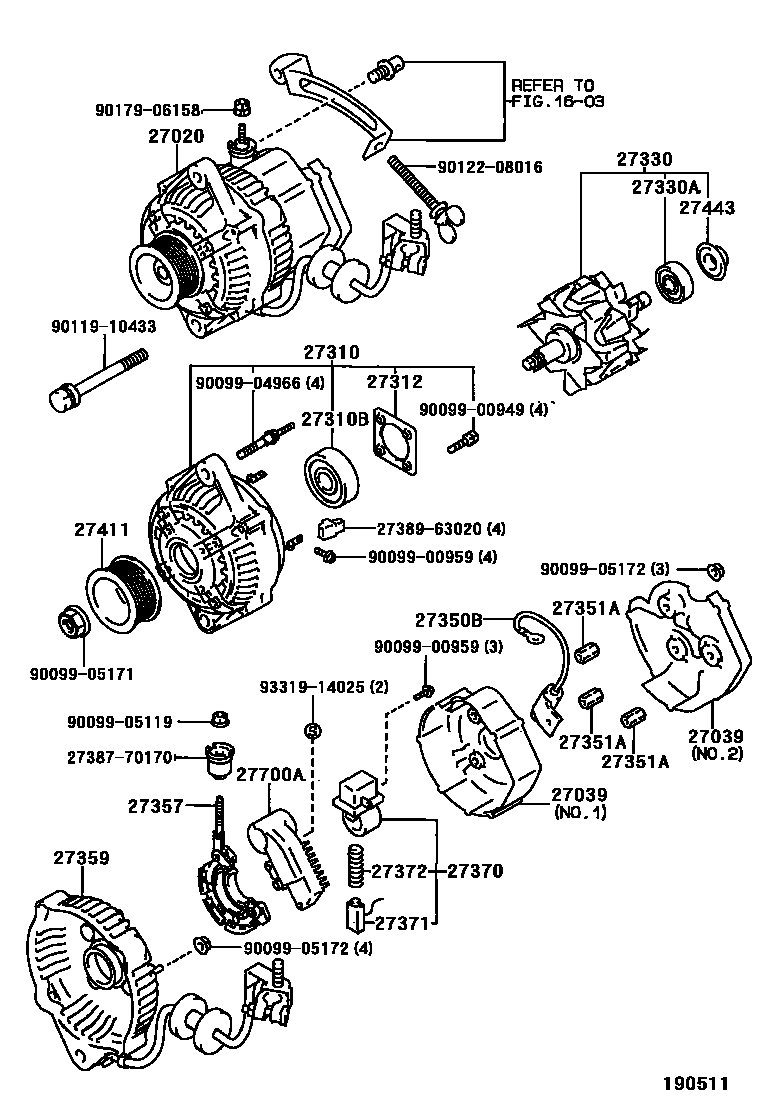
ALTERNATOR

Parts diagram
27020ALTERNATOR ASSY
main27060-76010i199005-199108
12V 70A
main27060-76030i199005-199108
12V 70A
main27060-76030i199005-199108
12V 70A,PINK LABELE
main27060-76040i199108-199308
12V 70A
main27060-76040i199108-199308
12V 70A,PINK LABELE
main27060-76050i199108-199308
12V 70A
main27060-76070i199308-199912
12V 70A
main27060-76080i199310-199912
12V 70A,W(HEATER MIRROR)
main27060-76080i199308-199310
12V 70A,PINK LABELE
main27060-76080i199310-199912
12V 70A,W(HEATER *DRC)
main27060-76080i199308-199912
12V 70A
27039COVER, ALTERNATOR REAR END
main27039-16380i199701-199912
NO.1
main27039-42010i199005-199308
PINK LABELE,NO.1
main27039-42010i199005-199308
NO.1
main27039-55080i199310-199912
W(HEATER MIRROR),NO.1
main27039-55080i199310-199912
W(HEATER *DRC),NO.1
main27039-55080i199308-199912
NO.1
main27039-55080i199308-199310
PINK LABELE,NO.1
main27039-72010i199005-199308
NO.1
main27039-73020i199308-199701
NO.1
main27039-76010i199005-199912
NO.2
27310FRAME ASSY, DRIVE END, ALTERNATOR
main27310-43052i199005-199108
main27310-72210i199005-199108
PINK LABELE
main27310-76040i199108-199912
main27310-76040i199108-199310
PINK LABELE
main27310-76040i199310-199912
W(HEATER MIRROR)
main27310-76040i199310-199912
W(HEATER *DRC)
main27310-76050i199108-199912
27310BBEARING(FOR ALTERNATOR DRIVE END FRAME)
main90099-10160i199005-199101
PINK LABELE
main90099-10178i199005-199912
main90099-10192i199310-199912
W(HEATER *DRC)
main90099-10192i199310-199912
W(HEATER MIRROR)
main90099-10192i199101-199912
main90099-10192i199101-199310
PINK LABELE
27312PLATE, RETAINER
main27312-42010i199310-199912
W(HEATER MIRROR)
main27312-42010i199005-199310
PINK LABELE
main27312-42010i199310-199912
W(HEATER *DRC)
main27312-42010i199005-199912
main27312-70200i199005-199912
27330ROTOR ASSY, ALTERNATOR
main27330-64570i199701-199912
main27330-72101i199005-199701
main27330-76030i199310-199912
W(HEATER MIRROR)
main27330-76030i199310-199912
W(HEATER *DRC)
main27330-76030i199005-199912
main27330-76030i199005-199310
PINK LABELE
27330ABEARING(FOR ALTERNATOR ROTOR)
main90099-10140i199005-199912
27350BCONDENSER, ALTERNATOR
main90099-52106i199005-199308
27351ACOLLAR, ADJUSTING ALTERNATOR
main27351-16130i199310-199508
W(HEATER *DRC),L=23.0
main27351-16130i199005-199108
main27351-16130i199108-199308
L=23
main27351-16130i199108-199912
L=17
main27351-16130i199108-199308
70A,L=17
main27351-16130i199310-199912
L=23.0
main27351-16130i199310-199508
W(HEATER MIRROR),L=23.0
main27351-76040i199308-199310
70A,L=22.0
main27351-76040i199308-199912
L=22.0
main27351-76040i199310-199912
W(HEATER MIRROR),L=22.0
main27351-76040i199310-199912
W(HEATER *DRC),L=22.0
main27351-76050i199108-199912
L=22.0
main27351-76050i199108-199308
L=28
main27351-76050i199108-199308
70A,L=22.0
27357HOLDER, ALTERNATOR, W/RECTIFIER
main27357-16380i199701-199912
main27357-55080i199310-199912
W(HEATER MIRROR)
main27357-55080i199308-199310
PINK LABELE
main27357-55080i199310-199912
W(HEATER *DRC)
main27357-55080i199308-199912
main27357-63020i199005-199701
main27357-74050i199005-199308
PINK LABELE
main27357-74050i199005-199308
27359FRAME, ALTERNATOR RECTIFIER END
main27350-76010i199005-199308
main27350-76030i199005-199108
PINK LABELE
main27359-16180i199308-199601
main27359-16181i199601-199701
main27359-16182i199701-199912
main27359-76040i199310-199912
W(HEATER *DRC)
main27359-76040i199310-199912
W(HEATER MIRROR)
main27359-76040i199108-199912
main27359-76040i199108-199310
PINK LABELE
27370HOLDER ASSY, ALTERNATOR BRUSH
main27370-35060i199005-199912
main27370-75060i199310-199912
W(HEATER MIRROR)
main27370-75060i199005-199310
PINK LABELE
main27370-75060i199310-199912
W(HEATER *DRC)
main27370-75060i199005-199912
27371BRUSH, ALTERNATOR
main27371-63020i199005-199108
main27371-70300i199108-199912
27372SPRING, ALTERNATOR BRUSH
main27372-63020i199005-199912
27411PULLEY, ALTERNATOR
main27411-22080i199910-199912
main27411-50050i199005-199912
main27411-50050i199310-199912
W(HEATER *DRC)
main27411-50050i199310-199912
W(HEATER MIRROR)
main27411-50050i199005-199310
12V 80A
main27411-62011i199005-199910
27443COVER, ALTERNATOR BEARING
main27443-63020i199005-199912
27700AREGULATOR ASSY, GENERATOR
main27700-16010i199005-199108
main27700-35040i199308-199912
main27700-76020i199108-199308
2738770170INSULATOR, TERMINAL
2738963020INSULATOR, TERMINAL
9009900949
9009900959
9009904966
9009905119
9009905171
9009905172
9011910433
9012208016
9017906158
9331914025

29 parts on this diagram · 4 diagrams in section

ALTERNATOR — Toyota Parts Diagram with OEM Numbers & Prices | EPC Data