HEATING & AIR CONDITIONING - CONTROL & AIR DUCT

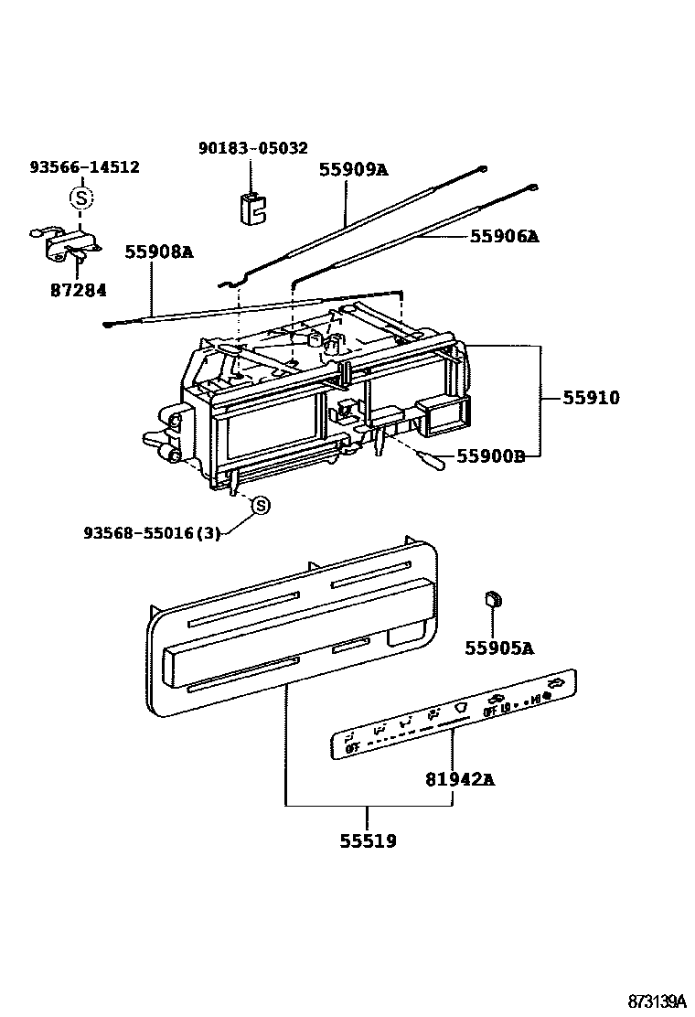
55519PLATE, HEATER CONTROL NAME
W(BOOST VENTILATOR & AIR CONDITIONER)
W(FRONT HEATER)
55900CONTROL ASSY, AIR CONDITIONER
55900BBULB, AIR CONDITIONER CONTROL
14V 1.12W,*DH W(CAP)
14V 1.4W,*DH OR *LHC
14V 1.4W,*DH
14V 1.4W,*LHC
55905AKNOB, HEATER CONTROL
W(BOOST VENTILATOR) & W/O(AIR CONDITIONER)
DEALER OPTION
55906ACABLE SUB-ASSY, DEFROSTER DAMPER CONTROL
55908ACABLE SUB-ASSY, AIR INLET DAMPER CONTROL
55909ACABLE SUB-ASSY, AIRMIX DAMPER CONTROL
55910CONTROL ASSY, HEATER OR BOOST VENTILATOR
W(BOOST VENTILATOR)
W(BOOST VENTILATOR & AIR CONDITIONER)
W(AIR CONDITIONER & HEATER)
W(FRONT HEATER)
81942ASHEET, HEATER CONTROL NAME, NO.1
W(BOOST VENTILATOR & AIR CONDITIONER)
sub81942-16261
W(FRONT HEATER)
87284RESISTOR SUB-ASSY, VARIABLE
MAKER OPTION
9018305032
main90183-05032
9356614512
main93566-14512
9356855016
main93568-55016
13 parts on this diagram · 8 diagrams in section