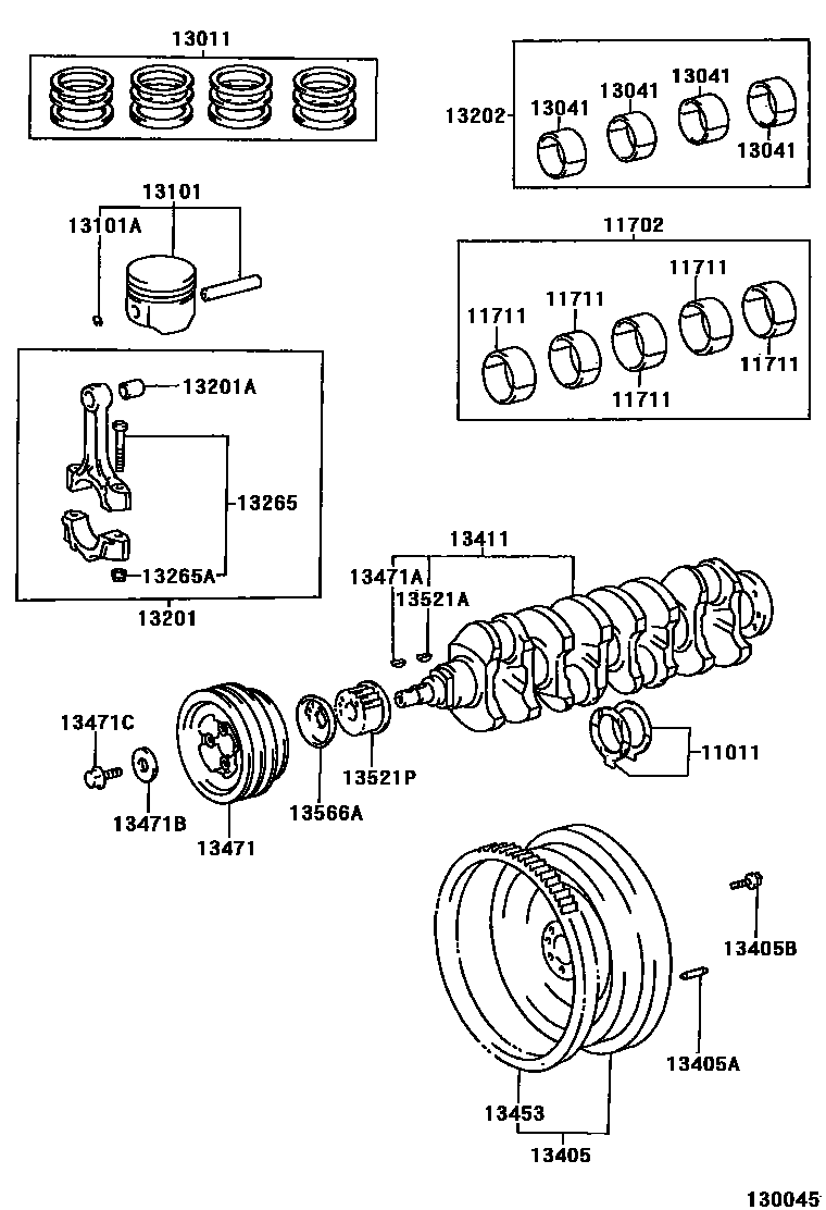
CRANKSHAFT & PISTON

11011WASHER SET, CRANKSHAFT THRUST
STD,(L)
STD
STD,(J)
STD
O/S 0.125
O/S 0.125,(J)
O/S 0.125
O/S 0.250
11702BEARING SET, CRANKSHAFT
U/S 0.25
11711BEARING, CRANKSHAFT
13011RING SET, PISTON
STD
STD
STD
STD
STD
O/S 0.50
O/S 0.50
O/S 0.50
O/S 0.50
O/S 0.50
13041BEARING, CONNECTING ROD
MARK 3,REFER REPAIR MANUAL
MARK 4,REFER REPAIR MANUAL
MARK 5,REFER REPAIR MANUAL
MARK 6,REFER REPAIR MANUAL
MARK 7,REFER REPAIR MANUAL
MARK 1,REFER REPAIR MANUAL
MARK 2,REFER REPAIR MANUAL
MARK 3,REFER REPAIR MANUAL
13101PISTON SUB-ASSY, W/PIN
STD,MARK 1,REFER REPAIR MANUAL
STD,MARK 2,REFER REPAIR MANUAL
STD,MARK 3,REFER REPAIR MANUAL
STD,MARK 1,REFER REPAIR MANUAL
STD,MARK 2,REFER REPAIR MANUAL
STD,MARK 3,REFER REPAIR MANUAL
STD,MARK 1:REFER TO REPAIR MANUAL,MARK 1
STD,MARK 2:REFER TO REPAIR MANUAL,MARK 2
STD,MARK 3:REFER TO REPAIR MANUAL,MARK 3
STD,MARK 1:REFER TO REPAIR MANUAL,MARK 1
STD,MARK 2:REFER TO REPAIR MANUAL,MARK 2
STD,MARK 3:REFER TO REPAIR MANUAL,MARK 3
STD,MARK 1
STD,MARK 2
STD,MARK 3
O/S 0.50
O/S 0.50
O/S 0.50
O/S 0.50
O/S 0.50
O/S 0.50
13101ARING, HOLE SNAP(FOR PISTON PIN)
13201ABUSH(FOR CONNECTING ROD SMALL END)
13202BEARING SET, CONNECTING ROD
U/S 0.25
U/S 0.25
U/S 0.50
U/S 0.50
U/S 0.75
U/S 0.75
13265ANUT, HEXAGON(FOR CONNECTING ROD BOLT)
13405FLYWHEEL SUB-ASSY
13405APIN, STRAIGHT(FOR FLYWHEEL)
L=23,OD=8
L=18,OD=8
13405BBOLT, FLYWHEEL SETTING
13453GEAR, FLYWHEEL RING
13471PULLEY, CRANKSHAFT
13471AKEY, CRANKSHAFT(FOR CRANKSHAFT PULLEY SET)
13471BWASHER, PLATE(FOR CRANKSHAFT PULLEY SET)
13521GEAR OR SPROCKET, CRANKSHAFT TIMING
13521AKEY(FOR CRANKSHAFT TIMING GEAR)
13521PPULLEY, CRANKSHAFT TIMING
(L)
(J)
13566AGUIDE, TIMING BELT
25 parts on this diagram · 4 diagrams in section