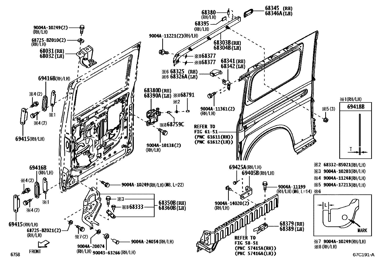
SLIDE ROLLER & RAIL

5851
6151
68031ARM SUB-ASSY, SLIDE DOOR UPPER ROLLER, RH
W/ROLLER
68032ARM SUB-ASSY, SLIDE DOOR UPPER ROLLER, LH
W/ROLLER
68303BRAIL SUB-ASSY, SLIDE DOOR, CENTER RH
68304BRAIL SUB-ASSY, SLIDE DOOR, CENTER LH
68325CUSHION, SLIDE DOOR UPPER RAIL, RH
MARK=6R,L=8.5
MARK=3R,L=11.5
68326ACUSHION, SLIDE DOOR UPPER RAIL, LH
MARK=6L,L=8.5
MARK=3L,L=11.5
68333ROLLER, SLIDE DOOR CENTER, NO.1
68341BASE, SLIDE DOOR UPPER ROOLER, RH
68342BASE, SLIDE DOOR UPPER ROOLER, LH
68345COVER, SLIDE DOOR CENTER RAIL
68346ACOVER, SLIDE DOOR CENTER RAIL, LH
68350BROLLER ASSY, SLIDE DOOR, LOWER RH
68360BROLLER ASSY, SLIDE DOOR, LOWER LH
68377PAD, SLIDE DOOR CENTER RAIL, FRONT
68379SPRING, SLIDE DOOR CATCH, RH
68380CUSHION ASSY, SLIDE DOOR
68380DHINGE ASSY, SLIDE DOOR, CENTER RH
68389SPRING, SLIDE DOOR CATCH, LH
68390AHINGE ASSY, SLIDE DOOR, CENTER LH
68395PACKING, SLIDE DOOR CENTER RAIL
68759CSPACER, CENTER DOOR HINGE
68791PIN, DOOR HINGE, NO.1
69405BSTOP SUB-ASSY, SLIDE DOOR OPEN
69415STOPPER, SLIDE DOOR DOWN FEMALE
69416BSTOPPER, SLIDE DOOR DOWN MALE
69418BSHIM, SLIDE DOOR DOWN STOP MALE
T=0.5
T=1.0
T=1.5
T=2.0
69425ACUSHION, SLIDE DOOR STOP
68332B5021REINFORCEMENT, SLIDE DOOR CENTER RAIL
68725BZ010PIN, DOOR HINGE
68725BZ021PIN, DOOR HINGE
9004363266
9004A10138
9004A10203
main9004A-10203
9004A10249
main9004A-10249
9004A11199
main9004A-11199
9004A11221
main9004A-11221
9004A11248
main9004A-11248
9004A11361
main9004A-11361
9004A14020
main9004A-14020
9004A17213
main9004A-17213
9004A20074
main9004A-20074
9004A24054
44 parts on this diagram · 1 diagram in section