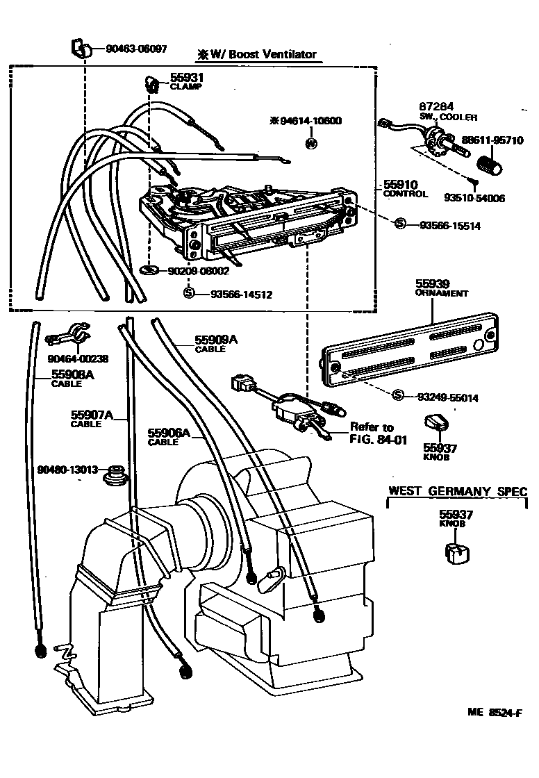
HEATING & AIR CONDITIONING - CONTROL & AIR DUCT

55906ACABLE SUB-ASSY, DEFROSTER DAMPER CONTROL
L=570
L=680
55907ACABLE SUB-ASSY, WATER VALVE CONTROL
L=850
L=790
W/RR HEATER
L=1230,W/REAR HEATER
55908ACABLE SUB-ASSY, AIR INLET DAMPER CONTROL
L=890
L=830
55909ACABLE SUB-ASSY, AIRMIX DAMPER CONTROL
L=610
55910CONTROL ASSY, HEATER OR BOOST VENTILATOR
W/BOOST VENTILATOR
W/BOOST VENTILATOR
W/BOOST VENTILATOR
W/BOOST VENTILATOR
W/BOOST VENTILATOR
55931CLAMP, HEATER CONTROL WIRE
55937KNOB, HEATER CONTROL LEVER
main55905-30090iKM20..4F;KM20..LHD..SRF..4H..EUR;KM20..HRF..VSP..4H..EUR;KM20..HRF..4H..(05S,07S)..EUR198101-198508
*FRG
W/REAR HEATER
55939ORNAMENT, HEATER CONTROL
W/O HEATER
W/O HEATER
W/BOOST VENTILATOR
W/BOOST VENTILATOR
W/BOOST VENTILATOR
W/BOOST VENTILATOR
sub55519-95714
BOOST VENTILATOR
BEIGE,W/REAR HEATER,BEIGE
BROWN,W/REAR HEATER,BROWN
8401
87284RESISTOR SUB-ASSY, VARIABLE
8861195710KNOB, COOLER CONTROL SWITCH
main88611-95710
9020908002
main90209-08002
9046306097
main90463-06097
9046400238
main90464-00238
9048013013
main90480-13013
9324955014
main93249-55014
9351054006
main93510-54006
9356614512
main93566-14512
9356615514
main93566-15514
9461410600
main94614-10600
20 parts on this diagram · 7 diagrams in section