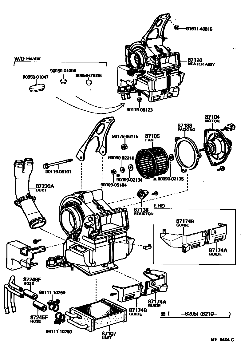
HEATING & AIR CONDITIONING - HEATER UNIT & BLOWER

87105FAN SUB-ASSY, HEATER BLOWER
87107UNIT SUB-ASSY, HEATER RADIATOR
sub87107-95401
main87107-95403iKM20..4F;KM20..SRF..4H..EUR;KM20..HRF..VSP..4H..EUR;KM20..HRF..4H..(05S,07S)..EUR197910-198508
HEAVY HEATER
sub87107-95405
sub87107-95702
HEAVY HEATER
HEAVY HEATER
87110HEATER ASSY
sub87110-95701
sub87110-95705
HEAVY HEATER
main87110-95707iKM20..4F;KM20..LHD..SRF..4H..EUR;KM20..HRF..VSP..4H..EUR;KM20..HRF..4H..(05S,07S)..EUR197910-198210
sub87110-95708
main87110-95708iKM20..4F;KM20..LHD..SRF..4H..EUR;KM20..HRF..VSP..4H..EUR;KM20..HRF..4H..(05S,07S)..EUR197910-198210
HEAVY HEATER
W/95W BLOWER MOTOR
HEAVY HEATER
sub87110-95713
87138RESISTOR, HEATER BLOWER
main87138-87004iKM20..4F;KM20..SRF..4H..EUR;KM20..HRF..VSP..4H..EUR;KM20..HRF..4H..(05S,07S)..EUR197910-198210
HEAVY HEATER
W/95W BLOWER MOTOR
87174AGUIDE, AIR HEATER
87174BGUIDE, AIR, NO.2
HEAVY HEATER
87188PACKING, HEATER BLOWER MOTOR
87230ADUCT ASSY, HEATER AIR
main87212-95700iKM20..4F;KM20..SRF..4H..EUR;KM20..HRF..VSP..4H..EUR;KM20..HRF..4H..(05S,07S)..EUR197910-198508
87245FHOSE, HEATER WATER, INLET F
L=1000(*H,L=45)
sub99552-30100
87246FHOSE, HEATER WATER, OUTLET F
L=1000(*H,L=45)
sub99552-30100
9009902134
main90099-02134
9009902135
main90099-02135
9009902210
main90099-02210
9009905164
main90099-05164
9011906191
main90119-06191
9017906115
main90179-06115
9017908123
main90179-08123
9095001006
main90950-01006
9095001047
main90950-01047
9161140816
main91611-40816
9611110250
main96111-10250
22 parts on this diagram · 7 diagrams in section