E
EPC Data

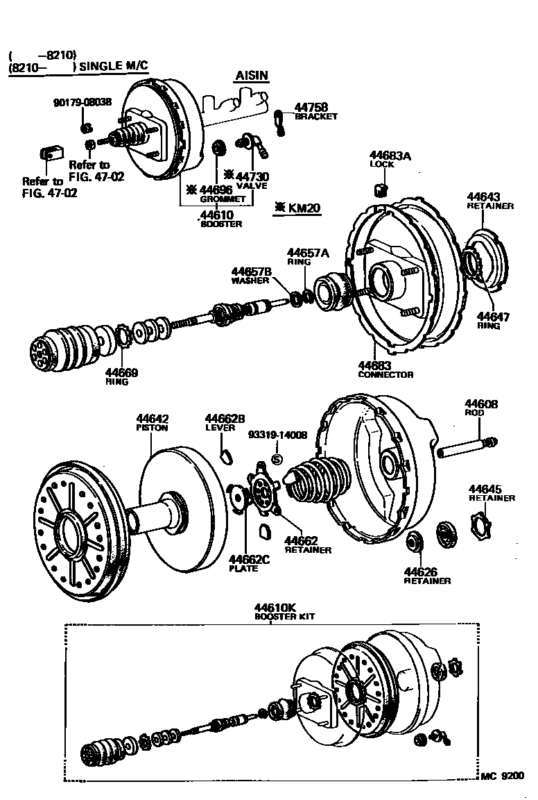
BRAKE BOOSTER & VACUUM TUBE

Parts diagram
44608PUSH ROD SUB-ASSY, BOOSTER
main44606-12520i¥2,660198410-198508
TANDEM M/C
main44606-30340i¥1,090198108-198508
main44606-32010i198210-198410
TANDEM M/C
main44606-35100i¥940197910-198210
main44606-35100i¥940198210-198508
SINGLE M/C
main44608-14040i¥1,630197910-198210
main44608-14040i¥1,630198210-198508
SINGLE M/C
main44608-32020i¥2,670198210-198508
TANDEM M/C
44610BOOSTER ASSY, BRAKE
main44610-27020i¥41,800197910-198210
7.5INCHES,FR DISK BRAKE
main44610-27030i197910-198210
7.5INCHES,FR DISC BRAKE
main44610-27040i¥40,500197910-198210
7.5INCHES,FR DRUM BRAKE
main44610-27050i¥44,100197910-198210
7.5INCHES,FR DRUM BRAKE
main44610-27060i¥34,800197910-198508
6INCHES
main44610-27070i¥36,100197910-198508
6INCHES
main44610-27110i¥41,700198108-198508
7.5INCHES,FR DISC BRAKE
main44610-27130i¥48,400198210-198508
TANDEM M/C,FR DISC BRAKE
main44610-27140i¥45,600198210-198508
TANDEM M/C,FR DISC BRAKE
main44610-27150i¥45,600198210-198508
TANDEM M/C,FR DRUM BRAKE
main44610-27160i¥45,600198210-198508
TANDEM M/C,FR DRUM BRAKE
main44610-27170i198210-198508
TANDEM M/C,FR DISC BRAKE
main44610-27180i198210-198508
TANDEM M/C,FR DISC BRAKE
main44610-27190i198210-198508
SINGLE M/C
main44610-27200i198210-198508
SINGLE M/C
main44610-27210i¥43,300198210-198508
TANDEM M/C,FR DRUM BRAKE
main44610-27220i198210-198508
TANDEM M/C,FR DRUM BRAKE
44610KBOOSTER KIT, BRAKE
main04443-12190i197910-198210
7.5INCHES
main04443-27020i197910-198210
7.5INCHES,FR DISC BRAKE
main04443-27030i197910-198210
7.5INCHES,FR DRUM BRAKE
main04443-27040i¥11,600197910-198508
6INCHES
main04443-27050i¥11,300197910-198508
6INCHES
main04443-27060i198210-198508
SINGLE M/C
main04443-27080i¥11,600198108-198508
7.5INCHES,FR DISC BRAKE
main04443-27100i¥12,400198210-198508
TANDEM M/C,FR DISC BRAKE
main04443-27110i¥12,400198210-198508
TANDEM M/C,FR DISC BRAKE
main04443-27120i¥12,400198210-198508
TANDEM M/C,FR DRUM BRAKE
main04443-27130i¥12,400198210-198508
TANDEM M/C,FR DRUM BRAKE
main04443-27140i198210-198508
TANDEM M/C,FR DISC BRAKE
main04443-27150i198210-198508
TANDEM M/C,FR DISC BRAKE
main04443-27160i198210-198508
SINGLE M/C
main04443-27170i198210-198508
TANDEM M/C,FR DRUM BRAKE
main04443-27180i198210-198508
TANDEM M/C,FR DRUM BRAKE
44626RETAINER, BOOSTER ROD CUP
main44626-60010i¥160197910-198508
44642PISTON, BRAKE BOOSTER
main44642-14170i¥7,800197910-198210
7.5INCHES
main44642-14190i¥7,400197910-198508
6INCHES,SINGLE M/C
main44642-16050i¥3,820198210-198508
TANDEM M/C,FR DISC BRAKE
main44642-20080i¥11,400197910-198508
6INCHES,SINGLE M/C
main44642-20140i¥15,400197910-198210
7.5INCHES,FR DISC BRAKE
main44642-22110i197910-198210
7.5INCHES,FR DRUM BRAKE
main44642-27150i¥5,900198210-198508
TANDEM M/C,FR DRUM BRAKE
main44642-30340i¥4,090198108-198508
7.5INCHES,FR DISC BRAKE
44643RETAINER, DIAPHRAGM
main44643-30340i¥270198108-198508
main44643-60010i¥620197910-198508
44645RETAINER, BOOSTER PUSH ROD SEAL
main44628-60010i¥440197910-198508
main44645-22020i¥220197910-198508
44647RING, CIRCULAR INTERNAL(FOR BOOSTER BODY SEAL STOPPER)
main44629-30090i¥300197910-198508
44657ARING, SNAP(FOR BOOSTER AIR VALVE STOPPER)
main96150-01600i¥260197910-198508
44657BWASHER, PLATE(FOR BOOSTER AIR VALVE STOPPER)
main44645-20100i¥250197910-198508
44662RETAINER, REACTION, NO.1
main44662-35100i¥620197910-198508
44662BLEVER, REACTION
main44661-35100i¥470197910-198508
44662CPLATE, REACTION, NO.1
main44607-22330i¥1,630197910-198210
7.5INCHES,FR DISC BRAKE
main44607-27050i197910-198210
7.5INCHES,FR DRUM BRAKE
main44607-35100i197910-198508
6INCHES
44669RING, CIRCULAR INTERNAL(FOR AIR CLEANER ELEMENT STOPPER)
main44669-60010i¥270197910-198508
44683CONNECTOR, BOOSTER BODY
main44682-20100i¥1,450197910-198508
6INCHES
main44682-20150i¥1,540197910-198210
7.5INCHES
main44682-20150i¥1,540198210-198508
44683ALOCK, CONNECTOR
main44683-20100i¥450197910-198508
44696GROMMET, CHECK VALVE
main90480-24439i¥390197910-198508
main90480-24517i¥580197910-198508
sub90480-24015¥130
44730VALVE ASSY, VACUUM CHECK(FOR BRAKE)
main44730-20060i¥2,920197910-198508
main44730-22090i¥2,300197910-198508
main44730-60040i¥5,500198210-198508
44758BRACKET, VACUUM CHECK VALVE
main44758-20051i197910-198210
7.5INCHES BOOSTER
main44758-22030i197910-198508
6INCHES BOOSTER
main44758-27030i198108-198508
7.5INCHES BOOSTER
main44758-27060i¥230198210-198508
8INCHES BOOSTER
4702
9017908038
main90179-08038¥130
9331914008
main93319-14008¥80

22 parts on this diagram · 8 diagrams in section

BRAKE BOOSTER & VACUUM TUBE — Toyota Parts Diagram with OEM Numbers & Prices | EPC Data