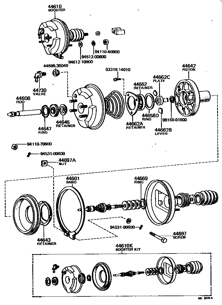
BRAKE BOOSTER & VACUUM TUBE

44601BAND SUB-ASSY, BOOSTER BODY
44608PUSH ROD SUB-ASSY, BOOSTER
sub44606-30031
44610BOOSTER ASSY, BRAKE
44610KBOOSTER KIT, BRAKE
44642PISTON, BRAKE BOOSTER
44643RETAINER, DIAPHRAGM
44645RETAINER, BOOSTER PUSH ROD SEAL
44647RING, CIRCULAR INTERNAL(FOR BOOSTER BODY SEAL STOPPER)
44658DRING, O(FOR BOOSTER CONTROL VALVE)
44662RETAINER, REACTION, NO.1
44662ARETAINER, REACTION, NO.2
44662BLEVER, REACTION
sub44661-35100
44669RING, CIRCULAR INTERNAL(FOR AIR CLEANER ELEMENT STOPPER)
44697SCREW, BOOSTER BAND SET
44697ANUT(FOR BOOSTER BAND SET)
4469636040GROMMET, CHECK VALVE
main44696-36040
9331914010
main93319-14010
9411040800
main94110-40800
9411070600
main94110-70600
9451200800
main94512-00800
9453100600
main94531-00600
9461210800
main94612-10800
9615001600
main96150-01600
25 parts on this diagram · 2 diagrams in section