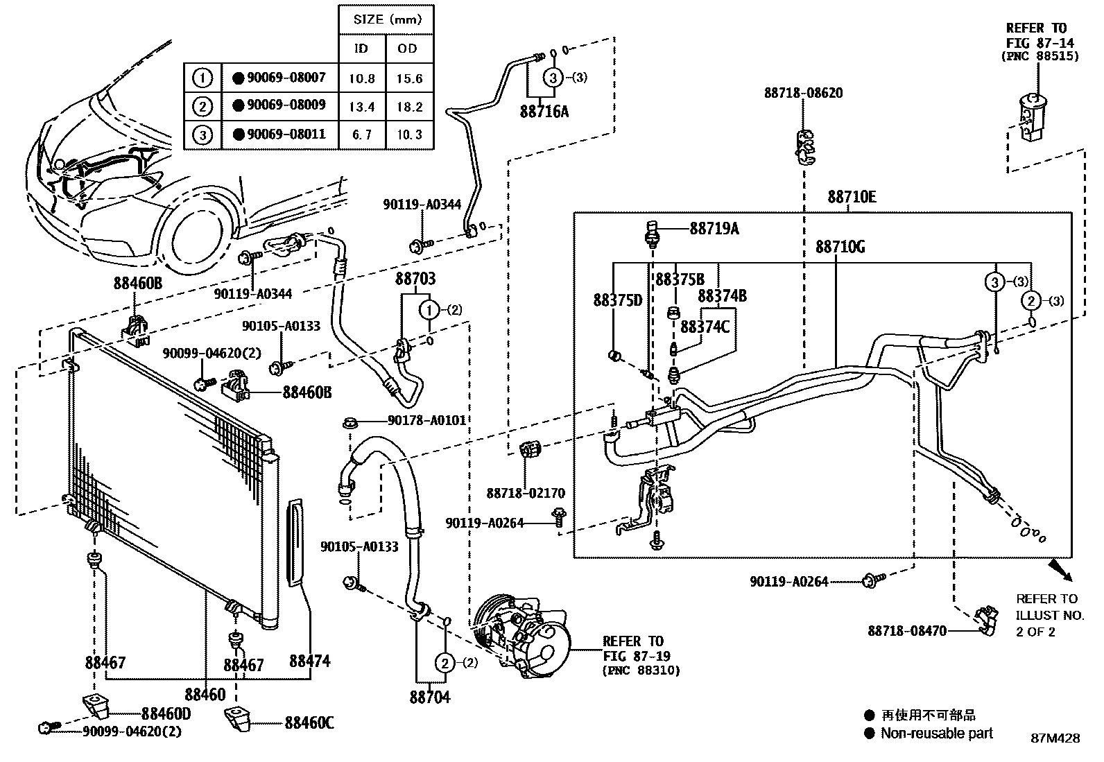
HEATING & AIR CONDITIONING - COOLER PIPING

8714
8719
88374BVALVE, SERVICE, NO.1
88374CVALVE, SERVICE, NO.2
88375DCAP, SERVICE VALVE, NO.2
sub88375-0E030
88460CONDENSER ASSY, COOLER
88460BBRACKET, COOLER CONDENSER, NO.1
88460CBRACKET, COOLER CONDENSER, NO.2
88460DBRACKET, COOLER CONDENSER, NO.3
88467CUSHION, COOLER CONDENSER, NO.1
88474DRYER, COOLER
88703HOSE SUB-ASSY, DISCHARGE
88704HOSE SUB-ASSY, SUCTION
88710ETUBE & ACCESSORY ASSY, AIR CONDITIONER
88710GTUBE & ACCESSORY ASSY, AIR CONDITIONER, NO.2
88716APIPE, COOLER REFRIGERANT LIQUID, A
88719ASENSOR, AIR CONDITIONER PRESSURE
8871802170PIPE, COOLER REFRIGERANT SUCTION, NO.2
main88718-02170
8871808470PIPE, COOLER REFRIGERANT SUCTION, NO.2
main88718-08470
8871808620PIPE, COOLER REFRIGERANT SUCTION, NO.2
main88718-08620
9006908007
main90069-08007
9006908009
main90069-08009
9006908011
main90069-08011
9009904620
main90099-04620
90105A0133
main90105-A0133
90119A0264
main90119-A0264
90119A0344
main90119-A0344
90178A0101
main90178-A0101
29 parts on this diagram · 6 diagrams in section