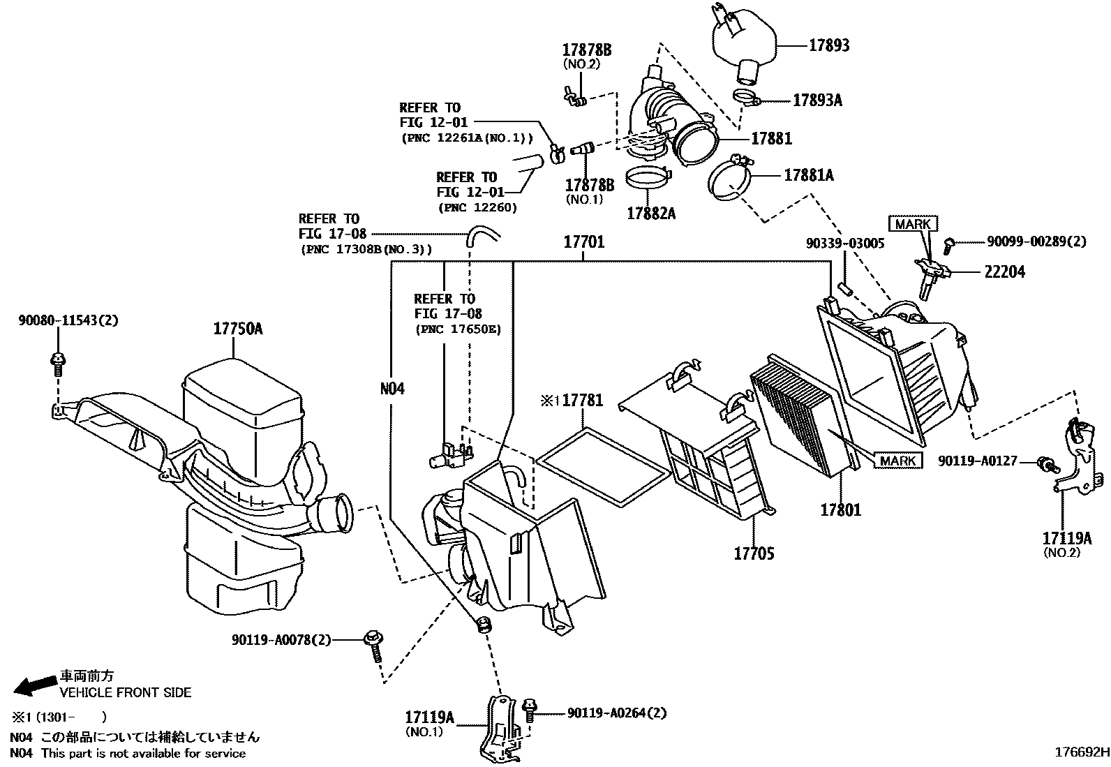
AIR CLEANER

1201
1708
17119ABRACKET, AIR CLEANER
NO.1:REFER ILLUST.
NO.2:REFER ILLUST.
17701CASE SUB-ASSY, AIR CLEANER
17750COVER ASSY, AIR CLEANER INLET, SEAL
17750AINLET ASSY, AIR CLEANER
17781SEAL, AIR CLEANER INLET
17801ELEMENT SUB-ASSY, AIR CLEANER FILTER
MARK = MADE IN USA
MARK 17801-31131
17878BTUBE, VENTILATION
NO.1
NO.2
NO.1:REFER ILLUST.
NO.2:REFER ILLUST.
17881HOSE, AIR CLEANER, NO.1
17881ACLAMP(FOR AIR CLEANER HOSE, NO.1)
sub96111-30930
17893RESONATOR, INTAKE AIR
22204METER SUB-ASSY, INTAKE AIR FLOW
MARK 22204-0V010
MARK 22204-0V020
MARK 22204-28010
9008011543
main90080-11543
9009900289
main90099-00289
90119A0078
main90119-A0078
90119A0127
main90119-A0127
90119A0264
main90119-A0264
9033903005
main90339-03005
22 parts on this diagram · 4 diagrams in section