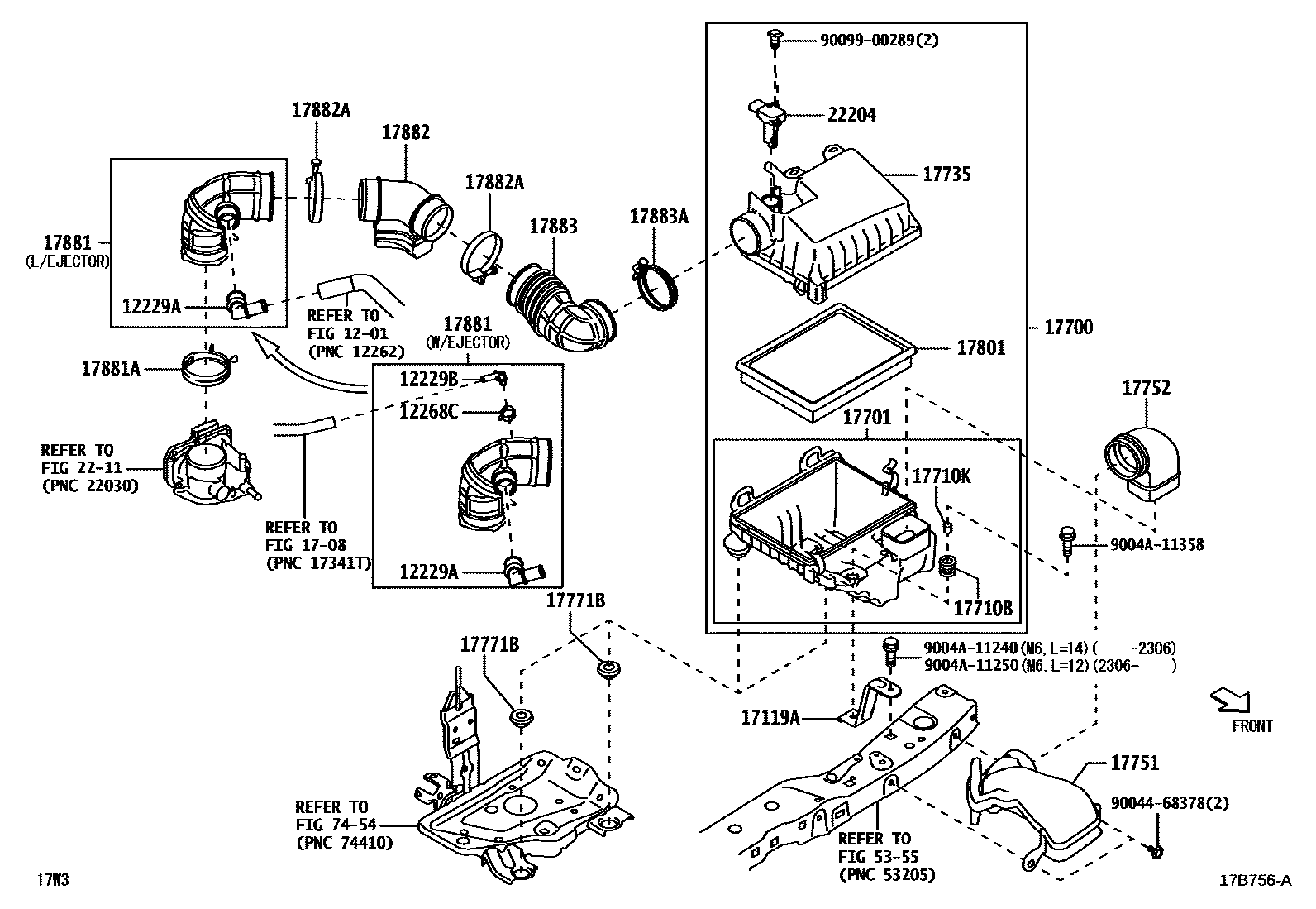
AIR CLEANER

1201
12229APIPE, VENTILATION
12229BPIPE, VENTILATION, NO.1
12268CCLIP, HOSE
1708
17700CLEANER ASSY, AIR
17701CASE SUB-ASSY, AIR CLEANER
17710BGROMMET
17710KCOLLAR(FOR AIR CLEANER)
17735CAP, AIR CLEANER
17751INLET, AIR CLEANER, NO.1
17752INLET, AIR CLEANER, NO.2
17771BGROMMET(FOR AIR CLEANER BRACKET)
17801ELEMENT SUB-ASSY, AIR CLEANER FILTER
17881HOSE, AIR CLEANER, NO.1
17881ACLAMP(FOR AIR CLEANER HOSE, NO.1)
17882HOSE, AIR CLEANER, NO.2
17882ACLAMP(FOR AIR CLEANER HOSE, NO.2)
17883HOSE, AIR CLEANER, NO.3
17883ACLAMP(FOR AIR CLEANER HOSE, NO.3)
2211
22204METER SUB-ASSY, INTAKE AIR FLOW
5355
7454
9004468378
main90044-68378
9004A11240
main9004A-11240
9004A11250
main9004A-11250
9004A11358
main9004A-11358
9009900289
main90099-00289
30 parts on this diagram · 1 diagram in section