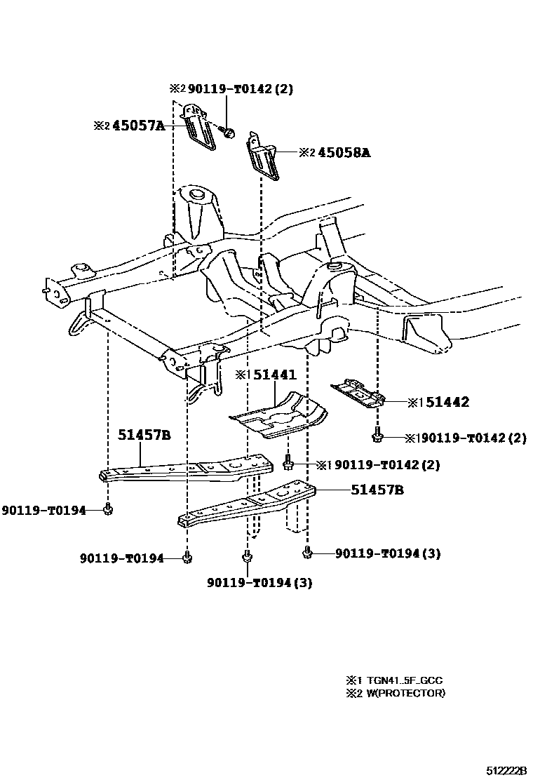
SUSPENSION CROSSMEMBER & UNDER COVER

45057APROTECTOR SUB-ASSY, RACK BOOT, NO.1 RH
45058APROTECTOR SUB-ASSY, RACK BOOT, NO.1 LH
51441COVER, ENGINE UNDER, NO.1
51442COVER, ENGINE UNDER, NO.2
51457BBRACE, FRONT SIDE MEMBER TO FRONT SUSPENSION CROSSMEMBER
90119T0142
main90119-T0142
90119T0194
main90119-T0194
7 parts on this diagram · 1 diagram in section