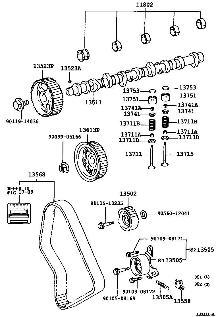
CAMSHAFT & VALVE

11802BEARING SET, CAMSHAFT
13502IDLER SUB-ASSY, TIMING BELT, NO.2
(L)
(J)
13505IDLER SUB-ASSY, TIMING BELT, NO.1
(L)
(J)
13505ASPRING, TENSION(FOR IDLER)
13511CAMSHAFT
(L)
(J)
13523GEAR OR SPROCKET, CAMSHAFT TIMING
13523AKEY, WOODRUFF(FOR TIMING GEAR)
13523PPULLEY, CAMSHAFT TIMING
(L)
(J)
13558BRACKET, SPRING(FOR IDLER)
13568BELT, TIMING
13613PPULLEY, INJECTION PUMP DRIVE
(L)
(J)
13711VALVE, INTAKE
(L)
W(EGR),(L)
(J)
W(EGR)
W(EGR),(J)
13711ASEAL OR RING, O(FOR VALVE STEM OIL)
13711BSPRING, COMPRESSION(FOR INNER)
(L)
(J)
13711DWASHER, PLATE(FOR VALVE SPRING SEAT)
(L)
(J)
13715VALVE, EXHAUST
(L)
W(EGR),(L)
(J)
W(EGR),(J)
W(EGR)
13741RETAINER, VALVE SPRING
13741ALOCK, VALVE SPRING RETAINER
13751LIFTER, VALVE
13753SHIM, VALVE ADJUSTING
T=2.50,T01,(L)
T=2.60,T06,(L)
T=2.70,T11,(L)
T=2.80,T16,(L)
T=2.90,T21,(L)
T=3.00,T26,(L)
T=3.10,T31,(L)
T=3.20,T36,(L)
T=3.30,T41,(L)
T=2.50,MARK=T01,(J)
T=2.60,MARK=T06,(J)
T=2.70,MARK=T11,(J)
T=2.80,MARK=T16,(J)
T=2.90,MARK=T21,(J)
T=3.00,MARK=T26,(J)
T=3.10,MARK=T31,(J)
T=3.20,MARK=T36,(J)
T=3.30,MARK=T41,(J)
T=2.55,MARK=T42
T=2.65,MARK=T43
T=2.75,MARK=T44
T=2.85,MARK=T45
T=2.95,MARK=T46
T=3.05,MARK=T47
T=3.15,MARK=T48
T=3.25,MARK=T49
T=2.25
T=2.30
T=2.35
T=2.40
T=2.45
T=2.50
T=2.55
T=2.60
T=2.65
T=2.70
T=2.75
T=2.80
T=2.85
T=2.90
T=2.95
T=3.00
T=3.05
T=3.10
T=3.15
T=3.20
T=3.25
T=3.30
T=3.35
T=3.40
1709
9009905166
main90099-05166
9010508169
9010510235
9010908171
9010908172
9011914036
9056012041
28 parts on this diagram · 2 diagrams in section