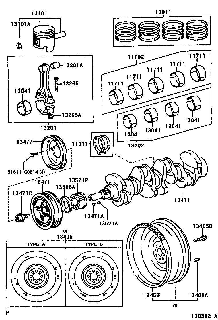
CRANKSHAFT & PISTON

11011WASHER SET, CRANKSHAFT THRUST
STD
STD
O/S 0.125
O/S 0.250
11702BEARING SET, CRANKSHAFT
U/S 0.25
U/S 0.50
11711BEARING, CRANKSHAFT
MRAK 1,(L):REFER R/M
MRAK 2,(L):REFER R/M
MRAK 3,(L):REFER R/M
MARK 1,(L):REFER R/M
MARK 2,(L):REFER R/M
MARK 3,(L):REFER R/M
MARK 1,(J):REFER R/M
MARK 2,(J):REFER R/M
MARK 3,(J):REFER R/M
13011RING SET, PISTON
STD
STD
O/S 0.50
O/S 0.50
O/S 0.75
O/S 1.00
13041BEARING, CONNECTING ROD
MARK 1,(L):REFER R/M
MARK 2,(L):REFER R/M
MARK 3,(L):REFER R/M
MARK 1,(J):REFER R/M
MARK 2,REFER REPAIR MANUAL
MARK 3,(J):REFER R/M
13101PISTON SUB-ASSY, W/PIN
STD,W(EGR),MARK 1,MARK 1,(L),REFER R/M
STD,W(EGR),MARK 2,MARK 2,(L),REFER R/M
STD,W(EGR),MARK 3,MARK 3,(L),REFER R/M
STD,MARK 1,REFER REPAIR MANUAL
STD,MARK 2,REFER REPAIR MANUAL
STD,MARK 3,REFER REPAIR MANUAL
STD,W(EGR),MARK 1,MARK 1,(J),REFER R/M
STD,W(EGR),MARK 2,MARK 2,(J),REFER R/M
STD,W(EGR),MARK 3,MARK 3,(J),REFER R/M
STD
O/S 0.50,REFER REPAIR MANUAL
O/S 0.50,W(EGR),REFER REPAIR MANUAL
O/S 0.50
O/S 0.75,REFER REPAIR MANUAL
O/S 0.75,W(EGR),REFER REPAIR MANUAL
O/S 1.00,REFER REPAIR MANUAL
O/S 1.00,W(EGR),REFER REPAIR MANUAL
13101ARING, HOLE SNAP(FOR PISTON PIN)
13201ROD SUB-ASSY, CONNECTING
(L)
(J)
13201ABUSH(FOR CONNECTING ROD SMALL END)
13202BEARING SET, CONNECTING ROD
U/S 0.25
U/S 0.50
13265ANUT, HEXAGON(FOR CONNECTING ROD BOLT)
13405FLYWHEEL SUB-ASSY
TYPE A:REFER TO ILLUSTRATION,(L)
TYPE B:REFER TO ILLUSTRATION,(L)
TYPE B:REFER TO ILLUSTRATION,(J)
13405APIN, STRAIGHT(FOR FLYWHEEL)
L=23,OD=8
13405BBOLT, FLYWHEEL SETTING
(L)
13411CRANKSHAFT
(L)
(J)
13453GEAR, FLYWHEEL RING
(L)
(J)
13471PULLEY, CRANKSHAFT
13471AKEY, CRANKSHAFT(FOR CRANKSHAFT PULLEY SET)
13471CBOLT(FOR CRANKSHAFT PULLEY SET)
13521GEAR OR SPROCKET, CRANKSHAFT TIMING
13521AKEY(FOR CRANKSHAFT TIMING GEAR)
13521PPULLEY, CRANKSHAFT TIMING
(L)
(J)
13566AGUIDE, TIMING BELT
(L)
(J)
9161160814
main91611-60814
26 parts on this diagram · 2 diagrams in section