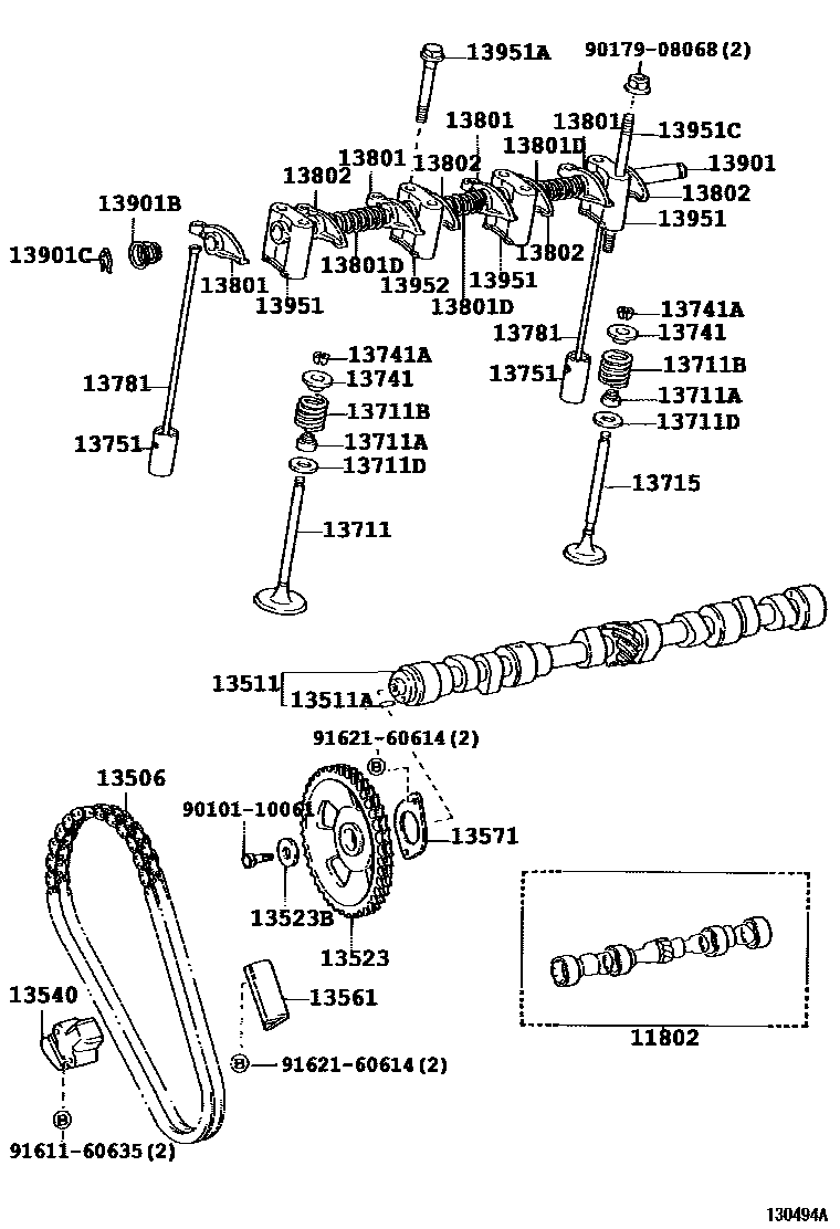
11802BEARING SET, CAMSHAFT
main11802-22011i7KE..KF82..SRF;7K#..KF7#,80..RHD199612-200607 STD
main11802-54020i2L..LF82..RHD;2L,5L..LF6#,7#,80,81,85199612-200403 STD
main11803-13030i7K#..KF60,80..(SCB,SHRW)..(FD,LUB,SD)200607-200612 U/S 0.125
main11803-22011i7KE..KF82..SRF;7K#..KF7#,80..RHD199612-200607 U/S 0.125
main11803-54020i2L..LF82..RHD;2L,5L..LF6#,7#,80,81,85199612-200403 U/S 0.125
main11804-22011i7KE..KF82..RHD;7K#..KF60,7#,80199612-200607 U/S 0.25
main11804-54020i2L..LF82;2L,5L..LF6#,80,81,85..GEN,SA199612-200403 U/S 0.25
13506CHAIN SUB-ASSY
main13506-13040i7KE..KF82;7K#..KF60,7#,80..(SCB,SHRV,SRF)..(LUB,T2)..(GEN,MA,TAIW)199612-200612 main13506-75010i1RZE,2RZE..RZF71,80,81,84,85199911-200612 13511CAMSHAFT
main13501-05010i2L..LF82..RHD;2L..LF60,72,80199612-200402 (L)
main13501-13043i7KE..KF82..RHD;7K#..KF60,7#,80200001-200612 main13501-54050i2L..LF60,80..4F;2L..LF70,80..DLX,GL,GLX199805-200102 main13501-75010i1RZE,2RZE..RZF61,8#..DLX,GL,STD199911-200612 13511APIN, STRAIGHT(FOR CAMSHAFT KNOCK)
main90250-05121i7KE..KF82;7K#..KF60,7#,80..(SCB,SHRV,SRF)..(LUB,T2)..(GEN,MA,TAIW)199612-200612 L=15,OD=5
main90250-06068i1RZE,2RZE..RZF61,8#..DLX,GL,STD199911-200612 L=11,OD=6
13523GEAR OR SPROCKET, CAMSHAFT TIMING
main13523-13030i7KE..KF82..RHD;7K#..KF60,7#,80199612-200612 main13523-75010i1RZE,2RZE..RZF71,80,81,84,85199911-200612 13523BWASHER, PLATE(FOR TIMING GEAR)
main90201-10489i7KE..KF82..RHD;7K#..KF60,7#,80199612-200612 13540TENSIONER ASSY, CHAIN, NO.1
main13540-13023i7K#..KF60,80..(SCB,SHRW)..(FD,LUB,SD)..(GEN,TAIW)199612-200612 main13540-75020i1RZE,2RZE..RZF71,80,81,84,85199911-200612 13561DAMPER, CHAIN VIBRATION, NO.1
main13561-13020i7KE..KF82..RHD;7K#..KF60,7#,80199612-200302 main13561-13030i7K#..KF60,80..(SCB,SHRW)..(FD,LUB,SD)..(GEN,TAIW)200208-200612 main13561-76020i1RZE,2RZE..RZF71,80,81,84,85199911-200612 13571PLATE, CAMSHAFT THRUST
main13571-13010i7KE..KF82;7K#..KF60,7#,80..(SCB,SHRV,SRF)..(LUB,T2)..(GEN,MA,TAIW)199612-200612 main13571-35010i1RZE,2RZE..RZF61,8#..DLX,GL,STD199911-200612 13711VALVE, INTAKE
main13711-05010i2L..LF82..RHD;2L..LF60,7#,80199612-200402 (L)
main13711-13010i7KE..KF82..RHD;7K#..KF60,7#,80..GEN,PHL,VN199612-200612 13711ASEAL OR RING, O(FOR VALVE STEM OIL)
main90913-02053i1RZE,2RZE..RZF61,8#..DLX,GL,STD200208-200612 main90913-02094i7K#..KF60,80..(SCB,SHRW)..(FD,LUB,SD)..(GEN,TAIW)199612-200612 main90913-02110i1RZE,2RZE..RZF71,80,81,84,85199612-200306 13711BSPRING, COMPRESSION(FOR INNER)
main90501-42010i7K#..KF60,80..(SCB,SHRW)..(FD,LUB,SD)..(GEN,TAIW)199612-200612 main90501-45033i1RZE,2RZE..RZF61,8#..DLX,GL,STD199911-200612 13711DWASHER, PLATE(FOR VALVE SPRING SEAT)
main90080-20056i2L..LF82..RHD;2L,5L..LF6#,7#,80,81,85199612-200402 (L)
main90201-16002i7KE..KF82..RHD;7K#..KF60,7#,80199612-200612 13715VALVE, EXHAUST
main13715-05010i2L..LF82..RHD;2L..LF60,7#,80199612-200402 (L)
main13715-17010i2L..LF82..RHD;2L..LF60,7#,80199612-200501 (J)
main13715-24031i7KE..KF82..RHD;7K#..KF60,7#,80..GEN,PHL,VN199612-200612 13741RETAINER, VALVE SPRING
main13741-24020i7K#..KF60,80..(SCB,SHRW)..(FD,LUB,SD)..(GEN,TAIW)199612-200612 main13741-43010i1RZE,2RZE..RZF71,80,81,84,85199911-200612 13741ALOCK, VALVE SPRING RETAINER
main90913-03005i7K#..KF60,80..(SCB,SHRW)..(FD,LUB,SD)..(GEN,TAIW)199612-200612 main90913-03014i1RZE,2RZE..RZF61,8#..DLX,GL,STD199612-200612 13751LIFTER, VALVE
main13750-0W020i7KE..KF82..RHD;7K#..KF60,7#,80199612-200612 main13751-64011i1RZE,2RZE..RZF71,80,81,84,85199911-200612 13781ROD, VALVE PUSH
main13781-13120i7K#..KF60,80..(SCB,SHRW)..(FD,LUB,SD)..(GEN,TAIW)199612-200612 13801ARM SUB-ASSY, VALVE ROCKER, NO.1
main13811-06010i7K#..KF60,80..(SCB,SHRW)..(FD,LUB,SD)..(GEN,TAIW)199912-200612 (L)
main13811-13010i7K#..KF60,80..(SCB,SHRW)..(FD,LUB,SD)..(GEN,TAIW)199912-200612 (J)
13801DSPRING, COMPRESSION(FOR ROCKER ARM)
main90501-14064i7KE..KF82..RHD;7K#..KF60,7#,80199612-200612 13802ARM SUB-ASSY, VALVE ROCKER, NO.2
main13812-06010i7KE..KF82..RHD;7K#..KF60,7#,80199912-200612 (L)
main13812-13010i7KE..KF82;7K#..KF60,7#,80..(SCB,SHRV,SRF)..(LUB,T2)..(GEN,MA,TAIW)199912-200612 (J)
13901SHAFT SUB-ASSY, VALVE ROCKER, NO.1
main13901-22011i7KE..KF82..RHD;7K#..KF60,7#,80199612-200612 13901BSPRING, CONICAL(FOR VALVE ROCKER SHAFT)
main90502-14022i7K#..KF60,80..(SCB,SHRW)..(FD,LUB,SD)..(GEN,TAIW)199612-200612 13901CSPRING, RETAINER(FOR VALVE ROCKER SHAFT)
main90524-13009i7KE..KF82..RHD;7K#..KF60,7#,80199612-200612 13951SUPPORT, VALVE ROCKER, NO.1
main13952-24012i7K#..KF60,80..(SCB,SHRW)..(FD,LUB,SD)..(GEN,TAIW)199612-200612 13951ABOLT(FOR ROCKER SUPPORT SET)
main90105-08028i7K#..KF60,80..(SCB,SHRW)..(FD,LUB,SD)..(GEN,TAIW)199612-200612 13951CBOLT, STUD(FOR ROCKER SUPPORT)
main90116-08082i7KE..KF82;7K#..KF60,7#,80..(SCB,SHRV,SRF)..(LUB,T2)..(GEN,MA,TAIW)199612-200612 13952SUPPORT, VALVE ROCKER, NO.2
main13952-24012i7KE..KF82..RHD;7K#..KF60,7#,80199612-200612