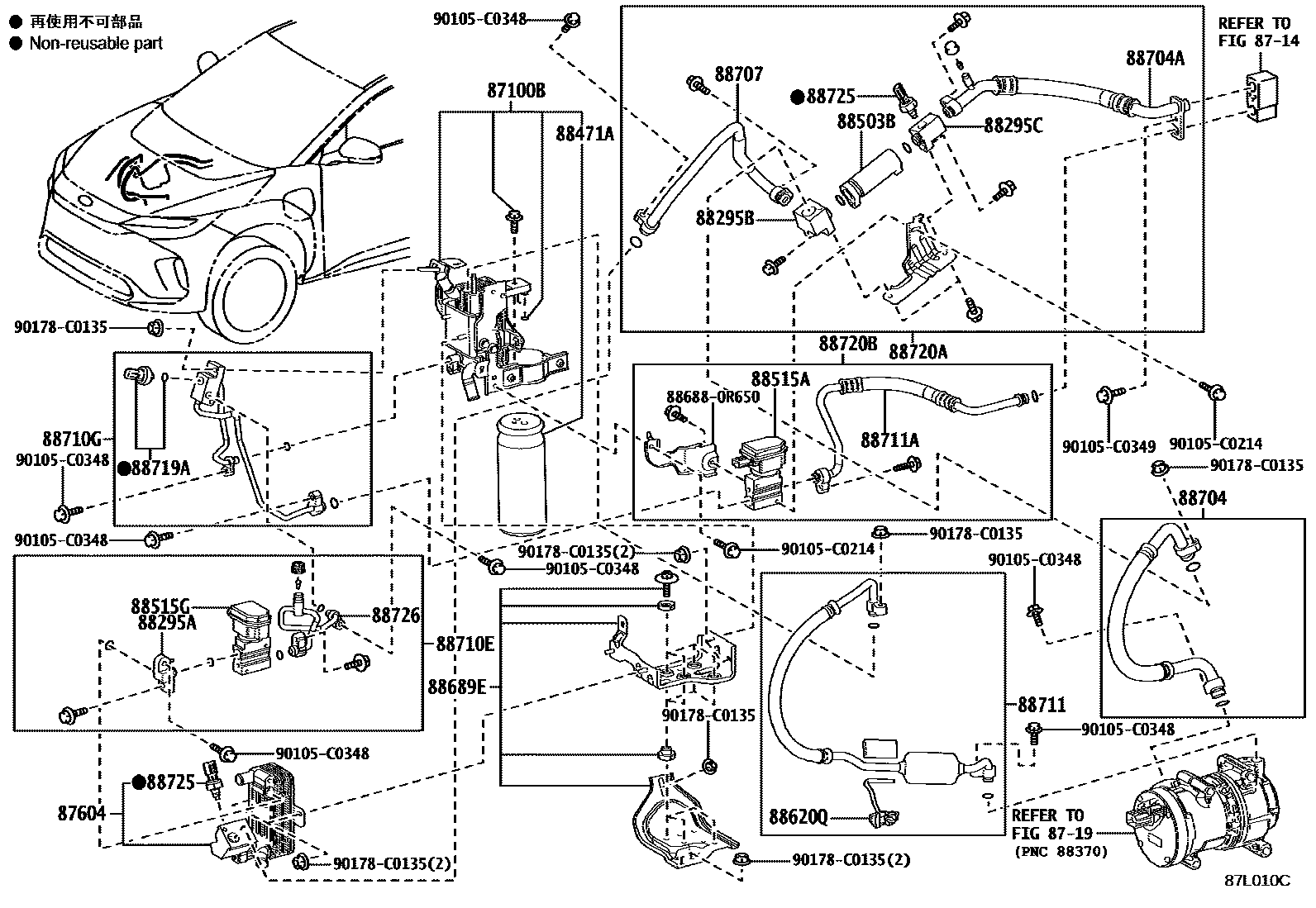
HEATING & AIR CONDITIONING - COOLER PIPING

87100BCONDENSER ASSY
8714
8719
87604UNIT SUB-ASSY, HEAT EXCHANGER
88295ATUBE, VALVE TO CONNECTOR
88295BTUBE, VALVE TO CONNECTOR, NO.2
88295CTUBE, VALVE TO CONNECTOR, NO.3
88471ATANK, RECEIVER
88503BREGULATOR SUB-ASSY, PRESSURE
88515AVALVE, COOLER EXPANSION
88515GVALVE, COOLER EXPANSION, NO.2
88620QTHERMISTOR ASSY, AIR CONDITIONER NO.1
88689EBRACKET, COOLER, NO.1
88704HOSE SUB-ASSY, SUCTION
88704AHOSE SUB-ASSY, SUCTION, A
88707PIPE SUB-ASSY, SUCTION
88710ETUBE & ACCESSORY ASSY, AIR CONDITIONER
88710GTUBE & ACCESSORY ASSY, AIR CONDITIONER, NO.2
88711HOSE, COOLER REFRIGERANT DISCHARGE, NO.1
88711AHOSE, COOLER REFRIGERANT DISCHARGE, NO.2
88719ASENSOR, AIR CONDITIONER PRESSURE
88720AHOSE & ACCESSORY, AIR CONDITIONER
88720BHOSE & ACCESSORY, AIR CONDITIONER
88725SENSOR, REFRIGERANT
88726TUBE, LIQUID, NO.2
886880R650BRACKET, COOLER DIAPHRAGM
main88688-0R650
90105C0214
main90105-C0214
90105C0348
main90105-C0348
90105C0349
main90105-C0349
90178C0135
main90178-C0135
30 parts on this diagram · 1 diagram in section