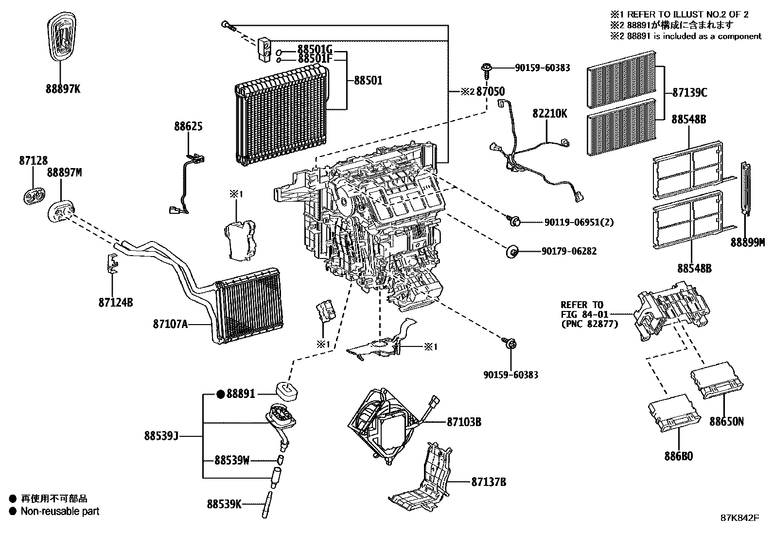
HEATING & AIR CONDITIONING - COOLER UNIT

82210KHARNESS ASSY, AIR CONDITIONER
8401
87050RADIATOR ASSY, AIR CONDITIONER
87103BMOTOR SUB-ASSY, BLOWER W/FAN
87107AUNIT SUB-ASSY, HEATER RADIATOR
87124BCLAMP, HEATER
87128GROMMET, HEATER
87137BCOVER, HEATER BLOWER
87139CFILTER, CLEAN AIR
MICRO DUST FILTER
DEODORANT FILTER
88501EVAPORATOR SUB-ASSY, COOLER, NO.1
88501FO-RING, COOLER EVAPORATOR NO.1(DISCHARGE)
ID=10.8,OD=15.6
88501GO-RING, COOLER EVAPORATOR NO.1(SUCTION)
ID=13.4,OD=18.2
88539JHOSE, DRAIN COOLER
88539KHOSE, DRAIN COOLER
88539WHOSE, DRAIN COOLER, NO.2
88548BCASE, AIR FILTER
88625THERMISTOR, COOLER, NO.1
88650NAMPLIFIER ASSY, AIR CONDITIONER
886B0COMPUTER ASSY, HEAT MANAGEMENT
88891PACKING (FOR COOLER)
88897KGROMMET, (FOR COOLER PIPE)
88897MGROMMET (FOR HEATER PIPE)
88899MPLATE, COVER(FOR AIR FILTER)
9011906951
main90119-06951
9015960383
main90159-60383
9017906282
main90179-06282
26 parts on this diagram · 4 diagrams in section