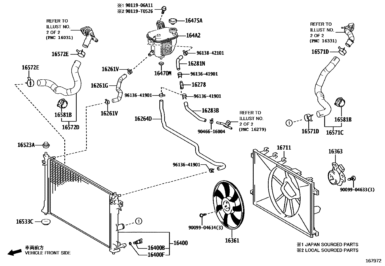
RADIATOR & WATER OUTLET

16261HOSE, WATER BY-PASS
(L)
(L)
(L)
(J)
(J)
16261GHOSE, WATER BY-PASS, NO.1
16261VCLAMP OR CLIP, HOSE(FOR WATER BY-PASS HOSE)
16264HOSE, WATER BY-PASS, NO.2
(L)
main16264-0T210i2ZRFE..ZSG10..TWP..G;2ZRFE..ZSG10..RHD..THP;2ZRFE..ZSG10..(E,M,N)..(MA,TAIW,VN);2ZRFE..ZSG10..LHD..(THP,TWP)..(E,J)..(GCC,GEN)202401-202512
(L)
(L)
(J)
(J)
16264DHOSE, WATER BY-PASS, NO.2
16278PIPE, WATER BY-PASS, NO.2
16281HOSE, WATER BY-PASS, NO.4
16281NHOSE, WATER BY-PASS, NO.4
(L),MARK=BLUE
MARK=LIGHT BLUE
PARAGUAY SPEC
MARK=BLUE
(J),MARK=BLUE
MARK=WHITE
16283HOSE, WATER BY-PASS, NO.6
(L)
(J)
PARAGUAY SPEC
16283BHOSE, WATER BY-PASS
16361FAN
16363MOTOR, COOLING FAN
main16363-0T220i2ZRFE..ZSG10..J..TAIW;2ZRFE..ZSG10..(E,G)..SA;2ZRFBE,2ZRFE..ZSG10..(E,G,M,N)..(GEN,PH,TAIW,TH,VN)202007-202304
sub16363-0T240
main16363-37130i2ZRFE..ZSG10..J..GEN;2ZRFE..ZSG10..G..GCC;2ZRFE..ZSG10..(J,N)..(GCC,SA)202010-202304
16400RADIATOR ASSY
16400FPACKING(FOR RADIATOR DRAIN COCK)
16470TANK ASSY, RADIATOR RESERVE
16470MGROMMET
16475ACAP, RESERVE TANK
164A2TANK, RESERVE SEALED W/O CAP
16523ACUSHION, RADIATOR SUPPORT
16533CGROMMET(FOR RADIATOR SUPPORT)
16571CHOSE, RADIATOR, NO.1
main16571-0T340i2ZRFE..ZSG10..(SAP,THP)..E;2ZRFE..ZSG10..(G,N)..(SA,VN);2ZRFE..ZSG10..RHD..THP..(G,N);2ZRFE..ZSG10..LHD..SAP..(G,N)202007-202512
sub16571-37211
16571DCLIP, RADIATOR HOSE, NO.1
NO.1
(L)
NO.1
(L),NO.1
NO.2
(J)
NO.1
(J),NO.1
16572DHOSE, RADIATOR, NO.2
16572ECLIP, RADIATOR HOSE, NO.2
(L)
(J)
16581CLAMP, HOSE(FOR WATER HOSE)
16581BCLAMP, HOSE(FOR RADIATOR HOSE)
16711SHROUD, FAN
9009904633
main90099-04633
9009904634
main90099-04634
9011906A11
main90119-06A11
90119T0526
main90119-T0526
9046616004
main90466-16004
9613641901
main96136-41901
9613842101
main96138-42101
35 parts on this diagram · 14 diagrams in section