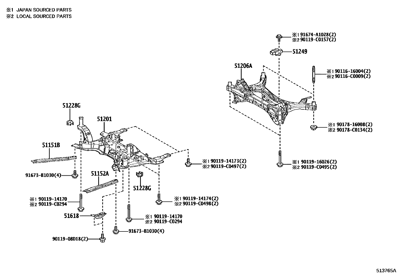
SUSPENSION CROSSMEMBER & UNDER COVER

51151BREINFORCEMENT, SIDE RAIL, NO.1 RH
51152AREINFORCEMENT, SIDE RAIL, NO.1 LH
51201CROSSMEMBER SUB-ASSY, FRONT SUSPENSION
51206AMEMBER SUB-ASSY, REAR SUSPENSION
51228GPLATE, FRONT SUSPENSION MEMBER
51249DAMPER, REAR SUSPENSION MEMBER
51618GUARD, FRONT DIFFERENTIAL SUPPORT, LH
9011616004
90116C0009
main90116-C0009
9011908D18
9011914170
9011914173
9011914174
9011916026
90119C0157
main90119-C0157
90119C0294
main90119-C0294
90119C0495
main90119-C0495
90119C0497
main90119-C0497
90119C0498
main90119-C0498
9017816008
90178C0134
main90178-C0134
91673B1030
91674A1028
23 parts on this diagram · 2 diagrams in section