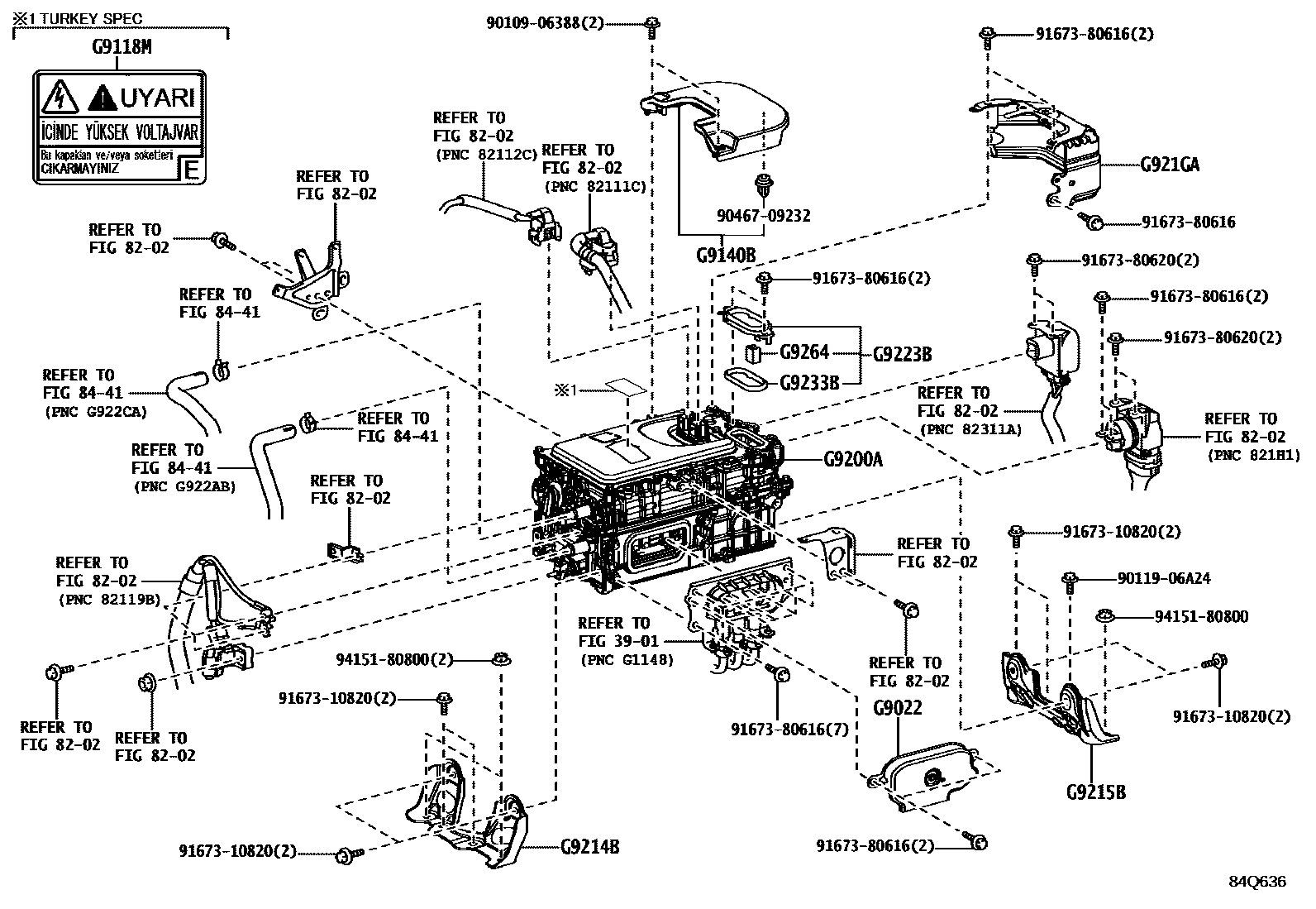
INVERTER(BEV OR FCEV)

3901
8202
8441
G9022COVER SUB-ASSY, INVERTER, UPPER
G9118MLABEL, UNIT CONTROLLER CAUTION, NO.1
TURKEY SPEC
G9140BCOVER ASSY, INVERTER
G9214BBRACKET, INVERTER, NO.1
G9215BBRACKET, INVERTER, NO.2
G921GAPROTECTOR, INVERTER
G9223BCOVER, INVERTER TERMINAL
G9233BGASKET, INVERTER COVER
G9264CONNECTOR, INVERTER SIGNAL
9010906388
main90109-06388
9011906A24
main90119-06A24
9046709232
main90467-09232
9167310820
main91673-10820
9167380616
main91673-80616
9167380620
main91673-80620
9415180800
main94151-80800
20 parts on this diagram · 1 diagram in section