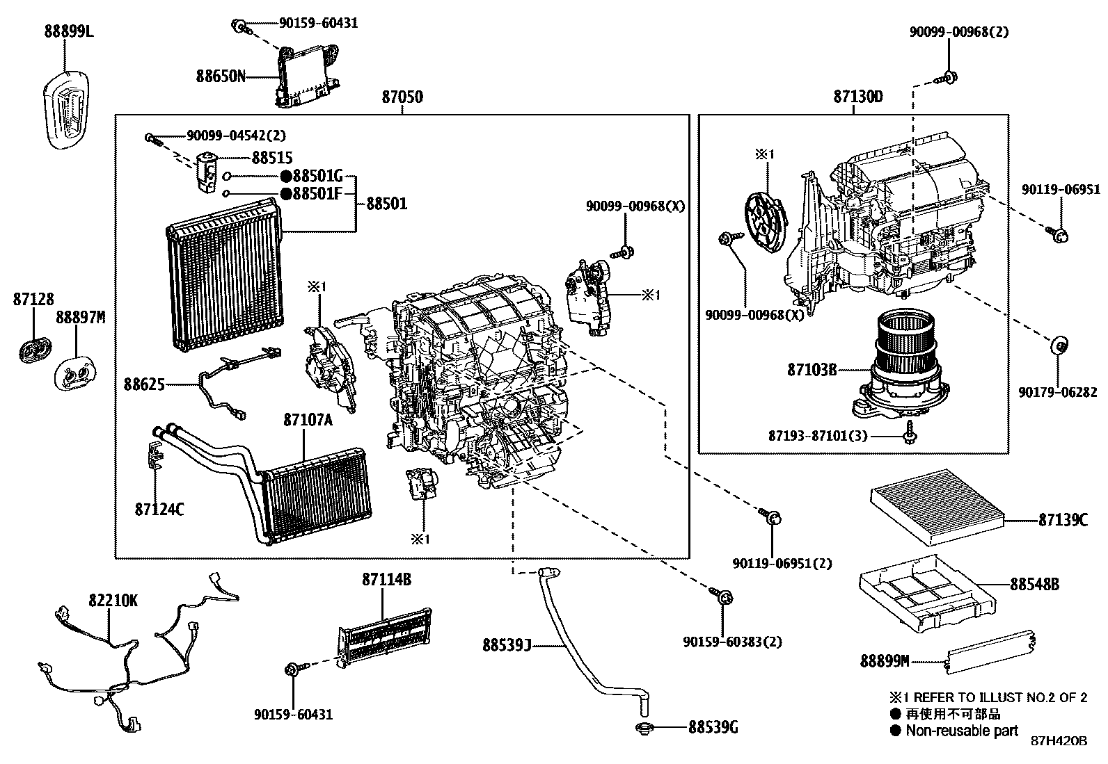
HEATING & AIR CONDITIONING - COOLER UNIT

82210KHARNESS ASSY, AIR CONDITIONER
87050RADIATOR ASSY, AIR CONDITIONER
sub87050-76241
UKRAINE SPEC
KAZAKHSTAN SPEC
AZERBAIJAN, ARMENIA, GEORGIA SPEC
MOROCCO SPEC
RUSSIA SPEC
sub87050-76271
UKRAINE SPEC
RUSSIA SPEC
AZERBAIJAN, ARMENIA, GEORGIA SPEC
KAZAKHSTAN SPEC
EXHAUST EMISSION CONTROL-EURO 5
KAZAKHSTAN SPEC
UKRAINE SPEC
RUSSIA SPEC
MOROCCO SPEC
AZERBAIJAN, ARMENIA, GEORGIA SPEC
87103BMOTOR SUB-ASSY, BLOWER W/FAN
87107AUNIT SUB-ASSY, HEATER RADIATOR
87114BCOVER, HEATER
87124CCLAMP, HEATER
87128GROMMET, HEATER
87130DBLOWER ASSY
87139CFILTER, CLEAN AIR
DEODORANT FILTER,OE PART
88501EVAPORATOR SUB-ASSY, COOLER, NO.1
EXHAUST EMISSION CONTROL-EURO 5
MOROCCO SPEC
AZERBAIJAN, ARMENIA, GEORGIA SPEC
RUSSIA SPEC
UKRAINE SPEC
KAZAKHSTAN SPEC
RUSSIA SPEC
UKRAINE SPEC
KAZAKHSTAN SPEC
AZERBAIJAN, ARMENIA, GEORGIA SPEC
88501FO-RING, COOLER EVAPORATOR NO.1(DISCHARGE)
ID=10.8,OD=15.6
88501GO-RING, COOLER EVAPORATOR NO.1(SUCTION)
ID=13.4,OD=18.2
88515VALVE, COOLER EXPANSION
KAZAKHSTAN SPEC
UKRAINE SPEC
RUSSIA SPEC
MOROCCO SPEC
AZERBAIJAN, ARMENIA, GEORGIA SPEC
EXHAUST EMISSION CONTROL-EURO 5
KAZAKHSTAN SPEC
AZERBAIJAN, ARMENIA, GEORGIA SPEC
RUSSIA SPEC
UKRAINE SPEC
88539GGROMMET (FOR COOLER UNIT DRAIN HOSE)
88539JHOSE, DRAIN COOLER
88548BCASE, AIR FILTER
88625THERMISTOR, COOLER, NO.1
EXHAUST EMISSION CONTROL-EURO 5
88650NAMPLIFIER ASSY, AIR CONDITIONER
F SPORT&STEERING WHEEL-WITH(PADDLE SWITCH & VIBRATION)&SEAT HEATER-WITH(*DRP)&FRONT SEAT ADJUSTER-*DRP(8WAY POWER) & *DRS(SEAT MEMORY)
F SPORT&STEERING WHEEL-WITH(HEATER & PADDLE SWITCH & VIBRATION)&SEAT HEATER-WITH(*DRP)&FRONT SEAT ADJUSTER-*DRP(8WAY POWER) & *DRS(SEAT MEMORY)
F SPORT&STEERING WHEEL-WITH(HEATER & PADDLE SWITCH)&SEAT HEATER-WITH(*DRP)&FRONT SEAT ADJUSTER-*DRP(8WAY POWER) & *DRS(SEAT MEMORY)
F SPORT&STEERING WHEEL-WITH(PADDLE SWITCH)&SEAT HEATER-WITH(*DRP)&FRONT SEAT ADJUSTER-*DRP(8WAY POWER) & *DRS(SEAT MEMORY)
LUXURY PACKAGE&SEAT HEATER-WITH(*DRP)&FRONT SEAT ADJUSTER-*DRP(8WAY POWER) & *DRS(SEAT MEMORY)
LUXURY PACKAGE&SEAT HEATER-WITH(*DRP)&FRONT SEAT ADJUSTER-*DRP(8WAY POWER)
PREMIUM PACKAGE&SEAT HEATER-WITH(*DRP)&FRONT SEAT ADJUSTER-*DRP(8WAY POWER)
SEAT HEATER-WITH(*DRP)&FRONT SEAT ADJUSTER-*DRP(8WAY POWER)
F SPORT&SEAT HEATER-WITH(*DRP)&FRONT SEAT ADJUSTER-*DRP(8WAY POWER) & *DRS(SEAT MEMORY)
F SPORT&SEAT HEATER-WITH(*DRP)&FRONT SEAT ADJUSTER-*DRP(8WAY POWER)
sub88650-76641
ANTI-BACTERIA & MINUS ION SUPPLY-WITH
PARAGUAY SPEC&LUXURY PACKAGE&SEAT HEATER-WITH(*DRP)&FRONT SEAT ADJUSTER-*DRP(8WAYPOWER) & *DRS(SEAT MEMORY)
PARAGUAY SPEC&F SPORT&STEERING WHEEL-WITH(PADDLE SWITCH)&SEAT HEATER-WITH(*DRP)&FRONT SEAT ADJUSTER-*DRP(8WAY POWER) & *DRS(SEAT MEMORY)
PARAGUAY SPEC&F SPORT&STEERING WHEEL-WITH(HEATER & PADDLE SWITCH)&SEAT HEATER-WITH(*DRP)&FRONT SEAT ADJUSTER-*DRP(8WAY POWER) & *DRS(SEAT MEMORY)
PARAGUAY SPEC&F SPORT&STEERING WHEEL-WITH(HEATER & PADDLE SWITCH & VIBRATION)&SEATHEATER-WITH(*DRP)&FRONT SEAT ADJUSTER-*DRP(8WAY POWER) & *DRS(SEAT MEMORY)
PARAGUAY SPEC&F SPORT&STEERING WHEEL-WITH(PADDLE SWITCH & VIBRATION)&SEAT HEATER-WITH(*DRP)&FRONT SEAT ADJUSTER-*DRP(8WAY POWER) & *DRS(SEAT MEMORY)
PANAMA SPEC&LUXURY PACKAGE&SEAT HEATER-WITH(*DRP)&FRONT SEAT ADJUSTER-*DRP(8WAY POWER) & *DRS(SEAT MEMORY)
PANAMA SPEC&F SPORT&STEERING WHEEL-WITH(PADDLE SWITCH)&SEAT HEATER-WITH(*DRP)&FRONT SEAT ADJUSTER-*DRP(8WAY POWER) & *DRS(SEAT MEMORY)
PANAMA SPEC&F SPORT&STEERING WHEEL-WITH(HEATER & PADDLE SWITCH)&SEAT HEATER-WITH(*DRP)&FRONT SEAT ADJUSTER-*DRP(8WAY POWER) & *DRS(SEAT MEMORY)
PANAMA SPEC&F SPORT&STEERING WHEEL-WITH(HEATER & PADDLE SWITCH & VIBRATION)&SEAT HEATER-WITH(*DRP)&FRONT SEAT ADJUSTER-*DRP(8WAY POWER) & *DRS(SEAT MEMORY)
PANAMA SPEC&F SPORT&STEERING WHEEL-WITH(PADDLE SWITCH & VIBRATION)&SEAT HEATER-WITH(*DRP)&FRONT SEAT ADJUSTER-*DRP(8WAY POWER) & *DRS(SEAT MEMORY)
BRAZIL SPEC&LUXURY PACKAGE&SEAT HEATER-WITH(*DRP)&FRONT SEAT ADJUSTER-*DRP(8WAY POWER) & *DRS(SEAT MEMORY)
BRAZIL SPEC&F SPORT&STEERING WHEEL-WITH(PADDLE SWITCH)&SEAT HEATER-WITH(*DRP)&FRONT SEAT ADJUSTER-*DRP(8WAY POWER) & *DRS(SEAT MEMORY)
BRAZIL SPEC&F SPORT&STEERING WHEEL-WITH(HEATER & PADDLE SWITCH)&SEAT HEATER-WITH(*DRP)&FRONT SEAT ADJUSTER-*DRP(8WAY POWER) & *DRS(SEAT MEMORY)
BRAZIL SPEC&F SPORT&STEERING WHEEL-WITH(HEATER & PADDLE SWITCH & VIBRATION)&SEAT HEATER-WITH(*DRP)&FRONT SEAT ADJUSTER-*DRP(8WAY POWER) & *DRS(SEAT MEMORY)
BRAZIL SPEC&F SPORT&STEERING WHEEL-WITH(PADDLE SWITCH & VIBRATION)&SEAT HEATER-WITH(*DRP)&FRONT SEAT ADJUSTER-*DRP(8WAY POWER) & *DRS(SEAT MEMORY)
LATIN AMERICA SPEC&F SPORT&STEERING WHEEL-WITH(HEATER & PADDLE SWITCH & VIBRATION)&SEAT HEATER-WITH(*DRP)&FRONT SEAT ADJUSTER-*DRP(8WAY POWER) & *DRS(SEAT MEMORY)
LATIN AMERICA SPEC&F SPORT&STEERING WHEEL-WITH(PADDLE SWITCH & VIBRATION)&SEAT HEATER-WITH(*DRP)&FRONT SEAT ADJUSTER-*DRP(8WAY POWER) & *DRS(SEAT MEMORY)
TAIWAN SPEC&LUXURY PACKAGE&SEAT HEATER-WITH(*DRP)&FRONT SEAT ADJUSTER-*DRP(8WAY POWER) & *DRS(SEAT MEMORY)
TAIWAN SPEC&F SPORT&STEERING WHEEL-WITH(PADDLE SWITCH)&SEAT HEATER-WITH(*DRP)&FRONT SEAT ADJUSTER-*DRP(8WAY POWER) & *DRS(SEAT MEMORY)
TAIWAN SPEC&F SPORT&STEERING WHEEL-WITH(HEATER & PADDLE SWITCH)&SEAT HEATER-WITH(*DRP)&FRONT SEAT ADJUSTER-*DRP(8WAY POWER) & *DRS(SEAT MEMORY)
TAIWAN SPEC&F SPORT&STEERING WHEEL-WITH(HEATER & PADDLE SWITCH & VIBRATION)&SEAT HEATER-WITH(*DRP)&FRONT SEAT ADJUSTER-*DRP(8WAY POWER) & *DRS(SEAT MEMORY)
TAIWAN SPEC&F SPORT&STEERING WHEEL-WITH(PADDLE SWITCH & VIBRATION)&SEAT HEATER-WITH(*DRP)&FRONT SEAT ADJUSTER-*DRP(8WAY POWER) & *DRS(SEAT MEMORY)
LATIN AMERICA SPEC&LUXURY PACKAGE&SEAT HEATER-WITH(*DRP)&FRONT SEAT ADJUSTER-*DRP(8WAY POWER) & *DRS(SEAT MEMORY)
LATIN AMERICA SPEC&F SPORT&STEERING WHEEL-WITH(PADDLE SWITCH)&SEAT HEATER-WITH(*DRP)&FRONT SEAT ADJUSTER-*DRP(8WAY POWER) & *DRS(SEAT MEMORY)
LATIN AMERICA SPEC&F SPORT&STEERING WHEEL-WITH(HEATER & PADDLE SWITCH)&SEAT HEATER-WITH(*DRP)&FRONT SEAT ADJUSTER-*DRP(8WAY POWER) & *DRS(SEAT MEMORY)
PREMIUM PACKAGE&SEAT HEATER-WITH(*DRP)&FRONT SEAT ADJUSTER-*DRP(8WAY POWER)
LUXURY PACKAGE&SEAT HEATER-WITH(*DRP)&FRONT SEAT ADJUSTER-*DRP(8WAY POWER)
LUXURY PACKAGE&SEAT HEATER-WITH(*DRP)&FRONT SEAT ADJUSTER-*DRP(8WAY POWER) & *DRS(SEAT MEMORY)
F SPORT&STEERING WHEEL-WITH(PADDLE SWITCH)&SEAT HEATER-WITH(*DRP)&FRONT SEAT ADJUSTER-*DRP(8WAY POWER) & *DRS(SEAT MEMORY)
F SPORT&STEERING WHEEL-WITH(HEATER & PADDLE SWITCH)&SEAT HEATER-WITH(*DRP)&FRONT SEAT ADJUSTER-*DRP(8WAY POWER) & *DRS(SEAT MEMORY)
F SPORT&STEERING WHEEL-WITH(HEATER & PADDLE SWITCH & VIBRATION)&SEAT HEATER-WITH(*DRP)&FRONT SEAT ADJUSTER-*DRP(8WAY POWER) & *DRS(SEAT MEMORY)
F SPORT&STEERING WHEEL-WITH(PADDLE SWITCH & VIBRATION)&SEAT HEATER-WITH(*DRP)&FRONT SEAT ADJUSTER-*DRP(8WAY POWER) & *DRS(SEAT MEMORY)
F SPORT&SEAT HEATER-WITH(*DRP)&FRONT SEAT ADJUSTER-*DRP(8WAY POWER)
F SPORT&SEAT HEATER-WITH(*DRP)&FRONT SEAT ADJUSTER-*DRP(8WAY POWER) & *DRS(SEAT MEMORY)
SEAT HEATER-WITH(*DRP)
SEAT HEATER-WITH(*DRP)&FRONT SEAT ADJUSTER-*DRP(8WAY POWER)
ARGENTINA SPEC&LUXURY PACKAGE&SEAT HEATER-WITH(*DRP)&FRONT SEAT ADJUSTER-*DRP(8WAYPOWER) & *DRS(SEAT MEMORY)
ARGENTINA SPEC&F SPORT&STEERING WHEEL-WITH(PADDLE SWITCH)&SEAT HEATER-WITH(*DRP)&FRONT SEAT ADJUSTER-*DRP(8WAY POWER) & *DRS(SEAT MEMORY)
ARGENTINA SPEC&F SPORT&STEERING WHEEL-WITH(HEATER & PADDLE SWITCH)&SEAT HEATER-WITH(*DRP)&FRONT SEAT ADJUSTER-*DRP(8WAY POWER) & *DRS(SEAT MEMORY)
ARGENTINA SPEC&F SPORT&STEERING WHEEL-WITH(HEATER & PADDLE SWITCH & VIBRATION)&SEAT HEATER-WITH(*DRP)&FRONT SEAT ADJUSTER-*DRP(8WAY POWER) & *DRS(SEAT MEMORY)
ARGENTINA SPEC&F SPORT&STEERING WHEEL-WITH(PADDLE SWITCH & VIBRATION)&SEAT HEATER-WITH(*DRP)&FRONT SEAT ADJUSTER-*DRP(8WAY POWER) & *DRS(SEAT MEMORY)
PREMIUM PACKAGE&SEAT HEATER-WITH(*DRP)&FRONT SEAT ADJUSTER-*DRP(8WAY POWER)
LUXURY PACKAGE&SEAT HEATER-WITH(*DRP)&FRONT SEAT ADJUSTER-*DRP(8WAY POWER)
LUXURY PACKAGE&SEAT HEATER-WITH(*DRP)&FRONT SEAT ADJUSTER-*DRP(8WAY POWER) & *DRS(SEAT MEMORY)
F SPORT&STEERING WHEEL-WITH(PADDLE SWITCH)&SEAT HEATER-WITH(*DRP)&FRONT SEAT ADJUSTER-*DRP(8WAY POWER) & *DRS(SEAT MEMORY)
F SPORT&STEERING WHEEL-WITH(HEATER & PADDLE SWITCH)&SEAT HEATER-WITH(*DRP)&FRONT SEAT ADJUSTER-*DRP(8WAY POWER) & *DRS(SEAT MEMORY)
F SPORT&STEERING WHEEL-WITH(HEATER & PADDLE SWITCH & VIBRATION)&SEAT HEATER-WITH(*DRP)&FRONT SEAT ADJUSTER-*DRP(8WAY POWER) & *DRS(SEAT MEMORY)
F SPORT&STEERING WHEEL-WITH(PADDLE SWITCH & VIBRATION)&SEAT HEATER-WITH(*DRP)&FRONT SEAT ADJUSTER-*DRP(8WAY POWER) & *DRS(SEAT MEMORY)
F SPORT&SEAT HEATER-WITH(*DRP)&FRONT SEAT ADJUSTER-*DRP(8WAY POWER)
F SPORT&SEAT HEATER-WITH(*DRP)&FRONT SEAT ADJUSTER-*DRP(8WAY POWER) & *DRS(SEAT MEMORY)
SEAT HEATER-WITH(*DRP)
SEAT HEATER-WITH(*DRP)&FRONT SEAT ADJUSTER-*DRP(8WAY POWER)
PREMIUM PACKAGE&SEAT HEATER-WITH(*DRP)&FRONT SEAT ADJUSTER-*DRP(8WAY POWER)
LUXURY PACKAGE&SEAT HEATER-WITH(*DRP)&FRONT SEAT ADJUSTER-*DRP(8WAY POWER)
LUXURY PACKAGE&SEAT HEATER-WITH(*DRP)&FRONT SEAT ADJUSTER-*DRP(8WAY POWER) & *DRS(SEAT MEMORY)
F SPORT&STEERING WHEEL-WITH(PADDLE SWITCH)&SEAT HEATER-WITH(*DRP)&FRONT SEAT ADJUSTER-*DRP(8WAY POWER) & *DRS(SEAT MEMORY)
F SPORT&STEERING WHEEL-WITH(HEATER & PADDLE SWITCH)&SEAT HEATER-WITH(*DRP)&FRONT SEAT ADJUSTER-*DRP(8WAY POWER) & *DRS(SEAT MEMORY)
F SPORT&STEERING WHEEL-WITH(HEATER & PADDLE SWITCH & VIBRATION)&SEAT HEATER-WITH(*DRP)&FRONT SEAT ADJUSTER-*DRP(8WAY POWER) & *DRS(SEAT MEMORY)
F SPORT&STEERING WHEEL-WITH(PADDLE SWITCH & VIBRATION)&SEAT HEATER-WITH(*DRP)&FRONT SEAT ADJUSTER-*DRP(8WAY POWER) & *DRS(SEAT MEMORY)
F SPORT&SEAT HEATER-WITH(*DRP)&FRONT SEAT ADJUSTER-*DRP(8WAY POWER)
F SPORT&SEAT HEATER-WITH(*DRP)&FRONT SEAT ADJUSTER-*DRP(8WAY POWER) & *DRS(SEAT MEMORY)
SEAT HEATER-WITH(*DRP)
SEAT HEATER-WITH(*DRP)&FRONT SEAT ADJUSTER-*DRP(8WAY POWER)
ANTI-BACTERIA & MINUS ION SUPPLY-WITH
88897MGROMMET (FOR HEATER PIPE)
88899LPARTS, COOLING UNIT
EXHAUST EMISSION CONTROL-EURO 5
88899MPLATE, COVER(FOR AIR FILTER)
8719387101
main87193-87101
9009900968
main90099-00968
9009904542
main90099-04542
9011906951
main90119-06951
9015960383
main90159-60383
9015960431
main90159-60431
9017906282
main90179-06282
28 parts on this diagram · 4 diagrams in section