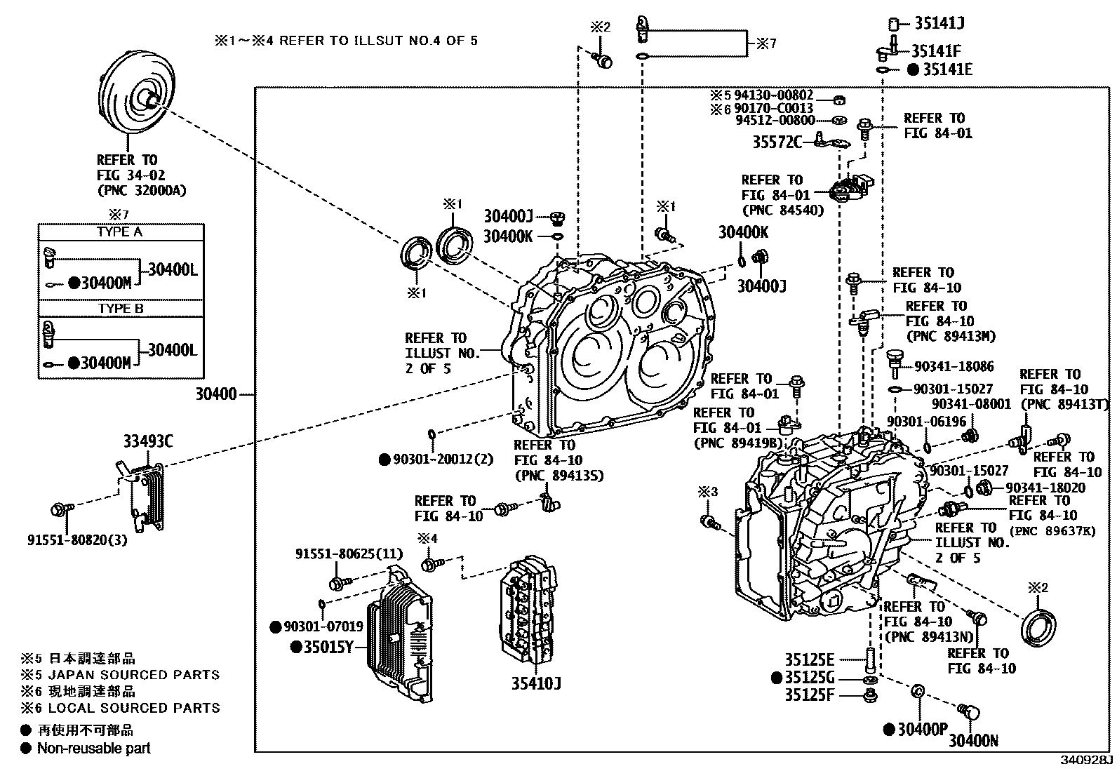
TRANSAXLE ASSY(CVT)

30400TRANSAXLE ASSY, CONTINUOUSLY VARIABLE
K120
K120
K121
30400JPLUG, TRANSAXLE HOLE
30400LPLUG , FILLER(CVT)
TYPE B:REFER ILLUST.
TYPE A:REFER ILLUST.
TYPE B:REFER ILLUST.
30400MGASKET, FILLER PLUG(CVT)
TYPE B:REFER ILLUST.
TYPE A:REFER ILLUST.
TYPE B:REFER ILLUST.
30400PGASKET, REFILL PLUG(CVT)
(J)
(L)
33493CCOOLER, TRANSMISSION OIL
3402
35015YCOVER SUB-ASSY, TRANSAXLE SIDE
35125ETUBE, OVERFLOW(CVT)
35125FPLUG, OVERFLOW(CVT)
35125GGASKET, OVERFLOW PLUG(CVT)
(J)
(L)
35141ERING, O(FOR BREATHER PLUG)
35141FPLUG, BREATHER, NO.1(CVT)
35141JPLUG, BREATHER, NO.2(CVT)
35572CLEVER, TRANSMISSION CONTROL SHAFT
8401
8410
90170C0013
main90170-C0013
9030106196
main90301-06196
9030107019
main90301-07019
9030115027
main90301-15027
9030120012
main90301-20012
9034108001
main90341-08001
9034118020
main90341-18020
9034118086
main90341-18086
9155180625
main91551-80625
9155180820
main91551-80820
9413000802
main94130-00802
9451200800
main94512-00800
32 parts on this diagram · 10 diagrams in section