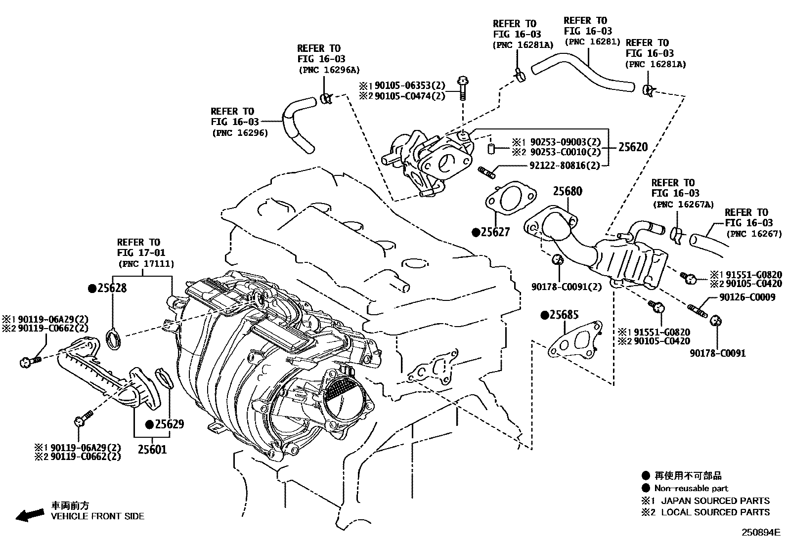
EXHAUST GAS RECIRCULATION SYSTEM

1603
1701
25601PIPE SUB-ASSY, EGR, NO.1
25620VALVE ASSY, EGR
25627GASKET, EGR VALVE
25628GASKET, EGR INLET
25629GASKET, EGR VALVE ADAPTER
25680COOLER ASSY, EGR
25685GASKET, EGR COOLER, NO.1
9010506353
main90105-06353
90105C0420
main90105-C0420
90105C0474
main90105-C0474
9011906A29
main90119-06A29
90119C0662
main90119-C0662
90126C0009
main90126-C0009
90178C0091
main90178-C0091
9025309003
main90253-09003
90253C0010
main90253-C0010
91551G0820
main91551-G0820
9212280816
main92122-80816
20 parts on this diagram · 2 diagrams in section