E
EPC Data

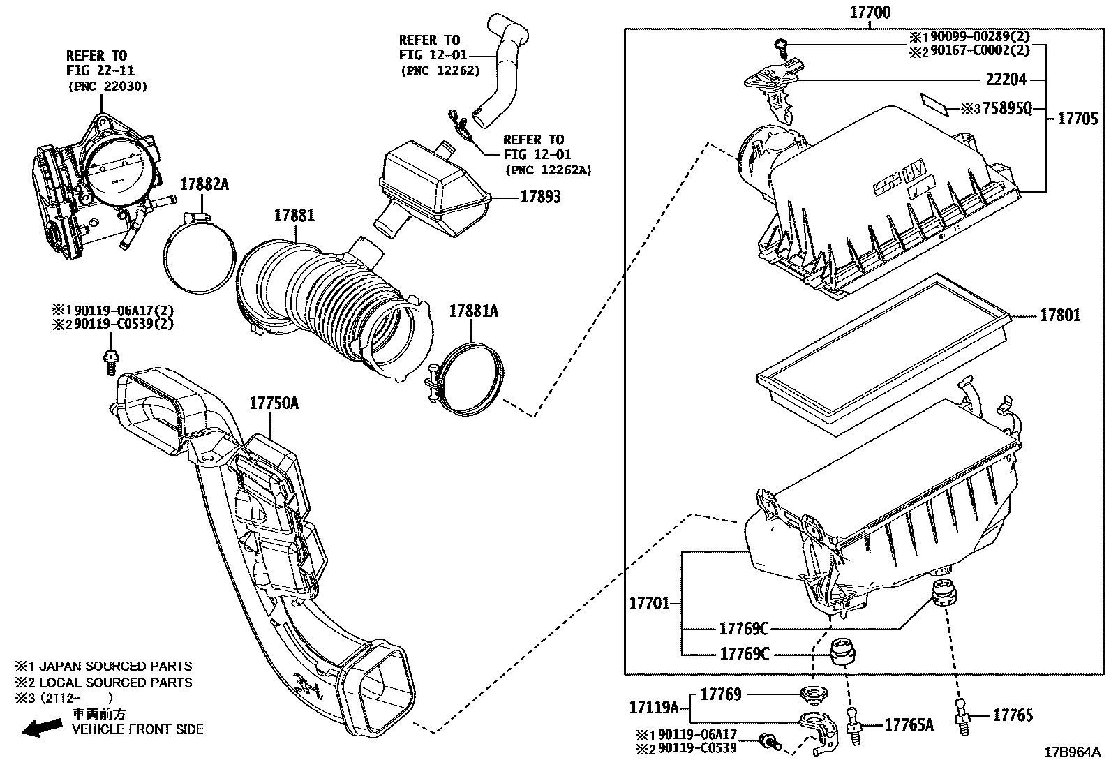
AIR CLEANER

Parts diagram
1201
17119ABRACKET, AIR CLEANER
main17119-F0060i202111-202408
17700CLEANER ASSY, AIR
main17700-F0171i202111-202408
main17700-F0241i202111-202408
17701CASE SUB-ASSY, AIR CLEANER
main17701-25101i202111-202408
MARK=17785-25020
main17701-F0101i202111-202408
main17701-F0141i202111-202408
MARK=17301-F0010
17705CAP SUB-ASSY, AIR CLEANER
main17705-F0160i202111-202408
main17705-F0170i202111-202408
17750AINLET ASSY, AIR CLEANER
main17751-F0140i202111-202408
17765STAY, AIR CLEANER, NO.1
main17765-25010i202111-202408
17765ASTAY, AIR CLEANER, NO.1
main17765-25010i202111-202408
17769SUPPORT, AIR CLEANER
main17769-25020i202111-202408
17769CSUPPORT, AIR CLEANER, NO.1
main17769-25020i202111-202408
main17769-25030i202111-202408
17801ELEMENT SUB-ASSY, AIR CLEANER FILTER
main17801-25020i202111-202408
(J)
main17801-77050i202111-202408
(J)
main17801-F0070i202111-202408
(L)
main17801-F2010i202111-202408
(L)
17881HOSE, AIR CLEANER, NO.1
main17881-F0120i202111-202408
main17881-F0170i202111-202408
17881ACLAMP(FOR AIR CLEANER HOSE, NO.1)
main96111-10850i202111-202408
main96111-10880i202111-202408
17882ACLAMP(FOR AIR CLEANER HOSE, NO.2)
main17891-31010i202111-202408
main96111-10800i202111-202408
17893RESONATOR, INTAKE AIR
main17893-F0110i202111-202408
main17893-F0240i202111-202408
2211
22204METER SUB-ASSY, INTAKE AIR FLOW
main22204-75040i202111-202408
75895QTAPE, MOULDING, NO.1
main75895-52050i202112-202408
9009900289
9011906A17
90119C0539
90167C0002

22 parts on this diagram · 2 diagrams in section

AIR CLEANER — Toyota Parts Diagram with OEM Numbers & Prices | EPC Data