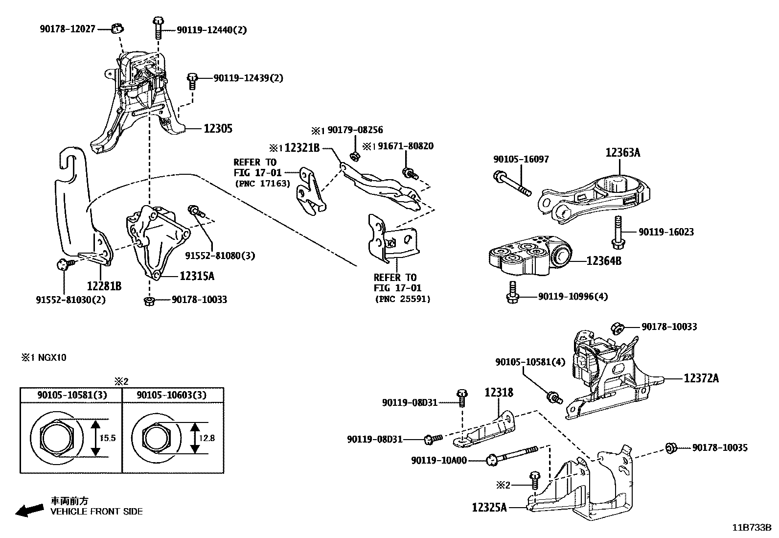
MOUNTING

12281BHANGER, ENGINE, NO.1
12315ABRACKET, ENGINE MOUNTING, RH(FOR TRANSVERSE ENGINE)
12318STAY, ENGINE MOUNTING, LH
12321BINSULATOR SUB-ASSY, DRIVE SHAFT HEAT
12325ABRACKET, ENGINE MOUNTING, LH(FOR TRANSVERSE ENGINE)
12364BROD, ENGINE MOVING CONTROL, NO.2
12372AINSULATOR, ENGINE MOUNTING, LH(FOR TRANSVERSE ENGINE)
sub12372-0Y181
sub12372-0Y182
sub12372-0Y191
sub12372-0Y192
1701
9010510581
main90105-10581
9010510603
main90105-10603
9010516097
main90105-16097
9011908D31
main90119-08D31
9011910996
main90119-10996
9011910A00
main90119-10A00
9011912439
main90119-12439
9011912440
main90119-12440
9011916023
main90119-16023
9017810033
main90178-10033
9017810035
main90178-10035
9017812027
main90178-12027
9017908256
main90179-08256
9155281030
main91552-81030
9155281080
main91552-81080
9167180820
main91671-80820
26 parts on this diagram · 3 diagrams in section