E
EPC Data

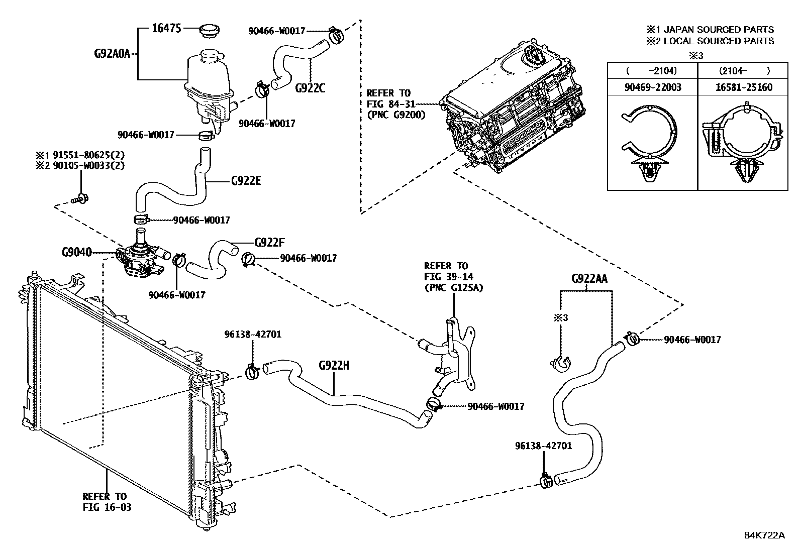
INVERTER COOLING

Parts diagram
1603
16475CAP, RESERVE TANK
main16475-28140i201909
3914
8431
G9040INVERTER WATER PUMP ASSY(W/MOTOR)
mainG904047040i201909
G922AAHOSE, INVERTER COOLING INLET, NO.1
mainG922AF4010i201909
G922CHOSE, INVERTER COOLING OUTLET, NO.1
mainG922CF4010i201909
G922EHOSE, HYBRID WATER PUMP INLET
mainG922EF4010i201909
G922FHOSE, HYBRID WATER PUMP OUTLET, NO.1
mainG922FF4010i201909
G922HHOSE, HYBRID RADIATOR INLET
mainG922HF4010i201909
G92A0ATANK ASSY, INVERTER RESERVE
mainG91H0F4011i201909
1658125160CLAMP, HOSE(FOR WATER HOSE)
90105W0033
90466W0017
9046922003
9155180625
9613842701

17 parts on this diagram · 1 diagram in section

INVERTER COOLING — Toyota Parts Diagram with OEM Numbers & Prices | EPC Data