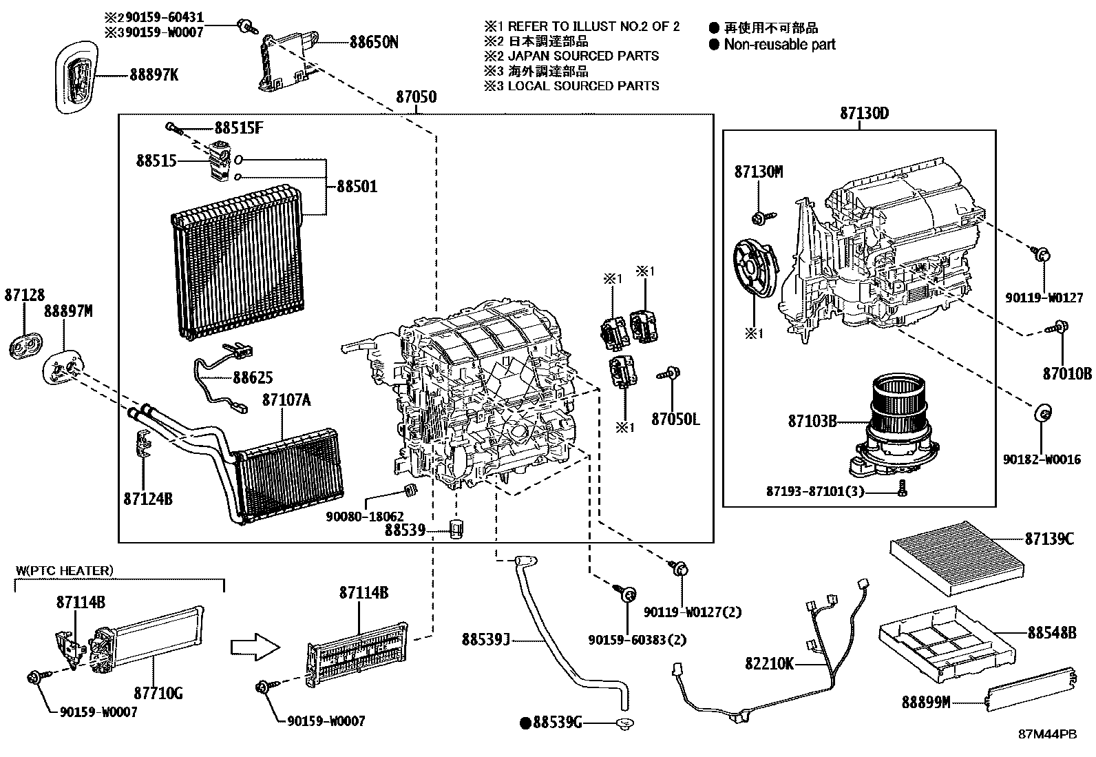
HEATING & AIR CONDITIONING - COOLER UNIT

82210KHARNESS ASSY, AIR CONDITIONER
GEORGIA SPEC&AIR CONDITIONER-AUTO(DUAL MODE CONTROL)
AIR CONDITIONER-AUTO(DUAL MODE CONTROL)
MOLDOVA SPEC&AIR CONDITIONER-AUTO(DUAL MODE CONTROL)
AZERBAIJAN SPEC&AIR CONDITIONER-AUTO(DUAL MODE CONTROL)
UKRAINE SPEC&AIR CONDITIONER-AUTO(DUAL MODE CONTROL)
AIR CONDITIONER-AUTO(DUAL MODE CONTROL)
87010BSCREW(FOR AIR CONDITIONER UNIT)
87050RADIATOR ASSY, AIR CONDITIONER
AIR CONDITIONER-AUTO(DUAL MODE CONTROL)
AZERBAIJAN SPEC
AZERBAIJAN SPEC&AIR CONDITIONER-AUTO(DUAL MODE CONTROL)
UKRAINE SPEC
UKRAINE SPEC&AIR CONDITIONER-AUTO(DUAL MODE CONTROL)
GEORGIA SPEC
GEORGIA SPEC&AIR CONDITIONER-AUTO(DUAL MODE CONTROL)
MOLDOVA SPEC
MOLDOVA SPEC&AIR CONDITIONER-AUTO(DUAL MODE CONTROL)
GEORGIA SPEC
AZERBAIJAN SPEC
UKRAINE SPEC
MOLDOVA SPEC
AIR CONDITIONER-AUTO(DUAL MODE CONTROL)
87050LSCREW(FOR AIR CONDITIONER RADIATOR)
MOLDOVA SPEC&AIR CONDITIONER-AUTO(DUAL MODE CONTROL)
AZERBAIJAN SPEC&AIR CONDITIONER-AUTO(DUAL MODE CONTROL)
UKRAINE SPEC&AIR CONDITIONER-AUTO(DUAL MODE CONTROL)
GEORGIA SPEC&AIR CONDITIONER-AUTO(DUAL MODE CONTROL)
AIR CONDITIONER-AUTO(DUAL MODE CONTROL)
87103BMOTOR SUB-ASSY, BLOWER W/FAN
87107AUNIT SUB-ASSY, HEATER RADIATOR
87114BCOVER, HEATER
SUB COLD AREA SPEC
COLD AREA SPEC
87124BCLAMP, HEATER
87128GROMMET, HEATER
87130DBLOWER ASSY
87130MSCREW(FOR BLOWER)
87139CFILTER, CLEAN AIR
POLLEN FILTER
DEODORANT FILTER
87710GQUICK HEATER ASSY
COLD AREA SPEC
SUB COLD AREA SPEC
88501EVAPORATOR SUB-ASSY, COOLER, NO.1
88515VALVE, COOLER EXPANSION
UKRAINE SPEC
MOLDOVA SPEC
MOLDOVA SPEC&AIR CONDITIONER-AUTO(DUAL MODE CONTROL)
AZERBAIJAN SPEC
AZERBAIJAN SPEC&AIR CONDITIONER-AUTO(DUAL MODE CONTROL)
UKRAINE SPEC&AIR CONDITIONER-AUTO(DUAL MODE CONTROL)
GEORGIA SPEC
GEORGIA SPEC&AIR CONDITIONER-AUTO(DUAL MODE CONTROL)
88515FBOLT(FOR COOLER EXPANSION VALVE)
88539HOSE, COOLER UNIT DRAIN, NO.1
MOLDOVA SPEC&AIR CONDITIONER-AUTO(DUAL MODE CONTROL)
AZERBAIJAN SPEC
AZERBAIJAN SPEC&AIR CONDITIONER-AUTO(DUAL MODE CONTROL)
UKRAINE SPEC
UKRAINE SPEC&AIR CONDITIONER-AUTO(DUAL MODE CONTROL)
GEORGIA SPEC
GEORGIA SPEC&AIR CONDITIONER-AUTO(DUAL MODE CONTROL)
AIR CONDITIONER-AUTO(DUAL MODE CONTROL)
MOLDOVA SPEC
88539GGROMMET (FOR COOLER UNIT DRAIN HOSE)
88539JHOSE, DRAIN COOLER
88548BCASE, AIR FILTER
AIR CONDITIONER-AUTO(DUAL MODE CONTROL)
88625THERMISTOR, COOLER, NO.1
UKRAINE SPEC
GEORGIA SPEC
MOLDOVA SPEC
AZERBAIJAN SPEC
AIR CONDITIONER-AUTO(DUAL MODE CONTROL)
88650NAMPLIFIER ASSY, AIR CONDITIONER
ANTI-BACTERIA & MINUS ION SUPPLY-WITH
ANTI-BACTERIA & MINUS ION SUPPLY-WITH
ISRAEL SPEC&ANTI-BACTERIA & MINUS ION SUPPLY-WITHOUT
ANTI-BACTERIA & MINUS ION SUPPLY-WITHOUT
ISRAEL SPEC
ISRAEL SPEC&ANTI-BACTERIA & MINUS ION SUPPLY-WITH
ANTI-BACTERIA & MINUS ION SUPPLY-WITH
ISRAEL SPEC&ANTI-BACTERIA & MINUS ION SUPPLY-WITHOUT
ANTI-BACTERIA & MINUS ION SUPPLY-WITHOUT
ISRAEL SPEC
ISRAEL SPEC&ANTI-BACTERIA & MINUS ION SUPPLY-WITH
ANTI-BACTERIA & MINUS ION SUPPLY-WITH
88897MGROMMET (FOR HEATER PIPE)
88899MPLATE, COVER(FOR AIR FILTER)
8719387101
main87193-87101
9008018062
main90080-18062
90119W0127
main90119-W0127
9015960383
main90159-60383
9015960431
main90159-60431
90159W0007
main90159-W0007
90182W0016
main90182-W0016
32 parts on this diagram · 6 diagrams in section