E
EPC Data
Pricing
API Docs
Sign In
Home
›
GR
›
527310
›
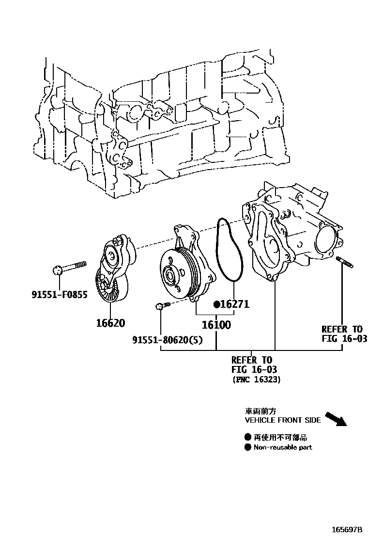
WATER PUMP
WATER PUMP
0001 1
0002 1
0003 1
1603
16100
PUMP ASSY, ENGINE WATER
main
16100-39565
i
3ZRFAE..ZGZ1#
¥10,500
201412-201709
main
16100-39575
i
2ARFXE..AYZ1#
¥9,000
201407-201709
main
16100-39595
i
8ARFTS..AGZ1#
¥9,500
201412-202004
16271
GASKET, WATER PUMP
main
16271-36030
i
2ARFXE..AYZ1#
¥200
201407-201709
main
16271-36040
i
8ARFTS..AGZ1#..CHI
¥340
201412-202004
main
16271-37030
i
3ZRFAE..ZGZ1#
¥520
201412-201709
16620
TENSIONER ASSY, V-RIBBED BELT
main
16620-36011
i
2ARFXE..AYZ1#
¥16,100
201407-201509
sub
16620-36012
¥13,400
main
16620-36012
i
2ARFXE..AYZ1#
¥13,400
201510-201712
sub
16620-36013
¥10,100
main
16620-36013
i
2ARFXE..AYZ1#
¥10,100
201801
main
16620-37011
i
3ZRFAE..ZGZ1#
¥16,100
201412-201506
sub
16620-37030
¥10,100
main
16620-37030
i
3ZRFAE..ZGZ1#
¥10,100
201507-201709
9155180620
main
91551-80620
¥60
91551F0855
main
91551-F0855
¥100
6 parts on this diagram · 3 diagrams in section
WATER PUMP — Toyota Parts Diagram with OEM Numbers & Prices | EPC Data