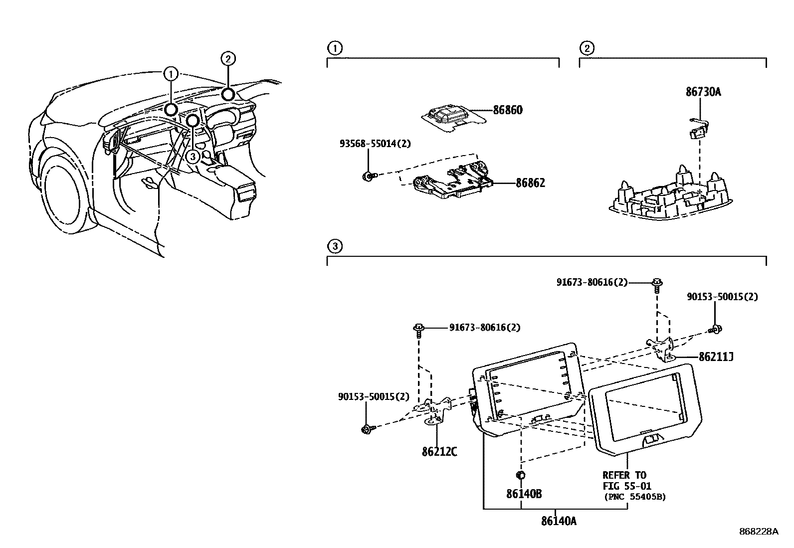
NAVIGATION & FRONT MONITOR DISPLAY

5501
86140ARECEIVER ASSY, RADIO & DISPLAY
PANASONIC
PANASONIC
86140BKNOB, RADIO & DISPLAY RECEIVER SWITCH
86211JBRACKET, RADIO RECEIVER, NO.1
86212CBRACKET, RADIO RECEIVER, NO.2
86730AMICROPHONE ASSY, TELEPHONE
86860ANTENNA ASSY, NAVIGATION
86862BRACKET, NAVIGATION ANTENNA
9015350015
main90153-50015
9167380616
main91673-80616
9356855014
main93568-55014
11 parts on this diagram · 2 diagrams in section