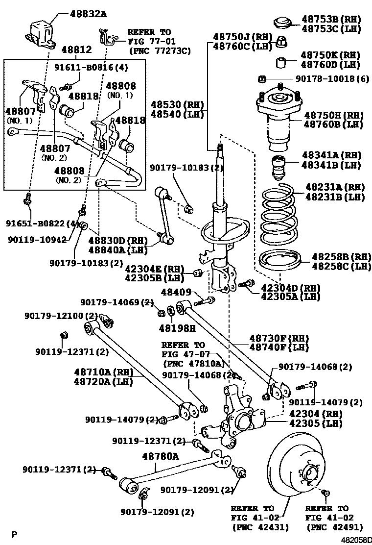
REAR SPRING & SHOCK ABSORBER

4102
42304DBOLT (FOR REAR AXLE CARRIER RH)
42304ENUT (FOR REAR AXLE CARRIER RH)
42305ABOLT (FOR REAR AXLE CARRIER LH)
42305BNUT (FOR REAR AXLE CARRIER LH)
4707
48198HCAM, CAMBER ADJUST, NO.2
48231ASPRING, COIL, REAR RH
48231BSPRING, COIL, REAR LH
48258BINSULATOR, REAR COIL SPRING, LOWER RH
48258CINSULATOR, REAR COIL SPRING, LOWER LH
48341ABUMPER, REAR SPRING, NO.1 RH
48341BBUMPER, REAR SPRING, NO.1 LH
48409CAM SUB-ASSY, REAR SUSPENSION TOE ADJUST
48530ABSORBER ASSY, SHOCK, REAR RH
MARK 48530-48260
MARK 48530-48261
48540ABSORBER ASSY, SHOCK, REAR LH
MARK 48540-48260
MARK 48540-48261
48710AARM ASSY, REAR SUSPENSION, NO.1 RH
48720AARM ASSY, REAR SUSPENSION, NO.1 LH
48730FARM ASSY, REAR SUSPENSION, NO.2 RH
48740FARM ASSY, REAR SUSPENSION, NO.2 LH
48750HSUPPORT ASSY, REAR SUSPENSION, RH
48750JNUT(FOR REAR SUPPORT TO REAR SHOCK ABSORBER RH)
48750KCOLLAR(FOR REAR SUPPORT TO REAR SHOCK ABSORBER RH)
48753BCOVER, REAR SUSPENSION SUPOPORT, NO.1 RH
48753CCOVER, REAR SUSPENSION SUPOPORT, NO.1 LH
48760BSUPPORT ASSY REAR SUSPENSION, LH
48760CNUT(FOR REAR SUPPORT TO REAR SHOCK ABSORBER LH)
48760DCOLLAR(FOR REAR SUPPORT TO REAR SHOCK ABSORBER LH)
48780AROD ASSY, STRUT, REAR
48807BRACKET, REAR STABILIZER BAR, RH
NO.2
NO.1
48808BRACKET, REAR STABILIZER BAR, LH
NO.1
NO.2
48812BAR, STABILIZER, REAR
48818BUSH, STABILIZER, REAR
sub48818-48021
48830DLINK ASSY, REAR STABILIZER, RH
48832ABRACKET, REAR STABILIZER BAR, NO.1
48840ALINK ASSY, REAR STABILIZER, LH
7701
9011910942
main90119-10942
9011912371
main90119-12371
9011914079
main90119-14079
9017810018
main90178-10018
9017910183
main90179-10183
9017912091
main90179-12091
9017912100
main90179-12100
9017914068
main90179-14068
9017914069
main90179-14069
91611B0816
main91611-B0816
91651B0822
main91651-B0822
50 parts on this diagram · 1 diagram in section