E
EPC Data

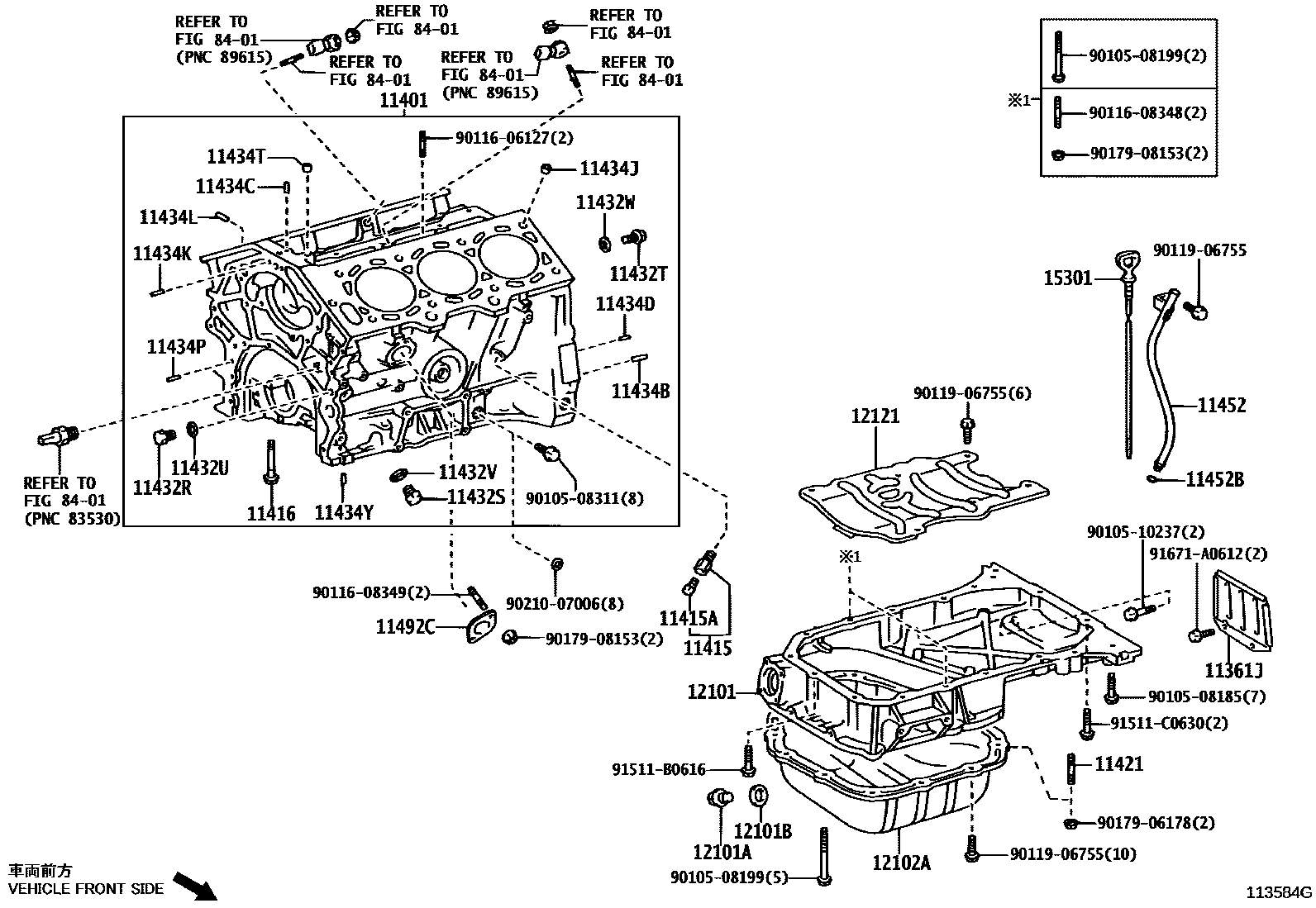
CYLINDER BLOCK

Parts diagram
11361JCOVER, FLYWHEEL HOUSING UNDER
main11361-20011i200503-200812
11401BLOCK SUB-ASSY, CYLINDER
main11401-29725i200503-200812
11415COCK SUB-ASSY, WATER DRAIN(FOR CYLINDER BLOCK)
main90910-09095i200503-200812
11415APLUG, WATER DRAIN COCK(FOR CYLINDER BLOCK)
main90910-09087i200503-200812
11416BOLT(FOR CRANKSHAFT BEARING CAP SET)
main90910-02114i200503-200812
11421BOLT, STUD(FOR OIL PAN)
main90116-06098i200503-200812
11432RPLUG, W/HEAD STRAIGHT SCREW, NO.1(FOR CYLINDER BLOCK)
main90341-16013i200503-200812
11432SPLUG, W/HEAD STRAIGHT SCREW, NO.2(FOR CYLINDER BLOCK)
main90341-16013i200503-200812
11432TPLUG, W/HEAD STRAIGHT SCREW, NO.3(FOR CYLINDER BLOCK)
main90341-20013i200503-200812
11432UGASKET, STRAIGHT SCREW PLUG NO.1(FOR CYLINDER BLOCK)
main90430-16009i200503-200812
11432VGASKET, STRAIGHT SCREW PLUG NO.2(FOR CYLINDER BLOCK)
main90430-16009i200503-200812
11432WGASKET, STRAIGHT SCREW PLUG NO.3(FOR CYLINDER BLOCK)
main90430-20004i200503-200812
11434BPIN, STRAIGHT(FOR CLUTCH HOUSING SET)
main90250-10113i200503-200812
L=22,OD=10
11434CPIN, STRAIGHT (FOR CYLINDER HEAD SET)
main90250-04097i200503-200812
L=12,OD=4.0
11434DPIN, STRAIGHT(FOR ENGINE REAR OIL SEAL)
main90250-04097i200503-200812
L=12,OD=4.0
11434JPIN, RING (FOR CYLINDER HEAD SET)
main90253-16001i200503-200812
11434KPIN, STRAIGHT(FOR WATER PUMP)
main90250-04097i200503-200812
11434LPIN, STRAIGHT(FOR ENGINE MOUNTING)
main90250-04097i200503-200812
11434PPIN, STRAIGHT(FOR OIL PUMP SET)
main90250-04097i200503-200812
L=12,OD=4.0
11434TPIN, RING(FOR TIMING BELT IDLER BRACKET SET)
main90253-11021i200503-200812
11434YPIN, STRAIGHT(FOR OIL PAN)
main90250-04097i200503-200812
11452GUIDE, OIL LEVEL GAGE
main11452-20020i200503-200812
11452BRING, O(FOR OIL LEVEL GAGE GUIDE)
main96721-19010i200503-200812
11492CPLATE, WATER SEAL
main11492-20010i200503-200812
12101PAN SUB-ASSY, OIL
main12111-20070i200503-200812
12101APLUG(FOR OIL PAN DRAIN)
main90341-12012i200503-200812
12101BGASKET(FOR OIL PAN DRAIN PLUG)
main90430-12031i200503-200812
12102APAN SUB-ASSY, OIL, NO.2
main12102-20010i200503-200812
12121PLATE, OIL PAN BAFFLE, NO.1
main12121-20021i200503-200812
15301GAGE SUB-ASSY, OIL LEVEL
main15301-20021i200503-200812
8401
9010508185
9010508199
9010508311
9010510237
9011606127
9011608348
9011608349
9011906755
9017906178
9017908153
9021007006
91511B0616
91511C0630
91671A0612

45 parts on this diagram · 1 diagram in section

CYLINDER BLOCK — Toyota Parts Diagram with OEM Numbers & Prices | EPC Data