E
EPC Data

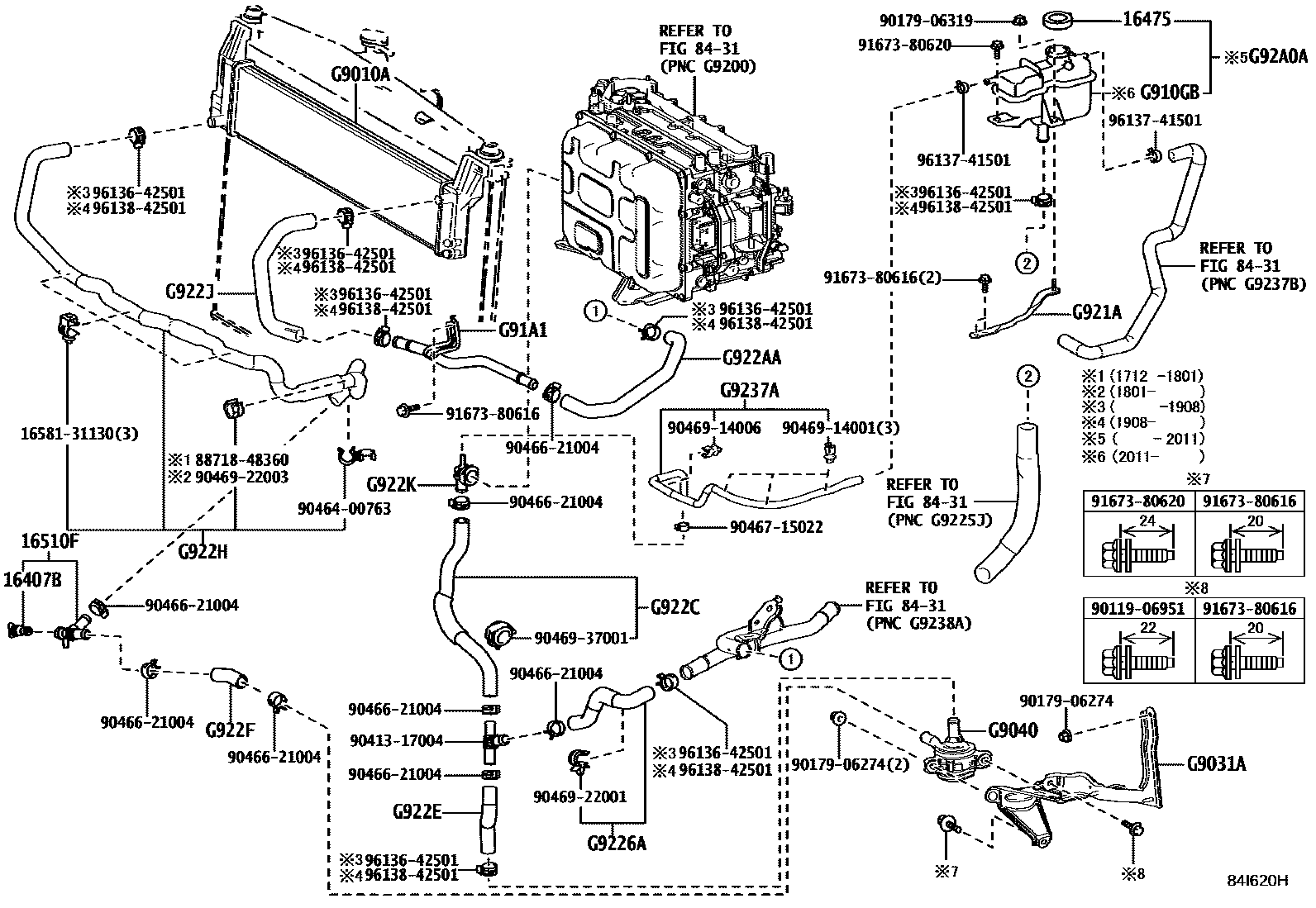
INVERTER COOLING

Parts diagram
16407BCOCK SUB-ASSY, RADIATOR DRAIN
main16407-64010i201712-201908
16475CAP, RESERVE TANK
main16475-28140i201712-201908
16510FCOCK ASSY, DRAIN
main90910-09134i201712-201908
8431
G9010ARADIATOR ASSY
mainG901048071i201712-201908
G9031ABRACKET SUB-ASSY, HV WATER PUMP
mainG903148020i201712-201908
mainG903148030i201908
G9040INVERTER WATER PUMP ASSY(W/MOTOR)
mainG904052020i201712-201908
G910GBTANK SUB-ASSY, INVERTER RESERVE W/O CAP
mainG920H48010i202011
G91A1PIPE, INVERTER COOLING, INLET
mainG91A148010i201712-201908
G921ABRACKET, INVERTER RESERVE TANK, NO.1
mainG921A48011i201712-201908
G9226AHOSE, INVERTER COOLING, NO.2
mainG922648040i201712-201908
G922AAHOSE, INVERTER COOLING INLET, NO.1
mainG922A48020i201712-201908
G922CHOSE, INVERTER COOLING OUTLET, NO.1
mainG922C48011i201712-201908
G922EHOSE, HYBRID WATER PUMP INLET
mainG922E48010i201712-201908
G922FHOSE, HYBRID WATER PUMP OUTLET, NO.1
mainG922F48020i201712-201908
G922HHOSE, HYBRID RADIATOR INLET
mainG922H48030i201712-201908
G922JHOSE, HYBRID RADIATOR OUTLET
mainG922J48030i201712-201908
G922KCONNECTOR, HYBRID WATER HOSE
mainG922K48012i201712-201908
G9237AHOSE, INVERTER DRAIN
mainG923748030i201712-201908
G92A0ATANK ASSY, INVERTER RESERVE
mainG92A048043i201712-202011
1658131130CLAMP, HOSE(FOR WATER HOSE)
8871848360PIPE, COOLER REFRIGERANT SUCTION, NO.2
9011906951
9017906274
9017906319
9041317004
9046400763
9046621004
9046715022
9046914001
9046914006
9046922001
9046922003
9046937001
9167380616
9167380620
9613642501
9613741501
9613842501

39 parts on this diagram · 1 diagram in section

INVERTER COOLING — Toyota Parts Diagram with OEM Numbers & Prices | EPC Data