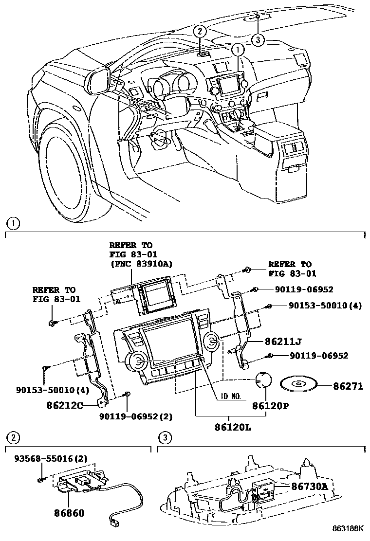
NAVIGATION & FRONT MONITOR DISPLAY

8301
86120LRECEIVER ASSY, NAVIGATION
FUJITSU TEN,ID=18037,BLACK,TRIM1#,2#,4#
FUJITSU TEN,ID=18037,BLACK,TRIM2#,4#
86120PKNOB, NAVIGATION RECEIVER SWITCH
86211JBRACKET, RADIO RECEIVER, NO.1
86212CBRACKET, RADIO RECEIVER, NO.2
86730AMICROPHONE ASSY, TELEPHONE
AUDIO-6CD-CHANGER USB BLUETOOTH 6SPEAKER
86860ANTENNA ASSY, NAVIGATION
AUDIO-NAVIGATION CD USB BLUETOOTH 6SPEAKER
9011906952
main90119-06952
9015350010
main90153-50010
9356855016
main93568-55016
11 parts on this diagram · 1 diagram in section